×
Genuine KX Kawasaki Parts delivered quickly!
home
KX125-D1 KX125 1985 USA CANADA
CYLINDER HEAD/CYLINDER/REED VALV
28 products
AIR CLEANER
17 products
MUFFLER
13 products
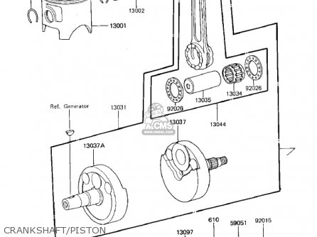
CRANKSHAFT/PISTON
16 products
KICKSTARTER MECHANISM
22 products
CLUTCH
24 products
TRANSMISSION
20 products
CARBURETOR
62 products
IGNITION
9 products
IGNITION COIL
8 products
RADIATOR
15 products
FRAME
5 products
FRAME FITTINGS
16 products
SWING ARM
21 products
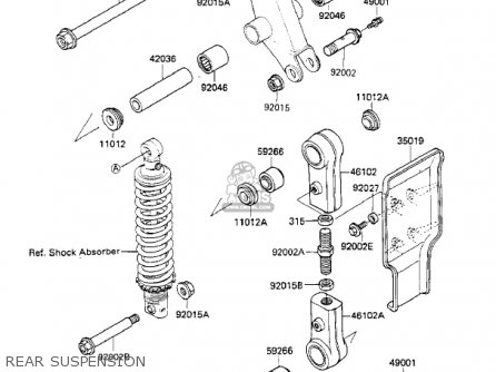
REAR SUSPENSION
21 products
FOOTRESTS
7 products
FENDERS
13 products
STAND
6 products
WHEELS/TIRES
15 products
FRONT HUB
7 products
REAR HUB/BRAKE/CHAIN
32 products
BRAKE PEDAL/TORQUE LINK
18 products
SHOCK ABSORBER
24 products
GASKET KIT
11 products
FRONT MASTER CYLINDER
24 products
FRONT BRAKE
15 products
HANDLEBAR
26 products
FRONT FORK
43 products
FUEL TANK
21 products
SEAT
3 products
CABLES
3 products
SIDE COVERS
4 products
OWNER TOOLS
2 products
LABELS
5 products
NUMBER PLATE
2 products
GEAR CHANGE DRUM & FORKS
7 products
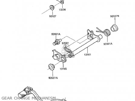
GEAR CHANGE MECHANISM
13 products
CRANKCASE
24 products
ENGINE COVERS/WATER PUMP
44 products
up
popular products
920261136
SPACER,22.2X37X1.0
Kawasaki
131681248
LEVER,GOVERNOR
Kawasaki
110091478
GASKET,LH,RESONATOR (MCA)
Kawasaki
920271839
COLLAR,15.2X17X4
Kawasaki