×
Genuine KE Kawasaki Parts delivered quickly!
home
FRAME
KE100-B17 1998 USA
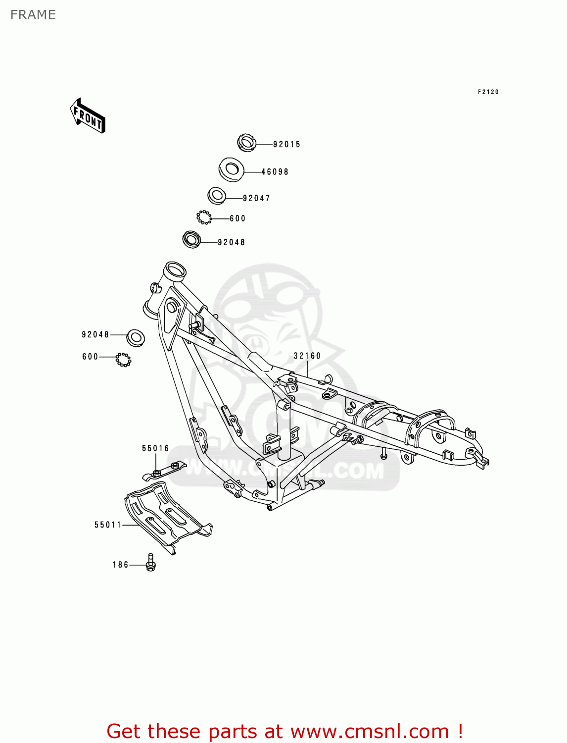
Frame diagram KE100-B17 1998 USA
FRAME KE100-B17 1998 USA
×
prices are in EUR
ref
part #
description
quantity
186
186B0614
ref: 186
BOLT-UPSET-WP
€ 0.50
600
600A0600
ref: 600
BALL-STEEL,3/16
€ 0.50
32160
321601430
ref: 32160
FRAME,COMPLETE
€ 576.50
46098
46098004
ref: 46098
CAP-STEERING STEM
€ 4.00
55011
55011018
ref: 55011
GUARD,ENGINE
€ 25.50
55016
55016007
ref: 55016
BRACKET,ENGINE GUARD
€ 12.50
92015
920151382
ref: 92015
NUT,STEERING STEM LOC
€ 10.50
92047
92047005
ref: 92047
CONE-UPPER BEARING
€ 10.50
92048
92048004
ref: 92048
RACE-BEARING
€ 10.00
up
all assemblies
CYLINDER HEAD/CYLINDER
AIR CLEANER
MUFFLER(S)
CRANKSHAFT/PISTON(S)
KICKSTARTER MECHANISM
CLUTCH
TRANSMISSION
GEAR CHANGE DRUM/SHIFT FORK(S)
GEAR CHANGE MECHANISM
CRANKCASE
ENGINE COVER(S)
CARBURETOR
OIL PUMP
GENERATOR
IGNITION SYSTEM
FRAME
FRAME FITTINGS
SWINGARM/SHOCK ABSORBER
FOOTRESTS
FENDERS
STAND(S)
WHEELS/TIRES
FRONT HUB
REAR HUB
BRAKE PEDAL
HANDLEBAR
FRONT FORK
FUEL TANK
OIL TANK
SEAT
METER(S)
CABLES
SIDE COVERS/CHAIN COVER
HEADLIGHT(S)
TAILLIGHT(S)
TURN SIGNALS
CHASSIS ELECTRICAL EQUIPMENT
IGNITION SWITCH
OWNER'S TOOLS
LABELS(KE100-B16/B17)
PUBLICATIONS
MODEL IDENTIFCATION
up