×
Genuine KDX Kawasaki Parts delivered quickly!
home
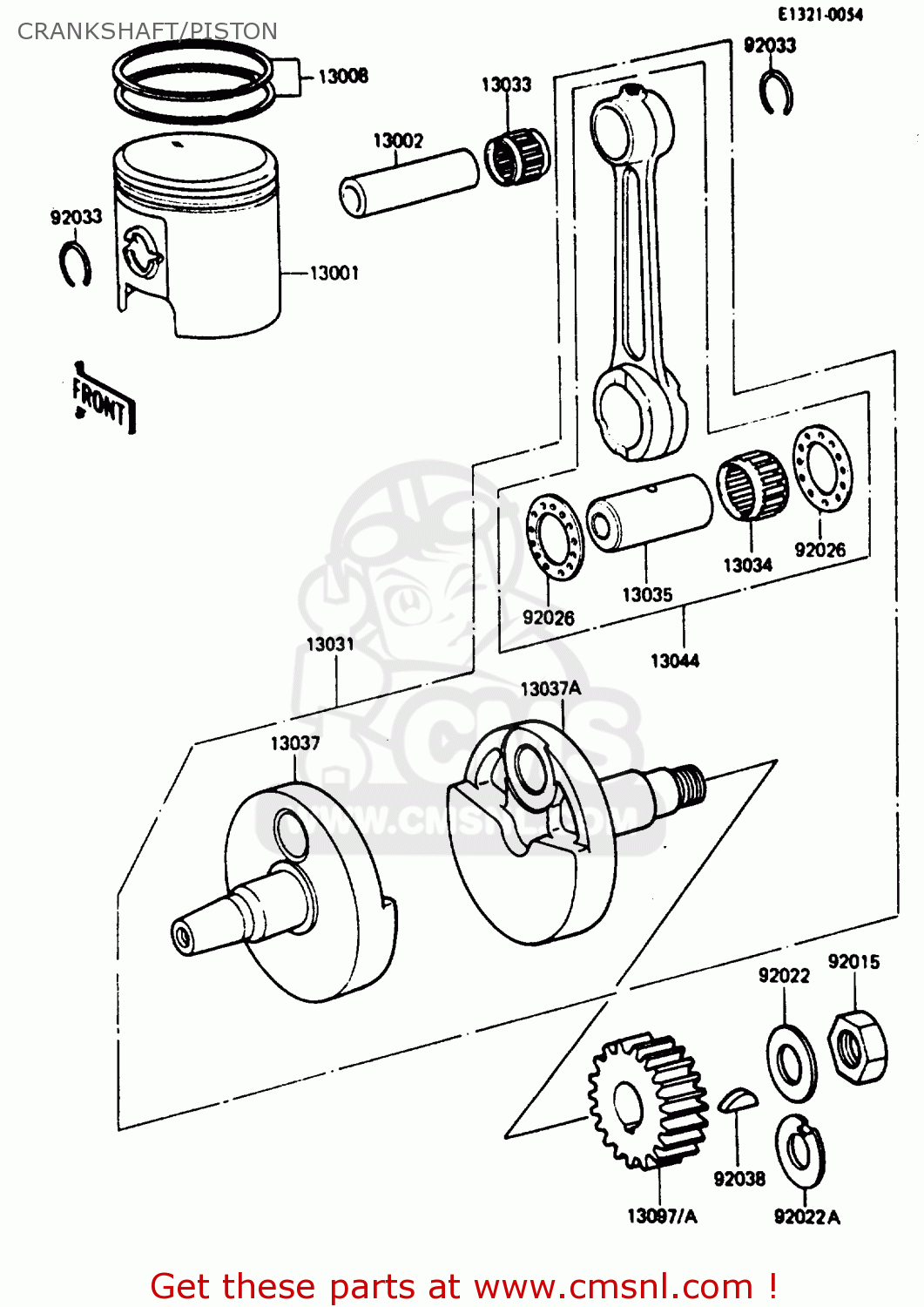
CRANKSHAFT/PISTON
KDX200-B2 1985 AUSTRALIA / KPH
Crankshaft/piston diagram KDX200-B2 1985 AUSTRALIA / KPH
CRANKSHAFT/PISTON KDX200-B2 1985 AUSTRALIA / KPH
×
prices are in EUR
ref
part #
description
quantity
13001
130011160
ref: 13001
PISTON-ENGINE
€ 74.50
13002
130021004
ref: 13002
PIN-PISTON
€ 5.00
13008
130085057
ref: 13008
RING-SET-PISTON
€ 44.50
13031
130311151
ref: 13031
CRANKSHAFT-COMP
€ 384.00
13033
130331007
ref: 13033
BEARING-SMALL END
€ 24.00
13034
130341035
ref: 13034
BEARING-BIG END,SKT22
€ 37.50
13035
130351001
ref: 13035
PIN-CRANK
€ 25.50
13037
130371161
ref: 13037
CRANKSHAFT,LH
€ 148.00
13037A
130371201
ref: 13037A
CRANKSHAFT,RH
€ 145.00
13044
130445035
ref: 13044
SET-CONNECTING ROD
€ 132.00
13097A
130971143
ref: 13097A
GEAR-PRIMARY SPUR,24T
€ 40.50
92015
920151176
ref: 92015
NUT,16MM
€ 3.50
92022A
920221695
ref: 92022A
WASHER
€ 2.00
92026
92026011
ref: 92026
SPACER,22.5X37X1.0
€ 6.50
92033
92036004
ref: 92033
CIRCLIP-PISTON PIN
€ 0.50
92038
92038003
ref: 92038
WOODRUFF KEY-PRY PINI
€ 1.50
up
all assemblies
CHANGE DRUM/SHIFT FORK
GEAR CHANGE MECHANISM
CRANKCASE
ENGINE COVER
CARBURETOR
CYLINDER HEAD/CYLINDER
AIR FILTER
MUFFLER
CRANKSHAFT/PISTON
KICKSTARTER MECHANISM
CLUTCH
TRANSMISSION
GENERATOR
IGNITTION COIL
TIRE
FRONT HUB
REAR HUB
BRAKE PEDAL
SHOCK ABSORBER
FRAME
FRAME FITTING
SWING ARM
SUSPENSION
STEP
FENDER
STAND
HEAD LAMP
TAIL LAMP
TURN SIGNAL
ELECTRICAL EQUIPMENT
IGNITION SWITCH
HANDLEBAR
FRONT FORK
FUEL TANK
SEAT
METER
CABLE
SIDE COVER/CHAIN CASE
TOOL
LABEL
ACCESSORY
PUBLICATIONS
MODEL IDENTIFICATION
up