×
Genuine F Kawasaki Parts delivered quickly!
home
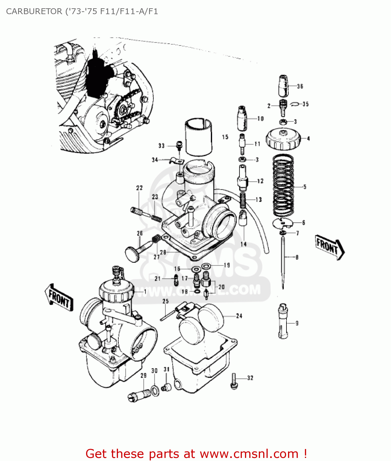
CARBURETOR ('73-'75 F11/F11-A/F1
F11B 1975 USA
Carburetor ('73-'75 f11/f11-a/f1 diagram F11B 1975 USA
CARBURETOR ('73-'75 F11/F11-A/F1 F11B 1975 USA
×
prices are in EUR
ref
part #
description
quantity
1
16001171
ref: 1
F11
CARBURETOR ASSY
€ 313.50
1
16001171
ref: 1
F11A
CARBURETOR ASSY
€ 313.50
2
16002010
ref: 2
CABLE ADJUSTER
€ 8.00
3
16003006
ref: 3
NUT-CABLE ADJUST LOCK
€ 4.50
4
16004018
ref: 4
F11
CAP-CHAMBER,MIXING
€ 15.00
4
16004020
ref: 4
F11A
CAP,MIXING CHAMBER
€ 6.00
5
16006006
ref: 5
F11
SPRING-THROTTLE VALVE
€ 2.50
5
16006007
ref: 5
F11A
SPRING-THROTTLE VALVE
€ 4.00
6
16007017
ref: 6
SPRING SEAT-THRTL VLV
€ 4.00
7
16008010
ref: 7
CLAMP,E-TYPE
€ 5.00
8
16009049
ref: 8
JET NEEDLE 5DJ19
€ 20.50
9
16017061
ref: 9
F11
NEEDLE JET,O-8
€ 18.00
9
16017063
ref: 9
F11A
NEEDLE JET,O-6
€ 17.50
10
16036007
ref: 10
BOOT,CABLE ADJUSTER
€ 10.50
11
16002002
ref: 11
ADJUSTER-CABLE,STARTE
€ 8.00
12
16012008
ref: 12
CAP-STARTER PLUNGER
€ 4.00
13
16013003
ref: 13
SPRING-STARTER PLUNG
€ 4.00
14
16016002
ref: 14
PLUNGER,STARTER
€ 20.00
15
16025050
ref: 15
F11
VALVE-THROTTLE,CA2.5
€ 36.50
15
16025047
ref: 15
F11A
VALVE-THROTTLE CA2.5
€ 64.00
16
16034001
ref: 16
WASHER-MAIN JET
€ 2.50
17
16065014
ref: 17
HOLDER-NEEDLE JET
€ 15.00
18
92055044
ref: 18
'O' RING
€ 7.00
19
16029004
ref: 19
WASHER-FLOAT VLV SEAT
€ 2.50
20
16030005
ref: 20
VALVE-FLOAT,2.5
€ 43.00
21
92064024
ref: 21
F11
JET-PILOT,#40
€ 14.00
21
92064022
ref: 21
F11A
PILOT JET #30 ISO
€ 11.50
22
16014006
ref: 22
SCREW-PILOT AIR
€ 9.00
23
16022007
ref: 23
SPRING-THR STOP SCREW
€ 5.50
24
16031023
ref: 24
FLOAT
€ 22.50
25
16032003
ref: 25
FLOAT PIN
€ 4.00
26
16021017
ref: 26
SCREW-THROTTLE STOP
€ 13.50
27
16022005
ref: 27
SPRING-THR STOP SCREW
€ 5.50
28
16019008
ref: 28
GASKET,FLOAT CHAMBER (NAS)
€ 27.00
29
92001118
ref: 29
BOLT-BANJO
€ 6.00
30
16034006
ref: 30
WASHER-BANJO BOLT
€ 1.00
31
92063075
ref: 31
STD F11;OPT F11A/B
MAIN JET,#112.5R
€ 10.00
31
92063076
ref: 31
OPT F11; STD F11A/B
MAIN JET,#115R
€ 5.50
31
92063073
ref: 31
F11
JET-MAIN,#107.5R
€ 9.50
31
920631038
ref: 31
F11A/B
JET-MAIN,#A110
€ 10.50
31
92063077
ref: 31
F11A/B
JET-MAIN,#117.5R
€ 10.00
31
92063078
ref: 31
F11A/B
MAIN JET,#120R
€ 11.50
32
16033009
ref: 32
SCREW-FLOAT CHAMBER
€ 0.50
33
16033014
ref: 33
SCREW-CLAMP
€ 3.00
34
16053004
ref: 34
CLAMP
€ 1.00
35
92036018
ref: 35
CIRCLIP
€ 2.50
36
16036009
ref: 36
CAP-CABLE ADJUSTER
€ 1.00
up
all assemblies
KICKSTARTER MECHANISM ('73-'75 F
ENGINE COVERS ('73-'75 F11/F11-A
OIL PUMP
CARBURETOR ('73-'75 F11/F11-A/F1
AIR CLEANER/MUFFLER ('73-'75 F11
FUEL TANK (F11-A/B)
SIDE COVER/OIL TANK
SEAT (F11-A/B)
CABLES ('73-'75 F11/F11-A/F11-B)
METERS/IGNITION SWITCH
WHEELS/TIRES ('73-'75 F11/F11-A/
FRONT HUB/BRAKE ('73-'75 F11/F11
REAR HUB/BRAKE/CHAIN (F11-A/F11-
FENDERS ('73-'75 F11/F11-A/F11-B
FUEL TANK/SEAT
OWNER TOOLS/SPECIAL SERVICE TOOL
FRAME/FRAME FITTINGS/FOOTRESTS/B
HANDLEBAR
REAR HUB/BRAKE/CHAIN
HEADLIGHT/TAILLIGHT
TURN SIGNALS
CHASSIS ELECTRICAL EQUIPMENT
ONWER TOOLS/SPECIAL SERVICE TOOL
CYLINDER HEAD/CYLINDER ('73-'75
CRANKSHAFT/PISTON ('73-'75 F11/F
CRANKCASE ('73-'75 F11/F11-A/F11
CLUTCH ('73-'75 F11/F11-A/F11-B)
TRANSMISSION/CHANGE DRUM ('73-'7
GEAR CHANGE MECHANISM ('73-'75 F
IGNITION
GENERATOR/RECTIFIER
FRAME/FRAME FITTINGS/BATTERY CAS
SWING ARM/SHOCK ABSORBERS ('73-'
FOOTRESTS/STAND/BRAKE PEDAL
HANDLEBAR (F11-B)
FRONT FORK ('73-'75 F11/F11-A/F1
up