×
Genuine F Kawasaki Parts delivered quickly!
home
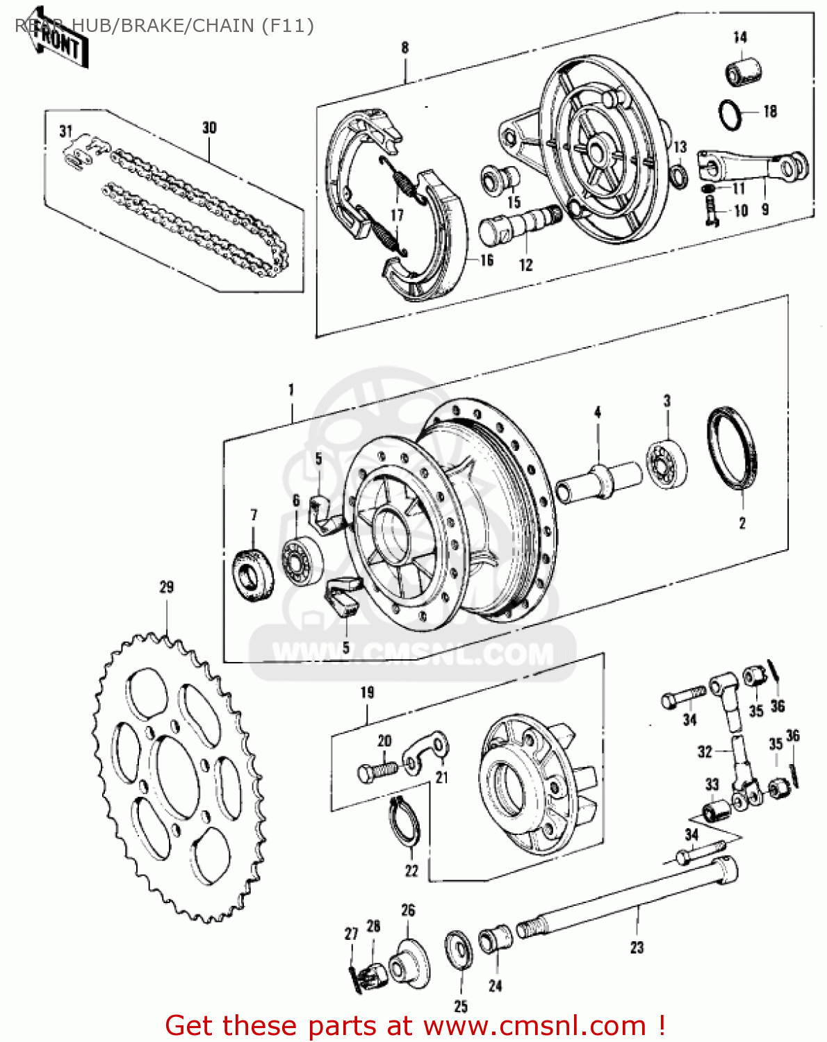
REAR HUB/BRAKE/CHAIN (F11)
F11 1973 USA
Rear hub/brake/chain (f11) diagram F11 1973 USA
REAR HUB/BRAKE/CHAIN (F11) F11 1973 USA
×
prices are in EUR
ref
part #
description
quantity
1
4200502780
ref: 1
BUFF FINISH
DRUM ASY-RR BR,BUFF
€ 153.00
2
657G506506
ref: 2
OIL SEAL,#50656
€ 7.00
3
601B6203Z
ref: 3
BEARING-BALL,#6203ZC3
€ 24.00
4
42010025
ref: 4
SPACER,RR BRAKE DRUM
€ 4.50
5
42014020
ref: 5
DAMPER-REAR HUB SHOCK
€ 10.50
6
601B6203
ref: 6
BEARING-BALL,#6203C3
€ 10.50
7
92052003
ref: 7
OIL SEAL-COUPLING
€ 8.50
8
4200602321
ref: 8
FLAT BLACK
PANEL ASY-RR BR,BLACK
€ 105.00
9
42029018
ref: 9
LEVER-BRAKE CAM
€ 25.50
10
112G0625
ref: 10
BOLT-UPSET,6X25
€ 4.00
11
410B0600
ref: 11
WASHER-PLAIN-SMALL,6M
€ 0.50
12
42026022
ref: 12
CAMSHAFT,RR BRAKE PNL
€ 13.00
12
42026022
ref: 12
CAMSHAFT,RR BRAKE PNL
€ 13.00
13
41051001
ref: 13
DUST SHIELD-BRAKE CAM
€ 2.50
14
92092008
ref: 14
BUSH-RR BRK PEDAL RUB
€ 2.50
15
42032032
ref: 15
COLLAR-REAR HUB
€ 6.00
16
42019011
ref: 16
SHOE,BRAKE (MCA)
€ 18.50
16
42019011
ref: 16
SHOE,BRAKE (MCA)
€ 18.50
17
42020004
ref: 17
SPRING-BRAKE SHOE
€ 5.50
18
670B3034
ref: 18
O RING
€ 1.00
19
4200801121
ref: 19
COUPLING ASSY,RR BRK
€ 121.00
20
92001109
ref: 20
BOLT-REAR SPROCKET
€ 2.50
21
92088007
ref: 21
WASHER,LOCK
€ 8.00
22
480J5200
ref: 22
CIRCLIP,52MM
€ 3.00
23
42031031
ref: 23
AXLE-REAR
€ 24.00
24
42032035
ref: 24
COLLAR-REAR AXLE,R.H
€ 4.50
25
41042010
ref: 25
DUST SHIELD-CAM SHAFT
€ 3.00
26
42032034
ref: 26
COLLAR-REAR AXLE,L.H
€ 7.00
27
550D4035
ref: 27
PIN-COTTER,4.0X35
€ 1.00
28
92015055
ref: 28
NUT,16MM
€ 8.00
29
42041107
ref: 29
STD
REAR SPROCKET 44T
€ 36.00
29
42041116
ref: 29
OPTION
REAR SPROCKET 42T
€ 75.00
29
42041117
ref: 29
OPTION
REAR SPROCKET 46T
€ 75.00
30
92057013
ref: 30
NO. 525 SH, 100L
CHAIN ASSY-DRIVE
€ 44.50
30
92057037
ref: 30
CHAIN ASSY,DRIVE,100L
€ 44.50
31
92058006
ref: 31
NO. 525
JOINT-DRIVE CHAIN
€ 4.00
32
43007030
ref: 32
TORQUE LINK-REAR BRK
€ 8.00
33
92092008
ref: 33
BUSH-RR BRK PEDAL RUB
€ 2.50
34
92003085
ref: 34
BOLT-HEX HEAD,10X42
€ 1.50
35
321B1000
ref: 35
NUT-CASTLE,10MM
€ 2.50
36
550D2520
ref: 36
PIN-COTTER,2.5X20
€ 1.00
up
all assemblies
KICKSTARTER MECHANISM ('73-'75 F
ENGINE COVERS ('73-'75 F11/F11-A
OIL PUMP
CARBURETOR ('73-'75 F11/F11-A/F1
AIR CLEANER/MUFFLER ('73-'75 F11
FUEL TANK (F11)
SIDE COVER/OIL TANK
SEAT (F11)
CABLES ('73-'75 F11/F11-A/F11-B)
METERS/IGNITION SWITCH
WHEELS/TIRES ('73-'75 F11/F11-A/
FRONT HUB/BRAKE ('73-'75 F11/F11
REAR HUB/BRAKE/CHAIN (F11)
FENDERS ('73-'75 F11/F11-A/F11-B
FUEL TANK/SEAT
OWNER TOOLS/SPECIAL SERVICE TOOL
FRAME/FRAME FITTINGS/FOOTRESTS/B
HANDLEBAR
REAR HUB/BRAKE/CHAIN
HEADLIGHT/TAILLIGHT
TURN SIGNALS
CHASSIS ELECTRICAL EQUIPMENT
ONWER TOOLS/SPECIAL SERVICE TOOL
CYLINDER HEAD/CYLINDER ('73-'75
CRANKSHAFT/PISTON ('73-'75 F11/F
CRANKCASE ('73-'75 F11/F11-A/F11
CLUTCH ('73-'75 F11/F11-A/F11-B)
TRANSMISSION/CHANGE DRUM ('73-'7
GEAR CHANGE MECHANISM ('73-'75 F
IGNITION
GENERATOR/RECTIFIER
FRAME/FRAME FITTINGS/BATTERY CAS
SWING ARM/SHOCK ABSORBERS ('73-'
FOOTRESTS/STAND/BRAKE PEDAL
FRONT FORK ('73-'75 F11/F11-A/F1
up