×
Genuine EX Kawasaki Parts delivered quickly!
home
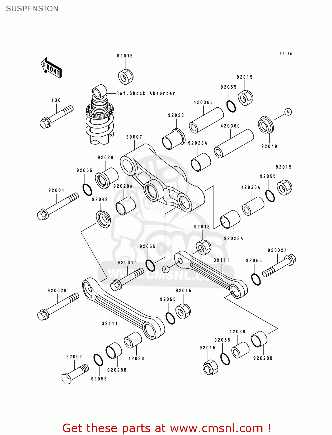
SUSPENSION
EX500C1 GPZ500S 1992 AUSTRIA
Suspension diagram EX500C1 GPZ500S 1992 AUSTRIA
SUSPENSION EX500C1 GPZ500S 1992 AUSTRIA
×
prices are in EUR
ref
part #
description
quantity
130
130G1250
ref: 130
BOLT-FLANGED
€ 4.00
39007
390071120
ref: 39007
ARM-SUSP,UNI TRAK
€ 184.00
39111
391111072
ref: 39111
ROD-TIE,UNI TRAK
€ 51.50
42036
420361076
ref: 42036
SLEEVE,12.1X20X22
€ 12.00
42036A
420361077
ref: 42036A
SLEEVE,ARM,RR
€ 11.50
42036B
420361078
ref: 42036B
SLEEVE,ARM,FR
€ 17.00
42036C
420361102
ref: 42036C
SLEEVE,12.1X20X74
€ 19.50
92001
920011937
ref: 92001
BOLT,12X90
€ 10.50
92001A
920011938
ref: 92001A
BOLT,12X55
€ 8.50
92002
920021065
ref: 92002
BOLT,12X45
€ 7.50
92002A
920021885
ref: 92002A
BOLT,FLANGED,12X60
€ 7.00
92002B
920021886
ref: 92002B
BOLT,FLANGED,12X100
€ 11.50
92015
920151375
ref: 92015
NUT,12MM
€ 4.50
92028
920281200
ref: 92028
BUSHING,FLANGED
€ 6.50
92028A
920281201
ref: 92028A
BUSHING,20X23X25L
€ 5.00
92028B
920281202
ref: 92028B
BUSHING,20X23X15L
€ 18.00
92049
920491109
ref: 92049
SEAL-OIL,ARM,CNT
€ 6.50
92055
920551215
ref: 92055
RING-O,19.8X2.2
€ 2.50
up
all assemblies
CYLINDER HEAD
CYLINDER HEAD COVER
CYLINDER/PISTON
AIR FILTER
MUFFLER
VALVE
CAMSHAFT/TENSIONER
CRANKSHAFT
CLUTCH
TRANSMISSION
CHANGE DRUM/SHIFT FORK
GEAR CHANGE MECHANISM
CRANKCASE
CRANKCASE BOLT PATTERN
ENGINE COVER
BREATHER BODY/OIL PAN
CARBURETOR
CARBURETOR PARTS
OIL PUMP
GENERATOR
IGNITION COIL
STARTER MOTOR
WATER PUMP
RADIATOR
1992 EX500-C1 FG EBONY / PEARL GENTRY GRAY
1992 EX500-C1 GP CANDY CARDINAL RED / PEARL ALPINE WHITE
1992 EX500-C1 S3 LUMINOUS POLARIS BLUE / PEARL ALPINE WH
FRAME
FRAME FITTING
ELECTRO BRACKET
SWING ARM
SUSPENSION
STEP
FENDER
STAND
TIRE
FRONT HUB
REAR HUB
BRAKE PEDAL
SHOCK ABSORBER
FRONT MASTER CYLINDER
FRONT CALIPER
HANDLEBAR
FRONT FORK
FUEL TANK
SEAT
METER
CABLE
SIDE COVER/CHAIN CASE
HEAD LAMP
TAIL LAMP
TURN SIGNAL
ELECTRICAL EQUIPMENT
IGNITION SWITCH
TOOL
LABEL
DECAL(EBONY/GRAY)
DECAL(BLUE/WHITE)
COWLING
COWLING LOWERS
Publications
Model Identification
up