×
Genuine unknown Kawasaki Parts delivered quickly!
home
S3A MACH II 1975 USA CANADA
CYLINDER HEADS/CYLINDERS ('74-'7
18 products
CRANKSHAFT/PISTONS ('74-'75 S3/S
24 products
CRANKCASE ('74-'75 S3/S3-A)
33 products
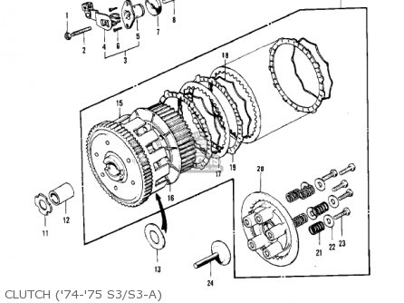
CLUTCH ('74-'75 S3/S3-A)
27 products
TRANSMISSION/CHANGE DRUM ('74-'7
49 products
GEAR CHANGE MECHANISM ('74-'75 S
27 products
FRAME/FRAME FITTINGS
58 products
SWING ARM/SHOCK ABSORBERS
32 products
FOOTRESTS/STANDS/BRAKE PEDAL
41 products
HANDLEBAR
42 products
FRONT FORK
48 products
IGNITION/GENERATOR/REGULATOR ('7
42 products
KICKSTARTER MECHANISM ('74-'75 S
20 products
ENGINE COVERS ('74-'75 S3/S3-A)
39 products
OIL PUMP ('74-'75 S3/S3-A)
23 products
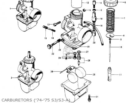
CARBURETORS ('74-'75 S3/S3-A)
37 products
AIR CLEANER/MUFFLERS ('74-'75 S3
29 products
REAR HUB/BRAKE/CHAIN
37 products
FENDERS
26 products
FUEL TANK
19 products
SIDE COVERS/OIL TANK/CHAIN COVER
32 products
SEAT/SEAT COVER
41 products
CABLES
9 products
METERS/IGNITION SWITCH
43 products
FRONT FORK ('74-'75 S3/S3-A)
62 products
FRONT MASTER CYLINDER ('74-'75 S
35 products
FRONT BRAKE ('74-'75 S3/S3-A)
26 products
WHEELS/TIRES ('74-'75 S3/S3-A)
17 products
FRAME/FRAME FITTINGS ('74-'75 S3
49 products
SWING ARM/SHOCK ABSORBERS ('74-'
32 products
FOOTRESTS/STANDS/BRAKE PEDAL ('7
44 products
HANDLEBAR ('74-'75 S3/S3-A)
51 products
KICKSTARTER MECHANISM ('76-'78 A
20 products
ENGINE COVERS ('76-'78 A3/A4/A5)
31 products
OIL PUMP ('76-'78 A3/A4/A5)
23 products
CARBURETORS
36 products
AIR CLEANERS/MUFFLERS
29 products
OPTIONAL PARTS
18 products
FRONT MASTER CYLINDER (KH400-A3/
39 products
FRONT MASTER CYLINDER (KH400-A5)
31 products
FRONT BRAKE
28 products
WHEELS/TIRES
27 products
FRONT HUB
22 products
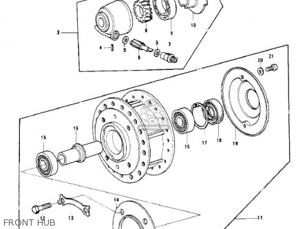
FRONT HUB ('74-'75 S3/S3-A)
21 products
REAR HUB/BRAKE/CHAIN ('74-'75 S3
41 products
FENDERS ('73-'74 S3/S3-A)
28 products
FUEL TANK ('74-'75 S3/S3-A)
18 products
SIDE COVERS/OIL TANK/CHAIN COVER
32 products
SEAT/SEAT COVER ('74-'75 S3/S3-A
36 products
CABLES ('74-'75 S3/S3-A)
9 products
OWNER TOOLS ('74-'75 S3/S3-A)
20 products
OPTIONAL PARTS ('74-'75 S3/S3-A)
18 products
METERS/IGNITION SWITCH ('74-'75
43 products
HEADLIGHT ('74-'75 S3/S3-A)
19 products
TAILLIGHT ('74-'75 S3/S3-A)
16 products
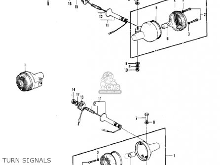
TURN SIGNALS ('74-'75 S3/S3-A)
18 products
CHASSIS ELECTRICAL EQUIPMENT ('7
20 products
CYLINDER HEADS/CYLINDERS ('76-'7
19 products
CRANKSHAFT/PISTONS ('76-'78 A3/A
24 products
CRANKCASE ('76-'78 A3/A4/A5)
34 products
CLUTCH ('76-'78 A3/A4/A5)
27 products
TRANSMISSION/CHANGE DRUM ('76-'7
47 products
GEAR CHANGE MECHANISM ('76-'78 A
27 products
HEADLIGHT
18 products
TAILLIGHT
16 products
TURN SIGNALS
21 products
CHASSIS ELECTRICAL EQUIPMENT
22 products
OWNER TOOLS
16 products
IGNITION/GENERATOR/REGULATOR
42 products
up
popular products
130881015
PLATE-FRICTION (NAS)
Kawasaki
23066001
DAMPER
Kawasaki
92069060
BULB.12V 23/8W
Kawasaki
92048006
RACE-STRNG BEARIN-STE
Kawasaki