×
Genuine unknown Kawasaki Parts delivered quickly!
home
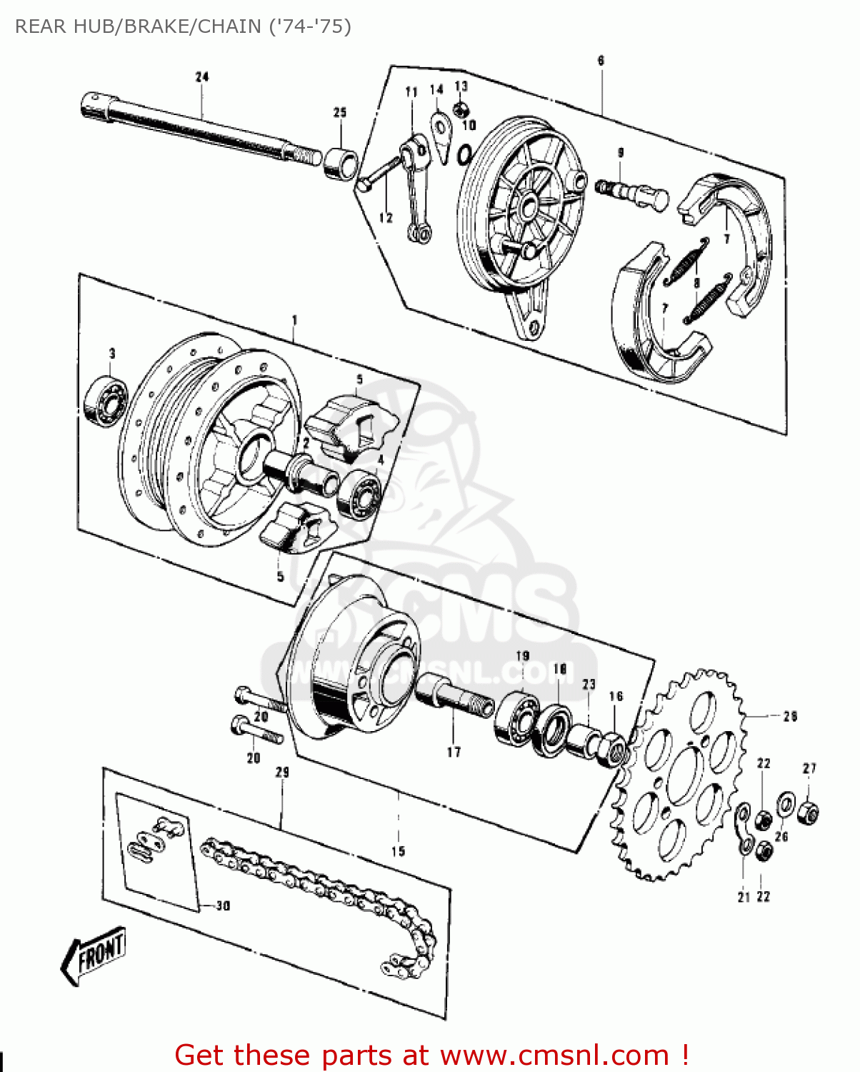
REAR HUB/BRAKE/CHAIN ('74-'75)
G4TRE 1975 USA CALIFORNIA
Rear hub/brake/chain ('74-'75) diagram G4TRE 1975 USA CALIFORNIA
REAR HUB/BRAKE/CHAIN ('74-'75) G4TRE 1975 USA CALIFORNIA
×
prices are in EUR
ref
part #
description
quantity
1
4200503180
ref: 1
DRUM ASY,RR BR,BUFF
€ 263.50
2
42010005
ref: 2
COLLAR,L=58
€ 8.50
3
601B6201
ref: 3
BEARING-BALL,#6201C3
€ 7.00
4
601B6301Z
ref: 4
BEARING-BALL,#6301ZC3
€ 15.00
5
42014016
ref: 5
DAMPER,RR HUB SHOCK
€ 12.50
6
4200604180
ref: 6
G4TR-D/E
REAR BRAKE PANEL ASSEMBLY,BUFF
€ 317.00
6
4200606580
ref: 6
KV100-A7
REAR BRAKE PANEL ASSEMBLY,BUFF
€ 248.00
7
410481085
ref: 7
SHOE-BRAKE (NAS)
€ 13.00
8
920811766
ref: 8
SPRING,BRAKE SHOE
€ 5.50
9
41050018
ref: 9
G4TR-D
CAM-BRAKE
€ 18.00
9
42026018
ref: 9
G4TR-E, KV100-A7
CAM-BRAKE
€ 19.50
10
92055004
ref: 10
RING-O,BRAKE CAM
€ 3.00
11
42029029
ref: 11
REAR BRAKE PANEL LEVER
€ 45.50
12
112G0630
ref: 12
BOLT-UPSET
€ 1.00
13
41072007
ref: 13
NUT,6MM
€ 2.50
14
41085003
ref: 14
INDICATOR,BRAKE SHOE
€ 9.00
15
42033011
ref: 15
COUPLING-ASSY,RR HUB
€ 87.50
16
42045004
ref: 16
NUT,16MM
€ 4.00
17
42036002
ref: 17
SLEEVE,RR HUB COUPLIN
€ 30.00
18
92052003
ref: 18
OIL SEAL-COUPLING
€ 8.50
19
601B6203
ref: 19
BEARING-BALL,#6203C3
€ 10.50
20
92001082
ref: 20
BOLT-REAR SPROCKET
€ 2.00
21
92088011
ref: 21
WASHER,LOCK
€ 3.00
22
315B1000
ref: 22
NUT,10MM
€ 0.50
23
42037003
ref: 23
COLLAR,17X25X12.5
€ 7.50
24
410681109
ref: 24
AXLE,12X215
€ 26.00
25
42032002
ref: 25
COLLAR,12.2X22X30.5
€ 9.00
26
410B1200
ref: 26
G4TR-D/E
WASHER-PLAIN-SMALL,12
€ 0.50
26
411B1200
ref: 26
KV100-A7
WASHER-PLAIN,12MM
€ 0.50
27
42045005
ref: 27
NUT,10MM
€ 5.00
28
42041076
ref: 28
STD
REAR SPROCKET 42T
€ 28.00
28
420411095
ref: 28
SPROCKET-HUB,40T
€ 28.50
29
920571085
ref: 29
CHAIN,DRIVE,EK428-G
€ 32.50
30
920581014
ref: 30
JOINT-CHAIN,EK428-G
€ 3.50
up
all assemblies
FRONT FORK G4TR-B ('70-'73)
FRONT FORK G4TR-C ('70-'73)
WHEELS/TIRES ('70-'73)
FRONT HUB/BRAKE ('70-'73)
REAR HUB/BRAKE/CHAIN ('70-'73)
FENDERS G4TR/A ('70-'73)
FENDERS G4TR-B/C ('70-'73)
METERS/IGNITION SWITCH G4TR-C ('
HEADLIGHT ('70-'73)
TAILLIGHT G4TR/A ('70-'73)
TAILLIGHT G4TR-B ('70-'73)
TAILLIGHT G4TR-C ('70-'73)
TURN SIGNALS G4TR-B OPTIONAL ('7
TURN SIGNALS G4TR-C ('70-'73)
FUEL TANK ('70-'73)
OIL TANK/CHAIN COVER ('70-'73)
SEAT/CARRIER ('70-'73)
CABLES ('70-'73)
METER/IGNITION SWITCH G4TR/A/B (
CYLINDER HEAD/CYLINDER ('74-'75)
CRANKSHAFT/PISTON/ROTARY VALVE (
CRANKCASE ('74-'75)
CLUTCH ('74-'75)
TRANSMISSION/CHANGE DRUM ('74-'7
GEAR CHANGE MECHANISM ('74-'75)
CHASSIS ELECTRICAL EQUIPMENT ('7
OWNER TOOLS/SPECIAL SERVICE TOOL
CARBURETOR G4TR-E,KV100-A7 ('74-
AIR CLEANER/MUFFLER ('74-'75)
IGNITION/GENERATOR ('74-'75)
CYLINDER HEAD/CYLINDER ('70-'73)
CRANKSHAFT/PISTON/ROTARY VALVE (
CRANKCASE ('70-'73)
CLUTCH ('70-'73)
TRANSMISSION/CHANGE DRUM ('70-'7
GEAR CHANGE MECHANISM ('70-'73)
FRAME/FRAME FITTINGS ('74-'75)
SWING ARM/SHOCK ABSORBERS ('74-'
FOOTRESTS/STAND/BRAKE PEDAL ('74
HANDLEBAR ('74-'75)
FRONT FORK ('74-'75)
WHEELS/TIRES ('74-'75)
CARBURETOR ('70-'73)
AIR CLEANER ('70-'73)
MUFFLER ('70-'73)
IGNITION/GENERATOR ('70-'73)
KICKSTARTER MECHANISM ('70-'73)
ENGINE COVERS G4TR/A ('70-'73)
ENGINE COVERS G4TR-B/C ('70-'73)
OIL PUMP ('70-'73)
HANDLEBAR G4TR-C ('70-'73)
FRONT FORK G4TR/A ('70-'73)
SEAT/CARRIER ('74-'75)
CABLES ('74-'75)
METER/IGNITION SWITCH ('74-'75)
HEADLIGHT G4TR-D/E ('74-'75)
HEADLIGHT KV100-A7 ('74-'75)
TAILLIGHT ('74-'75)
TURN SIGNALS ('74-'75)
CHASSIS ELECTRICAL EQUIPMENT ('7
OWNER TOOLS G4TR/A/B ('70-'73)
OWNER TOOLS G4TR-C ('70-'73)
FRAME/FRAME FITTINGS ('70-'73)
SWING ARM/SHOCK ABSORBERS ('70-'
FOOTRESTS/STAND/BRAKE PEDAL G4TR
FOOTRESTS/STAND/BRAKE PEDAL G4TR
HANDLEBAR G4TR/A ('70-'73)
HANDLEBAR G4TR-B ('70-'73)
KICKSTARTER MECHANISM ('74-'75)
ENGINE COVERS ('74-'75)
OIL PUMP ('74-'75)
CARBURETOR G4TR-D ('74-'75)
FRONT HUB/BRAKE ('74-'75)
REAR HUB/BRAKE/CHAIN ('74-'75)
FENDERS ('74-'75)
FUEL TANK ('74-'75)
OIL TANK/CHAIN COVER ('74-'75)
up