×
Genuine unknown Kawasaki Parts delivered quickly!
home
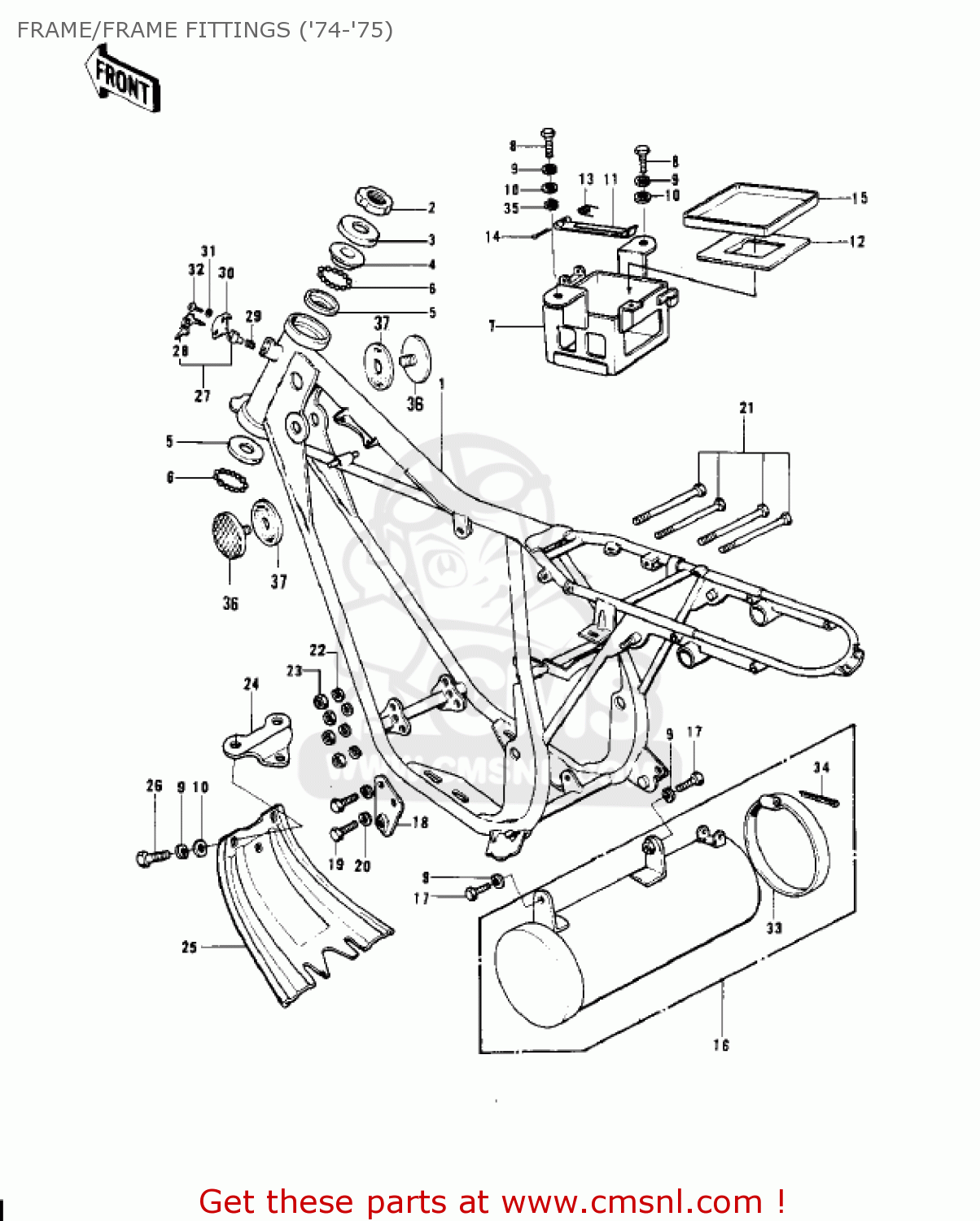
FRAME/FRAME FITTINGS ('74-'75)
G4TRC 1973 USA CANADA
Frame/frame fittings ('74-'75) diagram G4TRC 1973 USA CANADA
FRAME/FRAME FITTINGS ('74-'75) G4TRC 1973 USA CANADA
×
prices are in EUR
ref
part #
description
quantity
1
32002073
ref: 1
G4TR-D
FRAME
€ 449.00
1
32002111
ref: 1
G4TR-E
FRAME
€ 801.50
1
32002138
ref: 1
KV100-A7
FRAME
€ 929.50
2
92090006
ref: 2
NUT-STEERING STEM LCK
€ 10.50
3
46098004
ref: 3
CAP-STEERING STEM
€ 4.00
4
92047006
ref: 4
CONE-STRNG STEM
€ 11.00
5
92048004
ref: 5
RACE-BEARING
€ 10.00
6
600A0600
ref: 6
BALL-STEEL,3/16
€ 0.50
7
32097029
ref: 7
BATTERY CASE
€ 95.50
8
112G0616
ref: 8
BOLT UPSET,6X16
€ 1.00
9
461F0600
ref: 9
WASHER-SPRING,6MM
€ 0.50
10
411B0600
ref: 10
WASHER-PLAIN,6MM
€ 0.50
11
92072037
ref: 11
BAND-BATTERY
€ 2.50
12
32103024
ref: 12
DAMPER,BATTERY
€ 4.50
13
92083017
ref: 13
SPRING-RETURN
€ 1.50
14
550D2535
ref: 14
PIN-COTTER,2.5X35
€ 1.50
15
32103018
ref: 15
MAT-BATTERY
€ 2.00
16
32098021
ref: 16
TOOLCASE
€ 95.50
17
112G0612
ref: 17
BOLT-UPSET
€ 2.50
18
32029065
ref: 18
ENGINE MOUNT BRACKET
€ 17.00
19
115G0820
ref: 19
BOLT,8X20
€ 2.00
20
461F0800
ref: 20
WASHER-SPRING,8MM
€ 0.50
21
920011246
ref: 21
BOLT,HEX HEAD,10X117
€ 7.00
22
461F1000
ref: 22
WASHER-SPRING,10MM
€ 0.50
23
314B1000
ref: 23
NUT,10MM
€ 0.50
24
55012003
ref: 24
ENGINE GUARD BRACKET
€ 18.50
25
55011019
ref: 25
ENGINE GUARD
€ 43.50
26
112B0614
ref: 26
BOLT-UPSET 6X14
€ 2.50
27
27016042
ref: 27
LOCK-ASSY,STEERING
€ 36.00
28
2700806301
ref: 28
KEY SET,#401
€ 19.00
28
2700806310
ref: 28
KEY SET,#410
€ 14.50
29
27032001
ref: 29
SPRING-STEERING LOCK
€ 3.50
30
110121134
ref: 30
CAP,STEERING LOCK
€ 4.50
31
92097003
ref: 31
WASHER
€ 2.50
32
92008007
ref: 32
SCREW-TAPPING
€ 2.50
33
32099005
ref: 33
CAP-TOOL CASE
€ 6.00
34
550D2030
ref: 34
PIN COTTER 2.0X30
€ 1.00
35
464H0600
ref: 35
WASHER-LOCK,6MM
€ 0.50
36
28012009
ref: 36
KV100-A7
REFLECTOR-REFLEX,RR
€ 17.50
37
92094011
ref: 37
KV100-A7
DAMPER,REFLECTOR
€ 3.00
up
all assemblies
FRONT FORK G4TR-B ('70-'73)
FRONT FORK G4TR-C ('70-'73)
WHEELS/TIRES ('70-'73)
FRONT HUB/BRAKE ('70-'73)
REAR HUB/BRAKE/CHAIN ('70-'73)
FENDERS G4TR/A ('70-'73)
FENDERS G4TR-B/C ('70-'73)
METERS/IGNITION SWITCH G4TR-C ('
HEADLIGHT ('70-'73)
TAILLIGHT G4TR/A ('70-'73)
TAILLIGHT G4TR-B ('70-'73)
TAILLIGHT G4TR-C ('70-'73)
TURN SIGNALS G4TR-B OPTIONAL ('7
TURN SIGNALS G4TR-C ('70-'73)
FUEL TANK ('70-'73)
OIL TANK/CHAIN COVER ('70-'73)
SEAT/CARRIER ('70-'73)
CABLES ('70-'73)
METER/IGNITION SWITCH G4TR/A/B (
CYLINDER HEAD/CYLINDER ('74-'75)
CRANKSHAFT/PISTON/ROTARY VALVE (
CRANKCASE ('74-'75)
CLUTCH ('74-'75)
TRANSMISSION/CHANGE DRUM ('74-'7
GEAR CHANGE MECHANISM ('74-'75)
CHASSIS ELECTRICAL EQUIPMENT ('7
OWNER TOOLS/SPECIAL SERVICE TOOL
CARBURETOR G4TR-E,KV100-A7 ('74-
AIR CLEANER/MUFFLER ('74-'75)
IGNITION/GENERATOR ('74-'75)
CYLINDER HEAD/CYLINDER ('70-'73)
CRANKSHAFT/PISTON/ROTARY VALVE (
CRANKCASE ('70-'73)
CLUTCH ('70-'73)
TRANSMISSION/CHANGE DRUM ('70-'7
GEAR CHANGE MECHANISM ('70-'73)
FRAME/FRAME FITTINGS ('74-'75)
SWING ARM/SHOCK ABSORBERS ('74-'
FOOTRESTS/STAND/BRAKE PEDAL ('74
HANDLEBAR ('74-'75)
FRONT FORK ('74-'75)
WHEELS/TIRES ('74-'75)
CARBURETOR ('70-'73)
AIR CLEANER ('70-'73)
MUFFLER ('70-'73)
IGNITION/GENERATOR ('70-'73)
KICKSTARTER MECHANISM ('70-'73)
ENGINE COVERS G4TR/A ('70-'73)
ENGINE COVERS G4TR-B/C ('70-'73)
OIL PUMP ('70-'73)
HANDLEBAR G4TR-C ('70-'73)
FRONT FORK G4TR/A ('70-'73)
SEAT/CARRIER ('74-'75)
CABLES ('74-'75)
METER/IGNITION SWITCH ('74-'75)
HEADLIGHT G4TR-D/E ('74-'75)
HEADLIGHT KV100-A7 ('74-'75)
TAILLIGHT ('74-'75)
TURN SIGNALS ('74-'75)
CHASSIS ELECTRICAL EQUIPMENT ('7
OWNER TOOLS G4TR/A/B ('70-'73)
OWNER TOOLS G4TR-C ('70-'73)
FRAME/FRAME FITTINGS ('70-'73)
SWING ARM/SHOCK ABSORBERS ('70-'
FOOTRESTS/STAND/BRAKE PEDAL G4TR
FOOTRESTS/STAND/BRAKE PEDAL G4TR
HANDLEBAR G4TR/A ('70-'73)
HANDLEBAR G4TR-B ('70-'73)
KICKSTARTER MECHANISM ('74-'75)
ENGINE COVERS ('74-'75)
OIL PUMP ('74-'75)
CARBURETOR G4TR-D ('74-'75)
FRONT HUB/BRAKE ('74-'75)
REAR HUB/BRAKE/CHAIN ('74-'75)
FENDERS ('74-'75)
FUEL TANK ('74-'75)
OIL TANK/CHAIN COVER ('74-'75)
up