×
Genuine unknown Kawasaki Parts delivered quickly!
home
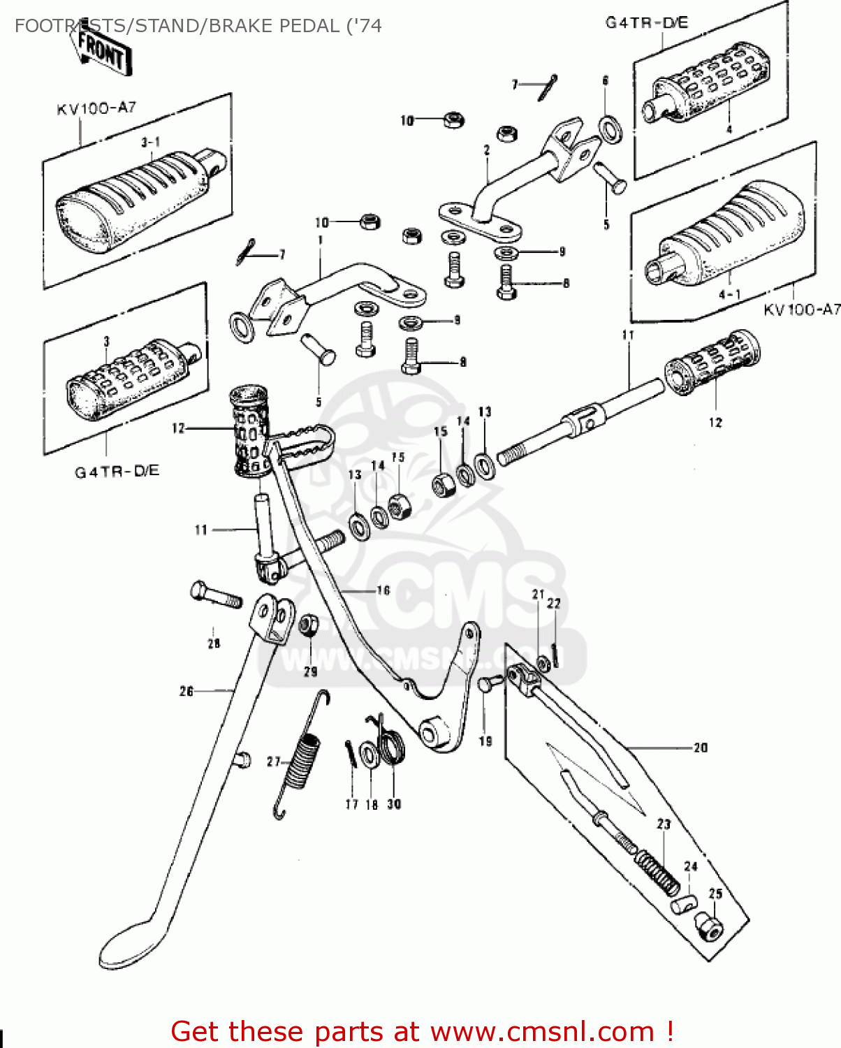
FOOTRESTS/STAND/BRAKE PEDAL ('74
G4TRB 1972 USA CANADA
Footrests/stand/brake pedal ('74 diagram G4TRB 1972 USA CANADA
FOOTRESTS/STAND/BRAKE PEDAL ('74 G4TRB 1972 USA CANADA
×
prices are in EUR
ref
part #
description
quantity
1
34003047
ref: 1
FOOTREST BAR,LH
€ 53.50
2
34003048
ref: 2
FOOTREST BAR,RH
€ 59.50
3
340271114
ref: 3
G4TR-D/E
STEP-ASSY,FR,LH
€ 24.00
3-1
340271114
ref: 3-1
KV100-A7
STEP-ASSY,FR,LH
€ 24.00
4
340271115
ref: 4
G4TR-D/E
STEP-ASSY,FR,RH
€ 24.00
4-1
340271115
ref: 4-1
KV100-A7
STEP-ASSY,FR,RH
€ 24.00
5
92043080
ref: 5
PIN-FOOTREST BAR FIT
€ 3.50
6
92022204
ref: 6
WASHER-PLAIN
€ 0.50
7
550D2516
ref: 7
PIN-COTTER,2.5X16
€ 1.50
8
112B1020
ref: 8
BOLT-UPSET,10X20
€ 3.00
9
410B1000
ref: 9
WASHER-PLAIN-SMALL,10
€ 0.50
10
315B1000
ref: 10
NUT,10MM
€ 0.50
11
34030001
ref: 11
BAR SET,RR,FOOTREST
€ 7.00
12
92076008
ref: 12
RUBBER-REAR FOOTREST
€ 5.50
13
410B1000
ref: 13
WASHER-PLAIN-SMALL,10
€ 0.50
14
461F1000
ref: 14
WASHER-SPRING,10MM
€ 0.50
15
314B1000
ref: 15
NUT,10MM
€ 0.50
16
43001055
ref: 16
BRAKE PEDAL
€ 108.50
17
550D3030
ref: 17
PIN-COTTER,3.0X30
€ 1.50
18
92022085
ref: 18
WASHER,15.3X24X1.2
€ 2.50
19
92043064
ref: 19
PIN-BRAKE ROD FITTING
€ 4.50
20
43010016
ref: 20
BRAKE ROD ASSEMBLY
€ 50.00
21
410B0600
ref: 21
WASHER-PLAIN-SMALL,6M
€ 0.50
22
550D2015
ref: 22
PIN-COTTER,2.0X15
€ 1.00
23
43012001
ref: 23
SPRING,BRAKE ROD
€ 3.00
24
92043039
ref: 24
PIN,BRAKE ROD
€ 4.50
25
92015042
ref: 25
NUT-BRAKE ROD ADJUST
€ 4.00
26
34024028
ref: 26
STAND-SIDE
€ 27.50
27
34023005
ref: 27
SPRING-MAIN STAND
€ 6.50
28
113G1028
ref: 28
BOLT,HEX HEAD,10X28
€ 4.50
29
315B1000
ref: 29
NUT,10MM
€ 0.50
30
43005007
ref: 30
SPRING-BRAKE PEDAL
€ 4.50
up
all assemblies
FRONT FORK G4TR-B ('70-'73)
FRONT FORK G4TR-C ('70-'73)
WHEELS/TIRES ('70-'73)
FRONT HUB/BRAKE ('70-'73)
REAR HUB/BRAKE/CHAIN ('70-'73)
FENDERS G4TR/A ('70-'73)
FENDERS G4TR-B/C ('70-'73)
METERS/IGNITION SWITCH G4TR-C ('
HEADLIGHT ('70-'73)
TAILLIGHT G4TR/A ('70-'73)
TAILLIGHT G4TR-B ('70-'73)
TAILLIGHT G4TR-C ('70-'73)
TURN SIGNALS G4TR-B OPTIONAL ('7
TURN SIGNALS G4TR-C ('70-'73)
FUEL TANK ('70-'73)
OIL TANK/CHAIN COVER ('70-'73)
SEAT/CARRIER ('70-'73)
CABLES ('70-'73)
METER/IGNITION SWITCH G4TR/A/B (
CYLINDER HEAD/CYLINDER ('74-'75)
CRANKSHAFT/PISTON/ROTARY VALVE (
CRANKCASE ('74-'75)
CLUTCH ('74-'75)
TRANSMISSION/CHANGE DRUM ('74-'7
GEAR CHANGE MECHANISM ('74-'75)
CHASSIS ELECTRICAL EQUIPMENT ('7
OWNER TOOLS/SPECIAL SERVICE TOOL
CARBURETOR G4TR-E,KV100-A7 ('74-
AIR CLEANER/MUFFLER ('74-'75)
IGNITION/GENERATOR ('74-'75)
CYLINDER HEAD/CYLINDER ('70-'73)
CRANKSHAFT/PISTON/ROTARY VALVE (
CRANKCASE ('70-'73)
CLUTCH ('70-'73)
TRANSMISSION/CHANGE DRUM ('70-'7
GEAR CHANGE MECHANISM ('70-'73)
FRAME/FRAME FITTINGS ('74-'75)
SWING ARM/SHOCK ABSORBERS ('74-'
FOOTRESTS/STAND/BRAKE PEDAL ('74
HANDLEBAR ('74-'75)
FRONT FORK ('74-'75)
WHEELS/TIRES ('74-'75)
CARBURETOR ('70-'73)
AIR CLEANER ('70-'73)
MUFFLER ('70-'73)
IGNITION/GENERATOR ('70-'73)
KICKSTARTER MECHANISM ('70-'73)
ENGINE COVERS G4TR/A ('70-'73)
ENGINE COVERS G4TR-B/C ('70-'73)
OIL PUMP ('70-'73)
HANDLEBAR G4TR-C ('70-'73)
FRONT FORK G4TR/A ('70-'73)
SEAT/CARRIER ('74-'75)
CABLES ('74-'75)
METER/IGNITION SWITCH ('74-'75)
HEADLIGHT G4TR-D/E ('74-'75)
HEADLIGHT KV100-A7 ('74-'75)
TAILLIGHT ('74-'75)
TURN SIGNALS ('74-'75)
CHASSIS ELECTRICAL EQUIPMENT ('7
OWNER TOOLS G4TR/A/B ('70-'73)
OWNER TOOLS G4TR-C ('70-'73)
FRAME/FRAME FITTINGS ('70-'73)
SWING ARM/SHOCK ABSORBERS ('70-'
FOOTRESTS/STAND/BRAKE PEDAL G4TR
FOOTRESTS/STAND/BRAKE PEDAL G4TR
HANDLEBAR G4TR/A ('70-'73)
HANDLEBAR G4TR-B ('70-'73)
KICKSTARTER MECHANISM ('74-'75)
ENGINE COVERS ('74-'75)
OIL PUMP ('74-'75)
CARBURETOR G4TR-D ('74-'75)
FRONT HUB/BRAKE ('74-'75)
REAR HUB/BRAKE/CHAIN ('74-'75)
FENDERS ('74-'75)
FUEL TANK ('74-'75)
OIL TANK/CHAIN COVER ('74-'75)
up