×
Genuine ZG Kawasaki Parts delivered quickly!
home
ZG1000A6 1000GTR 1991 AUSTRIA NR
CYLINDER HEAD
22 products
CYLINDER HEAD COVER
6 products
CYLINDER/PISTON
17 products
AIR FILTER
13 products
MUFFLER
24 products
VALVE
16 products
CAMSHAFT/TENSIONER
16 products
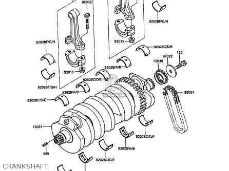
CRANKSHAFT
19 products
BALANCER
37 products
CLUTCH
45 products
TRANSMISSION
31 products
CHANGE DRUM/SHIFT FORK
14 products
GEAR CHANGE MECHANISM
26 products
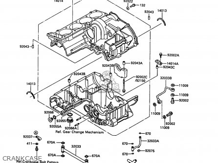
CRANKCASE
36 products
CRANKCASE BOLT PATTERN
11 products
ENGINE COVER
21 products
BREATHER BODY/OIL PAN
15 products
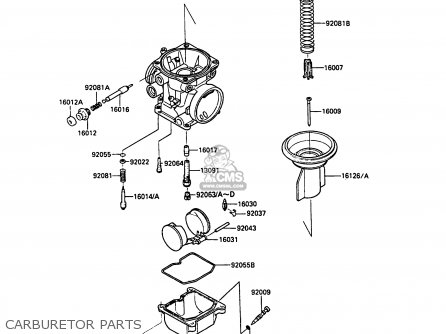
CARBURETOR(1/4)
47 products
CARBURETOR PARTS
33 products
OIL PUMP
43 products
GENERATOR
27 products
IGNITION COIL
16 products
STARTER MOTOR
23 products
RADIATOR
53 products
OIL COOLER
13 products
FRONT BEVEL GEAR
82 products
DRIVE SHAFT/FINAL GEAR
67 products
FRAME
15 products
FRAME FITTING
11 products
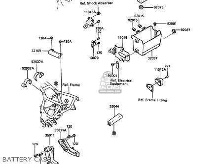
BATTERY CASE
22 products
SWING ARM
11 products
SUSPENSION
12 products
STEP
27 products
FENDER
24 products
STAND
7 products
TIRE
8 products
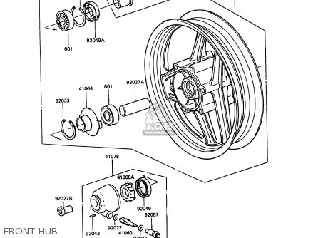
FRONT HUB
16 products
REAR HUB
15 products
BRAKE PEDAL
7 products
SHOCK ABSORBER
10 products
FRONT MASTER CYLINDER
27 products
FRONT CALIPER
20 products
REAR MASTER CYLINDER
22 products
REAR CALIPER
16 products
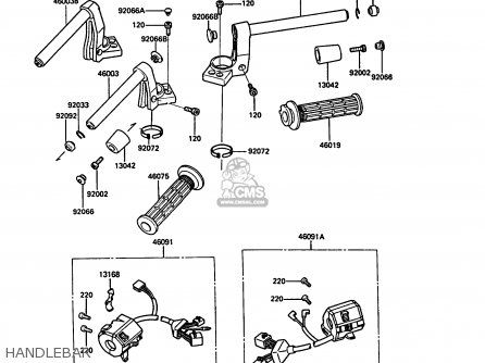
HANDLEBAR
21 products
FRONT FORK
35 products
CLUTCH MASTER CYLINDER
26 products
FUEL TANK
33 products
SEAT
31 products
METER
29 products
CABLE
7 products
SIDE COVER
13 products
HEAD LAMP(ZGT00A-009977&NAMI.)
7 products
TAILLIGHT(S)
24 products
TURN SIGNALS
17 products
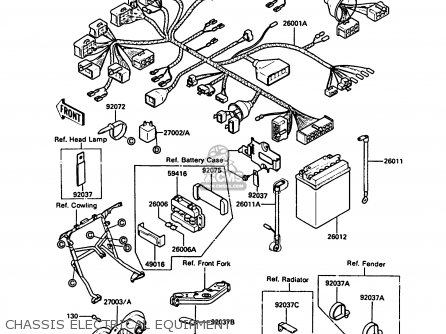
CHASSIS ELECTRICAL EQUIPMENT
23 products
IGNITION SWITCH
40 products
OWNER'S TOOLS
18 products
LABELS
4 products
DECALS
13 products
DECALS
13 products
COWLING
55 products
COWLING LOWERS
56 products
ACCESSORY
27 products
PUBLICATIONS
0 products
MODEL IDENTIFCATION
0 products
up
popular products
920631073
MAIN JET,2ND #122
Kawasaki
920251072
SHIM,1.70T
Kawasaki
920251696
SHIM,25.3X36X1.2
Kawasaki
920251074
SHIM,1.74T
Kawasaki