×
Genuine Z Kawasaki Parts delivered quickly!
home
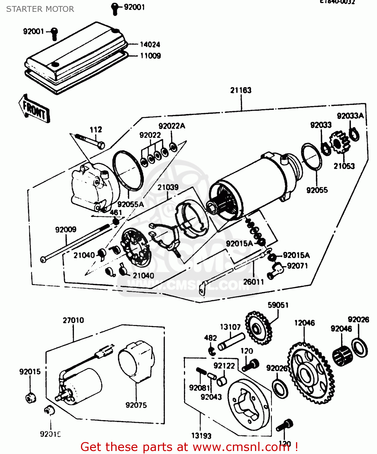
STARTER MOTOR
Z750P4 1985 UNITED KINGDOM WG
Starter motor diagram Z750P4 1985 UNITED KINGDOM WG
STARTER MOTOR Z750P4 1985 UNITED KINGDOM WG
×
prices are in EUR
ref
part #
description
quantity
11009
21166003
ref: 11009
GASKET,STARTER COVER (NAS)
€ 9.50
12046
120461032
ref: 12046
SPROCKET,STARTER,58T
€ 99.50
13107
21143003
ref: 13107
SHAFT,IDLE GEAR
€ 10.00
13193
131931012
ref: 13193
CLUTCH TARIER
€ 152.50
14024
21165003
ref: 14024
COVER,STARTER
€ 13.50
21039
210391004
ref: 21039
BRUSH,OIL
€ 5.50
21040
210401003
ref: 21040
SPRING-BRUSH
€ 6.00
21053
21053004
ref: 21053
PINION, STARTER
€ 69.00
21163
211631025
ref: 21163
STARTER-ELECTRIC
€ 503.50
26011
260111049
ref: 26011
WIRE-LEAD,STARTER MOT
€ 22.50
27010
270101071
ref: 27010
SWITCH,MAGNETIC
€ 86.00
59051
21167004
ref: 59051
GEAR-SPUR,IDLE,29T
€ 69.50
92001
920011151
ref: 92001
BOLT,6X10
€ 3.00
92009
21099006
ref: 92009
SCREW,PAN HEAD, 6X130
€ 4.50
92015
920151193
ref: 92015
NUT,FLANGED,6MM
€ 0.50
92015A
920151195
ref: 92015A
NUT,FLANGED,6MM
€ 1.50
92022
21025011
ref: 92022
WASHER, THRUST, 0.2T
€ 4.00
92022A
920221132
ref: 92022A
WASHER,9.1X18X0.8
€ 4.00
92026
920261025
ref: 92026
SPACER,25X36X3.2
€ 3.50
92033
92033034
ref: 92033
CIRCLIP
€ 7.00
92033A
92033037
ref: 92033A
RING-SNAP,13MM
€ 6.50
92043
92043087
ref: 92043
PIN
€ 8.00
92046
92046056
ref: 92046
BEARING-NEEDLE,K25301
€ 26.00
92055
21027008
ref: 92055
O RING, 40M/M
€ 8.50
92055A
920551086
ref: 92055A
O RING,64MM
€ 6.50
92071
21017017
ref: 92071
GROMMET-CORD
€ 6.50
92075
21064002
ref: 92075
DAMPER,MAGNETIC SWITC
€ 13.50
92081
92081110
ref: 92081
SPRING
€ 3.00
92122
92122004
ref: 92122
ROLLER,15X13
€ 7.00
112
112G0660
ref: 112
BOLT-UPSET
€ 3.00
120
120P0812
ref: 120
BOLT,SOCKET,8X12
€ 2.50
461
461F0600
ref: 461
WASHER-SPRING,6MM
€ 0.50
482
482J0200
ref: 482
CIRCLIP-TYPE-E,12MM
€ 2.50
up
all assemblies
PUBLICATIONS
MODEL IDENTIFICATION
CAMSHAFT/TENSIONER
CRANKSHAFT
SECONDARY SHAFT
CLUTCH
CYLINDER HEAD
CYLINDER HEAD COVER
CYLINDER/PISTON
AIR FILTER
MUFFLER
VALVE
CARBURETOR
CARBURETOR PARTS
OIL PUMP
GENERATOR
IGNITION COIL
TRANSMISSION
CHANGE DRUM/SHIFT FORK
GEAR CHANGE MECHANISM
CRANKCASE
CRANKCASE BOLT PATTERN
ENGINE COVER
BREATHER BODY/OIL PAN
STARTER MOTOR
OIL COOLER
FRONT BEVEL GEAR
DRIVE SHAFT/FINAL GEAR
STAND
TIRE
FRONT HUB
REAR HUB
BARKE PEDAL
FRAME
FRAME FITTING
BATTERY CASE
SWING ARM
SUSPENSION/SHOCK ABSORBER
STEP
FENDER
FUEL TANK
SEAT
METER
CABLE
SIDE COVER
FRONT MASTER CYLINDER
FRONT CALIPER
REAR MASTER CYLINDER
REAR CALIPER
HANDLEBAR
FRONT FORK
LABEL
HEAD LAMP
TAIL LAMP
TURN SIGNAL
ELECTRICAL EQUIPMENT
IGNITION SWITCH
TOOL
up