Genuine VN Kawasaki Parts delivered quickly!

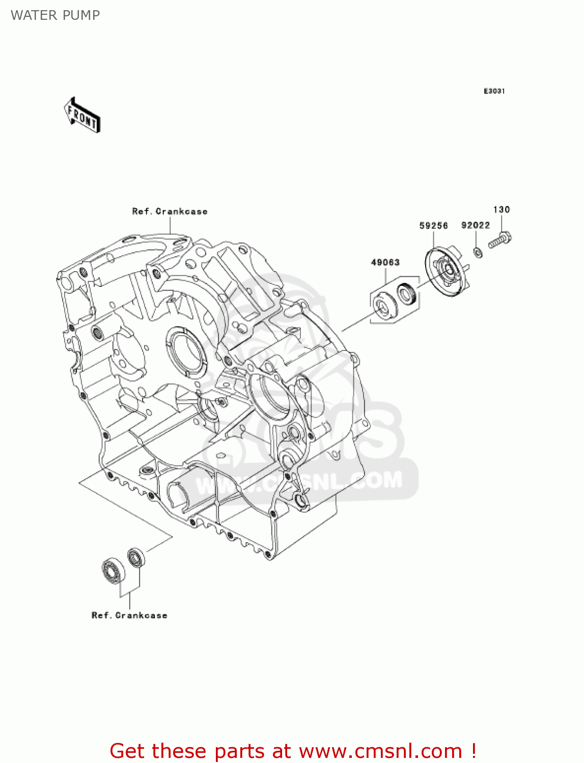
WATER PUMP

VN900C7F VULCAN 900 CUSTOM 2007 USA CALIFORNIA CANADA

Water pump diagram VN900C7F VULCAN 900 CUSTOM 2007 USA CALIFORNIA CANADA

WATER PUMP VN900C7F VULCAN 900 CUSTOM 2007 USA CALIFORNIA CANADA
WATER PUMP VN900C7F VULCAN 900 CUSTOM 2007 USA CALIFORNIA CANADA
WATER PUMP VN900C7F VULCAN 900 CUSTOM 2007 USA CALIFORNIA CANADA
prices are in EUR
ref
part #
description
quantity
130
130R0622
ref: 130
BOLT-FLANGED,6X22
€ 1.50

49063
490631055
ref: 49063
SEAL-MECHANICAL
490631055
€ 17.00

59256
592561073
ref: 59256
IMPELLER
592561073
€ 25.50

92022
92022077
ref: 92022
WASHER,6.1X12X1
92022077
€ 0.50