Genuine VN Kawasaki Parts delivered quickly!

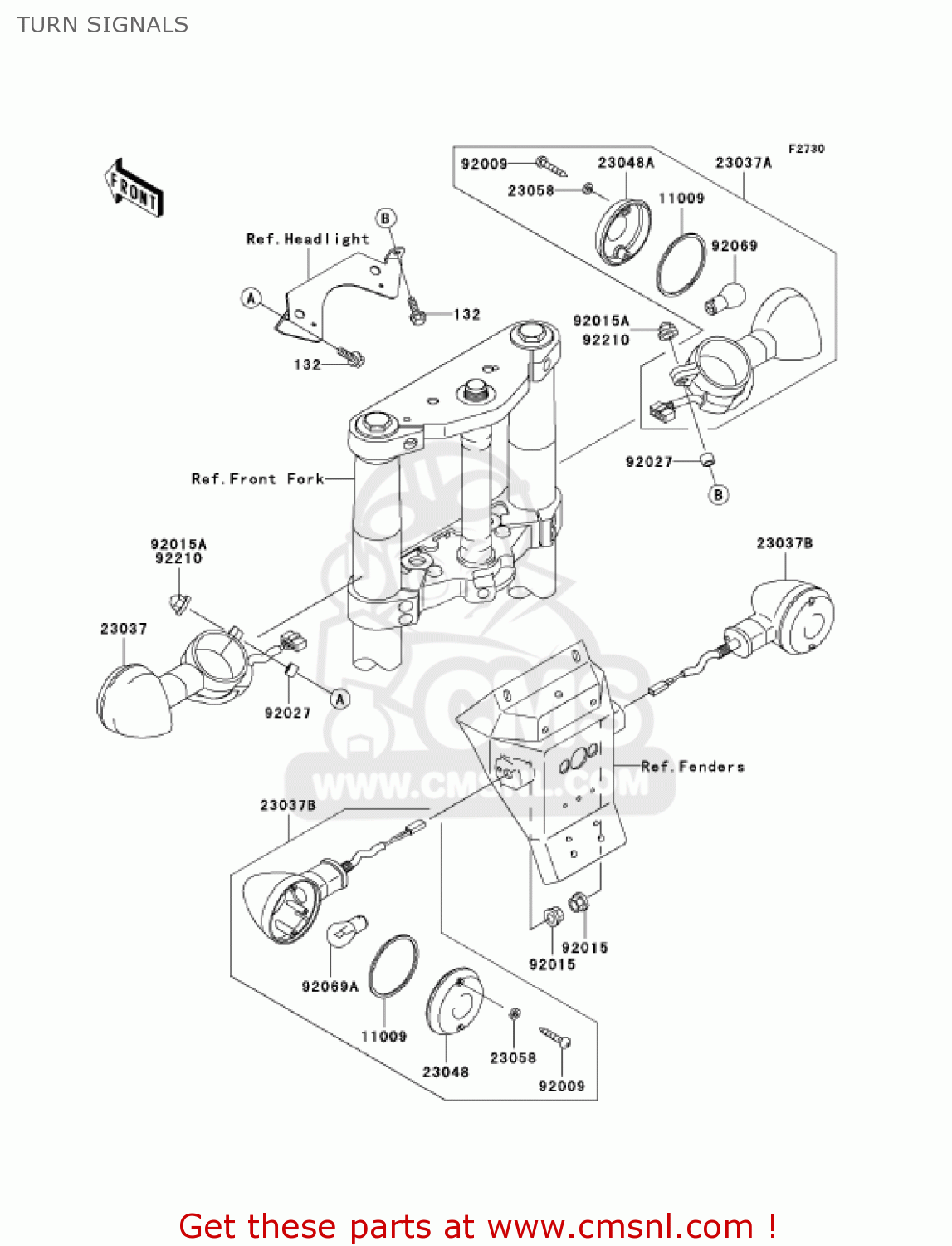
TURN SIGNALS

VN1600B1 VULCAN 1600 MEANSTREAK 2004 USA CALIFORNIA CANADA

Turn signals diagram VN1600B1 VULCAN 1600 MEANSTREAK 2004 USA CALIFORNIA CANADA

TURN SIGNALS VN1600B1 VULCAN 1600 MEANSTREAK 2004 USA CALIFORNIA CANADA
TURN SIGNALS VN1600B1 VULCAN 1600 MEANSTREAK 2004 USA CALIFORNIA CANADA
TURN SIGNALS VN1600B1 VULCAN 1600 MEANSTREAK 2004 USA CALIFORNIA CANADA
prices are in EUR
ref
part #
description
quantity
132
132E0620
ref: 132
BOLT-FLANGED-SMALL
132E0620
€ 2.00

11009
110091413
ref: 11009
GASKET,SIGNAL LAMP (NAS)
110091413
€ 3.00

23037
230371405
ref: 23037
LAMP-ASSY-SIGNAL,FR,L
230371405
€ 59.50

23037A
230371406
ref: 23037A
LAMP-ASSY-SIGNAL,FR,R
€ 61.50

23037B
230371412
ref: 23037B
LAMP-ASSY-SIGNAL,RR
230371412
€ 60.50

23048
230481065
ref: 23048
LENS-SIGNAL LAMP
230481065
€ 12.00

23048A
230481066
ref: 23048A
LENS-SIGNAL LAMP
230481066
€ 12.00

23058
23058002
ref: 23058
WASHER,PLAIN,4MM
23058002
€ 2.00

92009
920091637
ref: 92009
SCREW,TAPPING,4X25
920091637
€ 2.50

92015
920151356
ref: 92015
NUT,10MM
920151356
€ 2.00

92015A
920151385
ref: 92015A
NUT,CAP,6MM
920151385
€ 2.50

92027
92027162
ref: 92027
COLLAR-REAR FENDER
92027162
€ 4.50

92069
92069063
ref: 92069
BULB 12V 21/5W
92069063
€ 4.50

92069A
?
ref: 92069A

(LOCAL PROCUREMENT I
?