Genuine VN Kawasaki Parts delivered quickly!

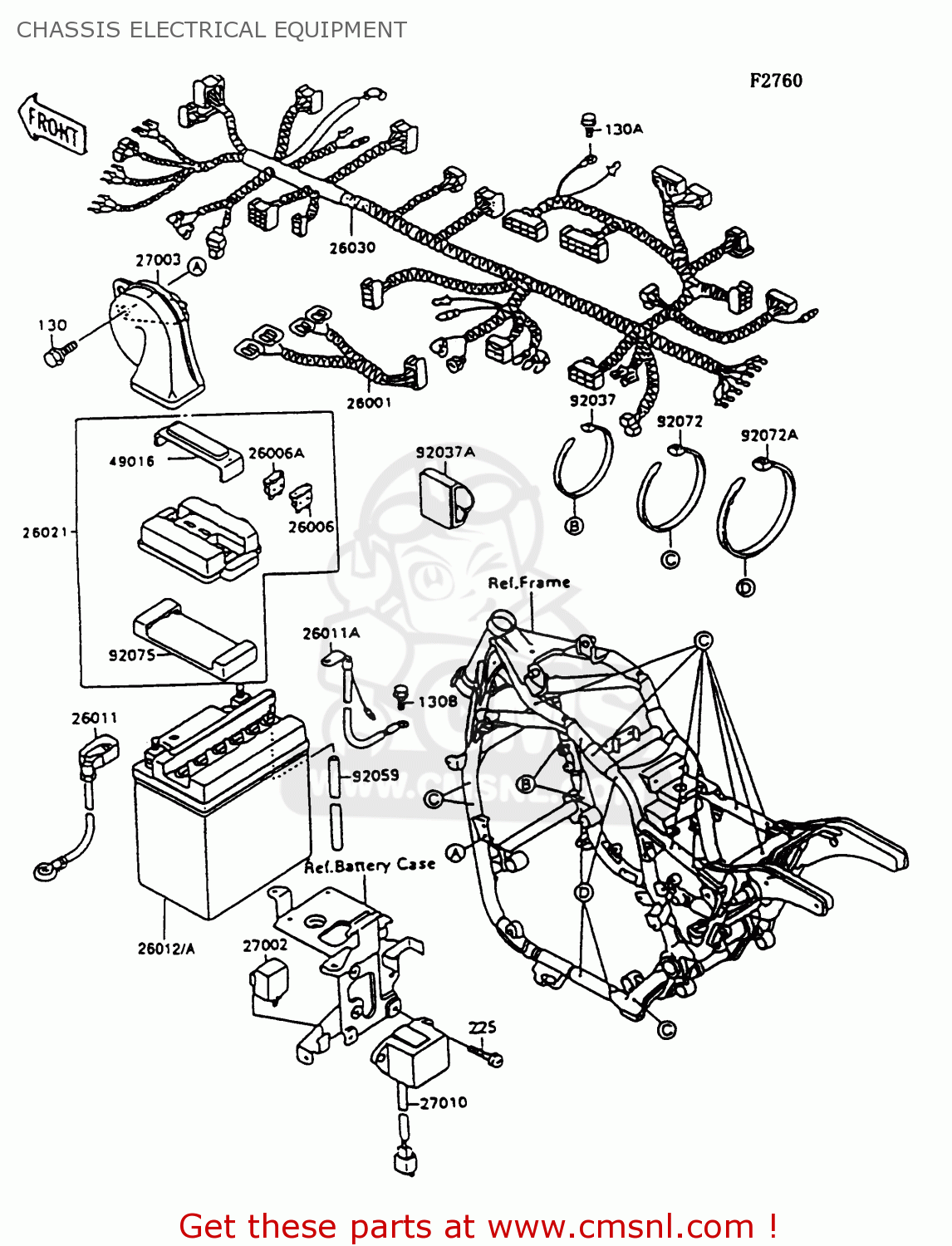
CHASSIS ELECTRICAL EQUIPMENT

VN1500C4 VULCAN 1500L 1997 USA CALIFORNIA

Chassis electrical equipment diagram VN1500C4 VULCAN 1500L 1997 USA CALIFORNIA

CHASSIS ELECTRICAL EQUIPMENT VN1500C4 VULCAN 1500L 1997 USA CALIFORNIA
CHASSIS ELECTRICAL EQUIPMENT VN1500C4 VULCAN 1500L 1997 USA CALIFORNIA
CHASSIS ELECTRICAL EQUIPMENT VN1500C4 VULCAN 1500L 1997 USA CALIFORNIA
prices are in EUR
ref
part #
description
quantity
130
130C0610
ref: 130
BOLT-FLANGED,6X10,BLA
130C0610
€ 1.50

130A
130J0610
ref: 130A
BOLT-FLANGED
130J0610
€ 1.50

130B
130V0610
ref: 130B
BOLT-FLANGED,6X10
130V0610
€ 0.50

225
225B0620
ref: 225
SCREW-PAN-WSP-CROS
€ 2.50

26001
260011862
ref: 26001
HARNESS,IGNITION
€ 13.50

26006
260061067
ref: 26006
FUSE, 30A-G
€ 3.00

26006A
260061068
ref: 26006A
FUSE, 10A-R
€ 3.00

26011
260111391
ref: 26011
WIRE-LEAD,BATTERY(+)
260111391
€ 21.00

26011A
260111392
ref: 26011A
WIRE-LEAD,BATTERY(-)
260111392
€ 21.00

26012A
260121339
ref: 26012A
BATTERY,Y50-N18L-A,12
€ 79.50

26021
260211089
ref: 26021
JUNCTION BOX
260211089
€ 126.00

26030
260301331
ref: 26030
HARNESS,MAIN
€ 201.50

27002
270021053
ref: 27002
RELAY-ASSY,TURN SIGNA
270021053
€ 33.50

27003
270031264
ref: 27003
HORN,LOW TONE
€ 75.50

27010
270101069
ref: 27010
SWITCH,RESERVE LIGTIN
270101069
€ 149.00

49016
490161177
ref: 49016
COVER-SEAL,FUSE
490161177
€ 7.00

92037
920371817
ref: 92037
CLAMP,BAND,L=137
920371817
€ 8.50

92037A
920371954
ref: 92037A
CLAMP,WIRING HARNESS
€ 4.00

92059
920591840
ref: 92059
TUBE,5X8X570
€ 3.00

92072
920721195
ref: 92072
BAND,L=185
920721195
€ 1.00

92072A
920721197
ref: 92072A
BAND
920721197
€ 5.00

92075
920751688
ref: 92075
DAMPER,FUSE & RELAY B
920751688
€ 9.50