×
Genuine KX Kawasaki Parts delivered quickly!
home
SUSPENSION
KX500-B2 1986 EUROPE UK AL
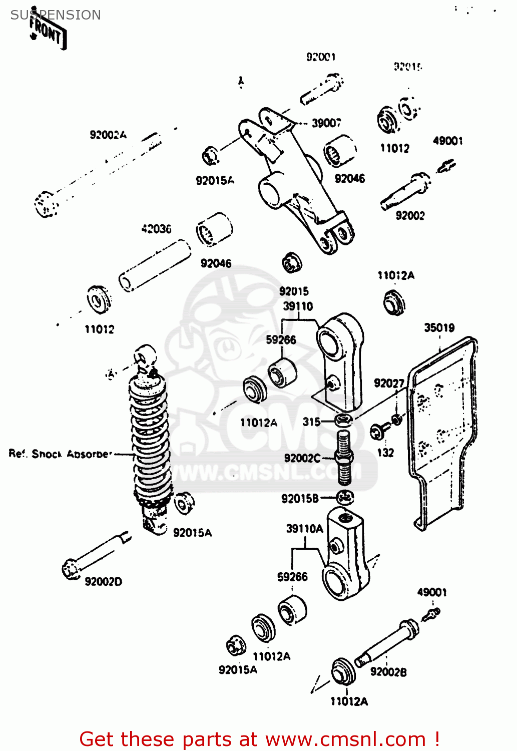
Suspension diagram KX500-B2 1986 EUROPE UK AL
SUSPENSION KX500-B2 1986 EUROPE UK AL
×
prices are in EUR
ref
part #
description
quantity
11012
110121207
ref: 11012
CAP
€ 12.00
11012A
110121418
ref: 11012A
CAP,ROD
€ 10.50
35019
350191166
ref: 35019
FLAP,ROD
€ 24.00
39007
390071081
ref: 39007
ARM-SUSP,UNI TRAK
€ 158.50
39110
391101067
ref: 39110
ROD-ASSY-TIE
€ 115.00
39110A
391101068
ref: 39110A
ROD-ASSY-TIE
€ 109.50
42036
420361144
ref: 42036
SLEEVE,SUSPENSION ARM
€ 24.00
49001
490011051
ref: 49001
NIPPLE-GREASE,ROD BOL
€ 2.00
59266
592661056
ref: 59266
JOINT-BALL,ROD
€ 79.50
92001
920011962
ref: 92001
BOLT,FLANGED,10X48
€ 2.00
92002
920021390
ref: 92002
BOLT,FLANGED,14X57
€ 26.50
92002A
920021396
ref: 92002A
BOLT,14X122
€ 21.00
92002B
920021397
ref: 92002B
BOLT,ROD,10X65
€ 19.50
92002C
920021632
ref: 92002C
BOLT,ROD
€ 15.50
92002D
920021680
ref: 92002D
BOLT,10MM
€ 6.00
92015
920151032
ref: 92015
NUT,14M/M
€ 6.50
92015A
920151415
ref: 92015A
NUT,10MM
€ 3.00
92015B
920151548
ref: 92015B
NUT,16MM
€ 3.50
92027
920271936
ref: 92027
COLLAR,FRONT FENDER
€ 4.00
92046
920461128
ref: 92046
BEARING-NEEDLE,TA2030
€ 25.00
132
132G0612
ref: 132
BOLT-FLANGED-SMALL
€ 1.50
315
315G1600
ref: 315
NUT-HEX-FINE
€ 2.50
up
all assemblies
CHANGE DRUM/SHIFT FORK
GEAR CHANGE MECHANISM
CRANKCASE
ENGINE COVER
CYLINDER HEAD/CYLINDER
AIR FILTER
MUFFLER
CRANKSHAFT/PISTON
KICKSTARTER MECHANISM
CLUTCH
TRANSMISSION
CARBURETOR
IGNITION COIL
RADLATOR
TIRE
FRONT HUB
REAR HUB
BRAKE PEDAL
SHOCK ABSORBER
FRAME
FRAME FITTING
SWING ARM
SUSPENSION
STEP
FENDER
STAND
FUEL TANK
SEAT
CABLE
SIDE COVER
TOOL
FRONT MASTER CYLINDER
FRONT CALIPER
REAR MASTER CYLINDER
REAR CALIPER
HANDLEBAR
FRONT FORK
LABEL
ACCESSORY
PUBLICATIONS
MODEL IDENTIFICATION
up