×
Genuine KX Kawasaki Parts delivered quickly!
home
KX420-A2 KX420 1981 UNITED KINGDOM USA CANADA EXPORT
CABLES
13 products
LABELS
6 products
OWNER TOOLS
10 products
OPTIONAL PARTS
9 products
FRAME/FRAME FITTINGS (KX420-A1)
27 products
FRAME/FRAME FITTINGS (KX420-A2)
25 products
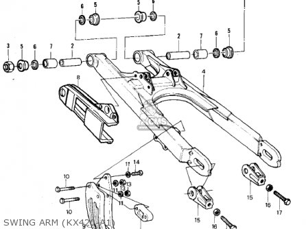
SWING ARM (KX420-A1)
17 products
SWING ARM (KX420-A2)
23 products
REAR SUSPENSION/SHOCK ABSORBER (
24 products
REAR SUSPENSION (KX420-A2)
22 products
SHOCK ABSORBER (KX420-A2)
22 products
WHEELS/TIRES
20 products
FRONT HUB/BRAKE
16 products
REAR HUB/BRAKE/CHAIN
31 products
NUMBER PLATE
8 products
FENDERS
14 products
FUEL TANK
21 products
SEAT/SIDE COVERS
10 products
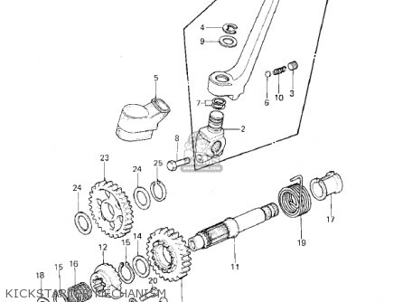
KICKSTARTER MECHANISM
25 products
ENGINE COVERS
14 products
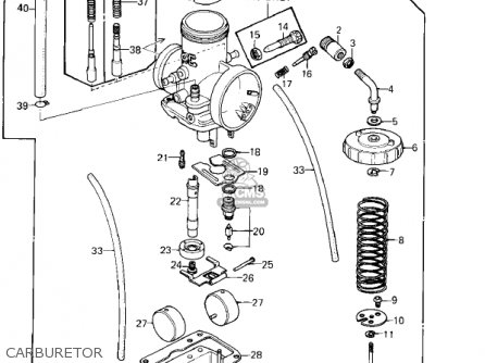
CARBURETOR
63 products
AIR CLEANER
19 products
FOOTRESTS/STAND
14 products
BRAKE PEDAL/TORQUE LINK
27 products
HANDLEBAR
27 products
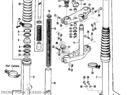
FRONT FORK (KX420-A1)
44 products
FRONT FORK (KX420-A2)
48 products
CYLINDER HEAD/CYLINDER/REED VALV
12 products
CRANKSHAFT/PISTON
21 products
CRANKCASE
30 products
CLUTCH
31 products
TRANSMISSION
30 products
GEAR CHANGE DRUM & FORKS
8 products
GEAR CHANGE MECHANISM
15 products
MUFFLER
19 products
IGNITION
19 products
up
popular products
110041015
GASKET-HEAD,CYLINDER (NAS)
Kawasaki
21169001
TERMINAL,PLUG CAP
Kawasaki
490471003
ROD,SHIFT 93.7MM
Kawasaki
18071003
SPRING,MUFFLER CONNEC
Kawasaki