×
Genuine KX Kawasaki Parts delivered quickly!
home
FRAME
KX250R7F KX250 2007 USA CANADA
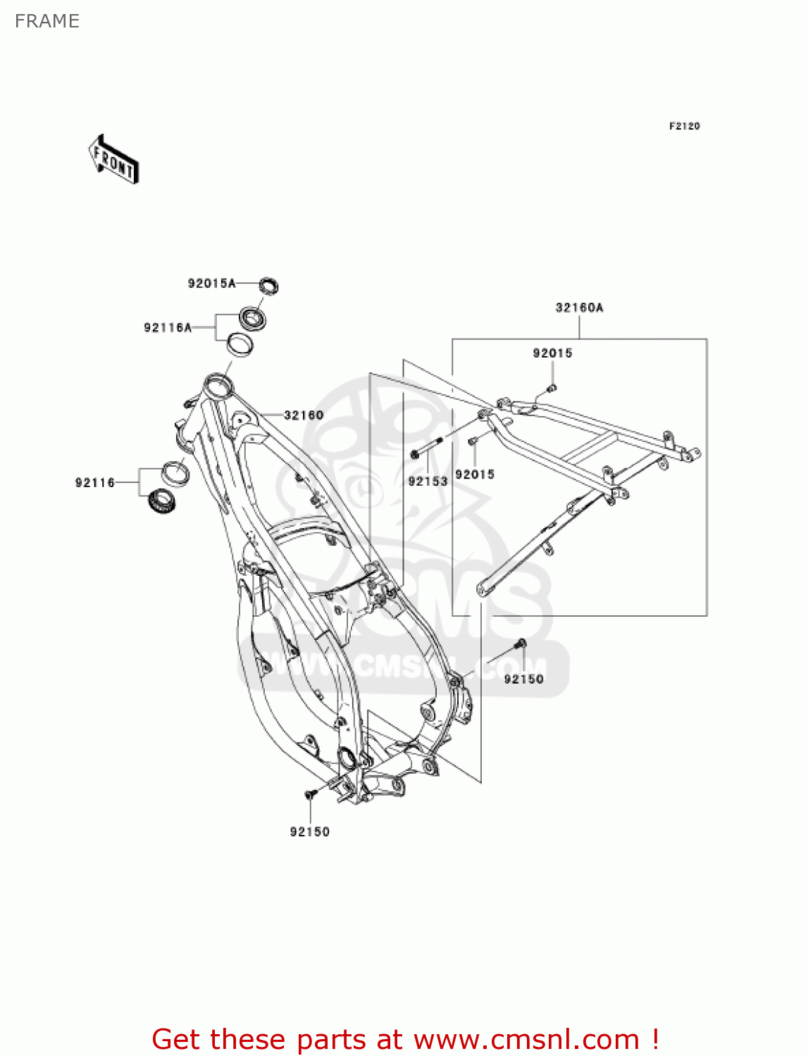
Frame diagram KX250R7F KX250 2007 USA CANADA
FRAME KX250R7F KX250 2007 USA CANADA
×
prices are in EUR
ref
part #
description
quantity
32160
321600104458A
ref: 32160
FRAME-COMP,FR,P.SILVE
€ 853.50
32160A
321600164
ref: 32160A
FRAME-COMP,RR
€ 441.00
92015
920151791
ref: 92015
NUT,POP,6MM
€ 3.00
92015A
920151861
ref: 92015A
NUT,STEERING STEM,28M
€ 12.50
92116
921161069
ref: 92116
BEARING-ROLLER
€ 69.50
92116A
921161076
ref: 92116A
BEARING-ROLLER,HI-CAP
€ 57.50
92150
921501760
ref: 92150
BOLT,SOCKET,8X20
€ 4.50
92153
921531326
ref: 92153
BOLT,SOCKET,8X74
€ 3.50
up
all assemblies
REAR BRAKE
OWNER'S TOOLS
PUBLICATIONS
FOOTRESTS
CRANKCASE
CLUTCH
CARBURETOR
FRONT HUB
GENERATOR
FENDERS
TRANSMISSION
GEAR CHANGE DRUM/SHIFT FORK(S)
REAR HUB
ENGINE COVER(S)
GEAR CHANGE MECHANISM
HANDLEBAR
IGNITION SYSTEM
SEAT
STAND(S)
FRAME
CYLINDER HEAD/CYLINDER
ACCESSORY
BRAKE PEDAL
FRAME FITTINGS
CRANKSHAFT/PISTON(S)
LABELS
DECALS (R7F)(GREEN)
SWINGARM
AIR CLEANER
FRONT FORK
SHOCK ABSORBER(S)
RADIATOR
CABLES
WHEELS/TIRES
REAR SUSPENSION
MUFFLER(S)
FUEL TANK
KICKSTARTER MECHANISM
SIDE COVERS
FRONT MASTER CYLINDER
FRONT BRAKE
REAR MASTER CYLINDER
up