×
Genuine KX Kawasaki Parts delivered quickly!
home
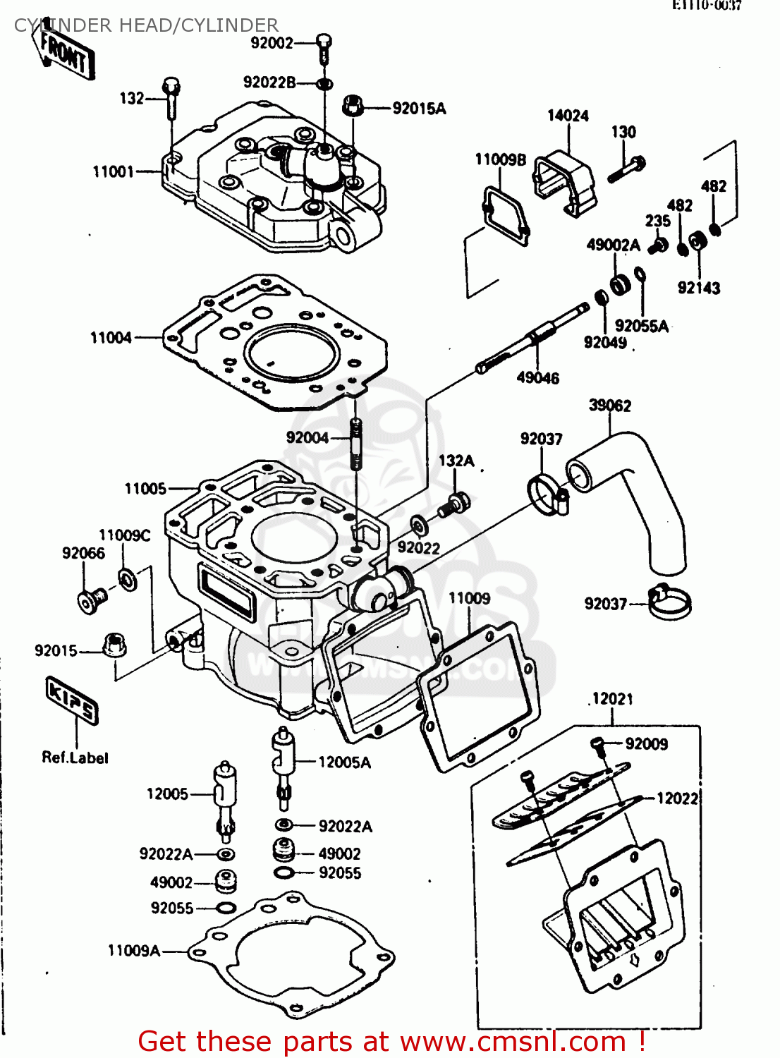
CYLINDER HEAD/CYLINDER
KX250-E1 1987 EUROPE UK AL
Cylinder head/cylinder diagram KX250-E1 1987 EUROPE UK AL
CYLINDER HEAD/CYLINDER KX250-E1 1987 EUROPE UK AL
×
prices are in EUR
ref
part #
description
quantity
11001
110011245
ref: 11001
HEAD-CYLINDER
€ 173.50
11004
110041157
ref: 11004
GASKET-HEAD (MCA)
€ 30.00
11005
110051509
ref: 11005
CYLINDER-ENGINE
€ 478.00
11009
110091252
ref: 11009
GASKET,REED VALVE (MCA)
€ 7.50
11009A
110091624
ref: 11009A
GASKET,CYLINDER BASE (MCA)
€ 7.50
11009B
110091625
ref: 11009B
GASKET,GOVERNOR COVER (MCA)
€ 3.50
11009C
92065073
ref: 11009C
GASKET,12.5X18X1,DRAI (NAS)
€ 2.50
12005
120051081
ref: 12005
VALVE-EXHAUST,LH
€ 48.50
12005A
120051092
ref: 12005A
VALVE-EXHAUST,RH
€ 67.50
12021
120211065
ref: 12021
VALVE-ASSY-REED
€ 148.00
12022
120221056
ref: 12022
VALVE-REED,CARBON
€ 34.00
14024
140241359
ref: 14024
COVER,GOVERNOR
€ 6.00
39062
390621105
ref: 39062
HOSE-COOLING
€ 8.00
49002
490021073
ref: 49002
GUIDE-VALVE
€ 10.50
49002A
490021074
ref: 49002A
GUIDE-VALVE
€ 9.50
49046
490461058
ref: 49046
ROD-GOVERNOR
€ 44.50
92002
920021222
ref: 92002
BOLT,6X10
€ 5.50
92004
920041139
ref: 92004
STUD,8X40
€ 3.00
92009
920091371
ref: 92009
SCREW,3X6
€ 2.50
92015
92015077
ref: 92015
NUT, 10MM
€ 3.00
92015A
920151143
ref: 92015A
NUT,8MM
€ 0.50
92022
920221488
ref: 92022
WASHER,8.2X14X1
€ 3.00
92022A
920221869
ref: 92022A
WASHER,6.8X16X0.5
€ 2.00
92022B
92022104
ref: 92022B
WASHER-SPEEDMETR FIT
€ 2.50
92037
920371589
ref: 92037
CLAMP,COOLING HOSE
€ 13.00
92049
920491206
ref: 92049
SEAL-OIL,RSO-5.5 11 4
€ 7.50
92055
92055022
ref: 92055
'O' RING
€ 4.00
92055A
92055061
ref: 92055A
RING-O,10X1.5
€ 3.00
92066
920661222
ref: 92066
PLUG,12X10
€ 8.00
92143
921431056
ref: 92143
COLLAR
€ 6.50
130
130G0535
ref: 130
BOLT-FLANGED
€ 2.50
132
132G0625
ref: 132
BOLT-FLANGED-SMALL
€ 3.00
132A
132G0810
ref: 132A
BOLT-FLANGED-SMALL
€ 2.50
235
235B0510
ref: 235
SCREW-PAN-WP-CROS
€ 2.50
482
482J4000
ref: 482
CIRCLIP-TYPE-E,4MM
€ 0.50
up
all assemblies
CHANGE DRUM/SHIFT FORK
GEAR CHANGE MECHANISM
CRANKCASE
ENGINE COVER
CYLINDER HEAD/CYLINDER
AIR FILTER
MUFFLER
CRANKSHAFT/PISTON
KICKSTARTER MECHANISM
CLUTCH
TRANSMISSION
CARBURETOR
GENERATOR
IGNITION COIL
RADIATOR
TIRE
FRONT HUB
REAR HUB
BRAKE PEDAL
SHOCK ABSORBER
FRAME
FRAME FITTING
SWING ARM
SUSPENSION
STEP
FENDER
STAND
FUEL TANK
SEAT
CABLE
SIDE COVER
TOOL
FRONT MASTER CYLINDER
FRONT CALLPER
REAR MASTER CYLINDER
REAR CALIPER
HANDLEBAR
FRONT FORK
LABEL
ACCESSORY
PUBLICATIONS
MODEL IDENTIFICATION
up