Genuine KLX Kawasaki Parts delivered quickly!

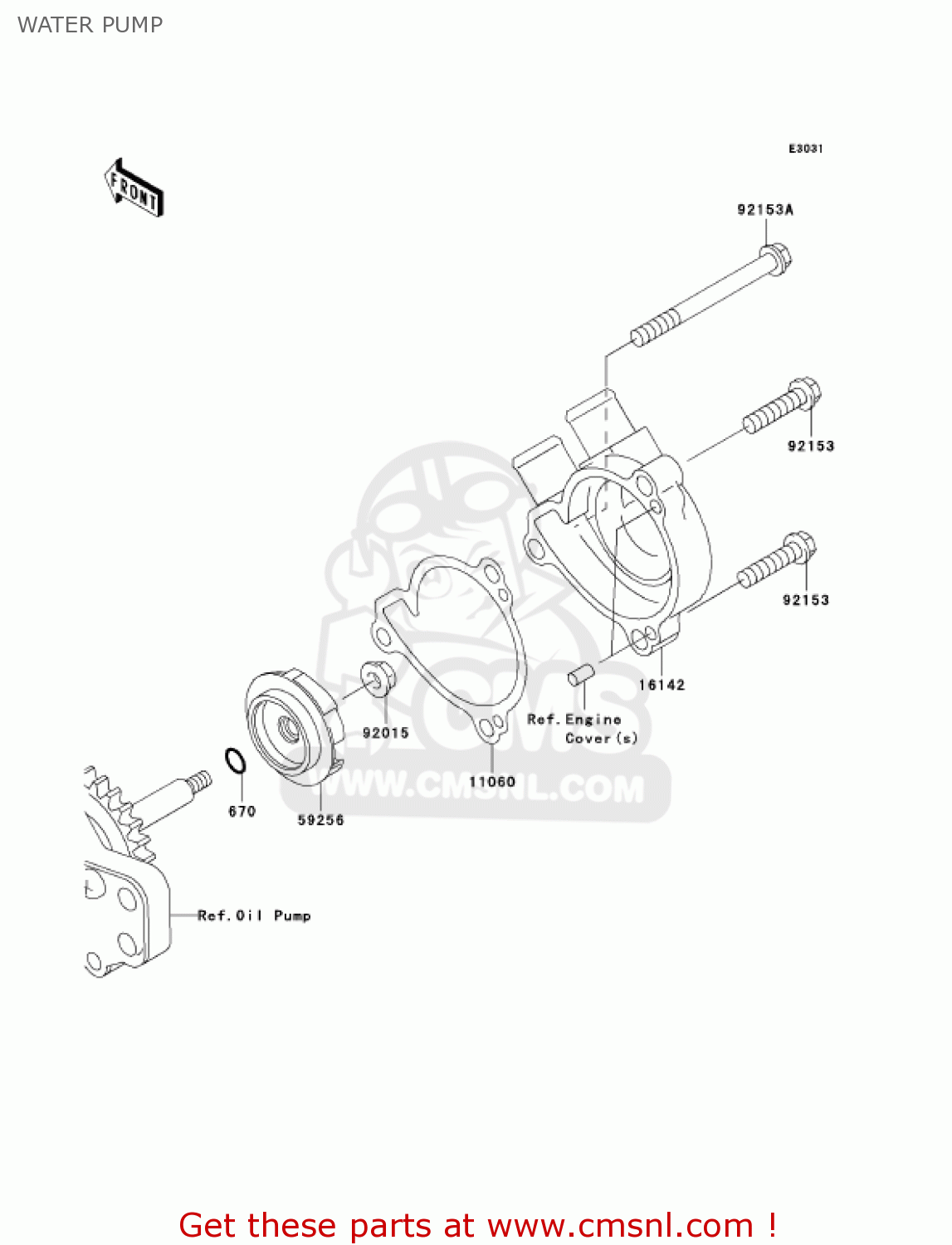
WATER PUMP

KLX300A7F KLX300R 2007 USA CALIFORNIA CANADA

Water pump diagram KLX300A7F KLX300R 2007 USA CALIFORNIA CANADA

WATER PUMP KLX300A7F KLX300R 2007 USA CALIFORNIA CANADA
WATER PUMP KLX300A7F KLX300R 2007 USA CALIFORNIA CANADA
WATER PUMP KLX300A7F KLX300R 2007 USA CALIFORNIA CANADA
prices are in EUR
ref
part #
description
quantity
670
670B1506
ref: 670
O RING,6MM
670B1506
€ 1.00

11060
110601328
ref: 11060
GASKET,PUMP COVER (NAS)
110601328
€ 3.00

16142
161420022
ref: 16142
COVER-PUMP
€ 42.00

59256
592561063
ref: 59256
IMPELLER
592561063
€ 23.00

92015
920151078
ref: 92015
NUT,6M/M
920151078
€ 1.50

92153
921530604
ref: 92153
BOLT,6X25
921530604
€ 2.00

92153A
921530722
ref: 92153A
BOLT,FLANGED,6X65
€ 2.00