×
Genuine KH Kawasaki Parts delivered quickly!
home
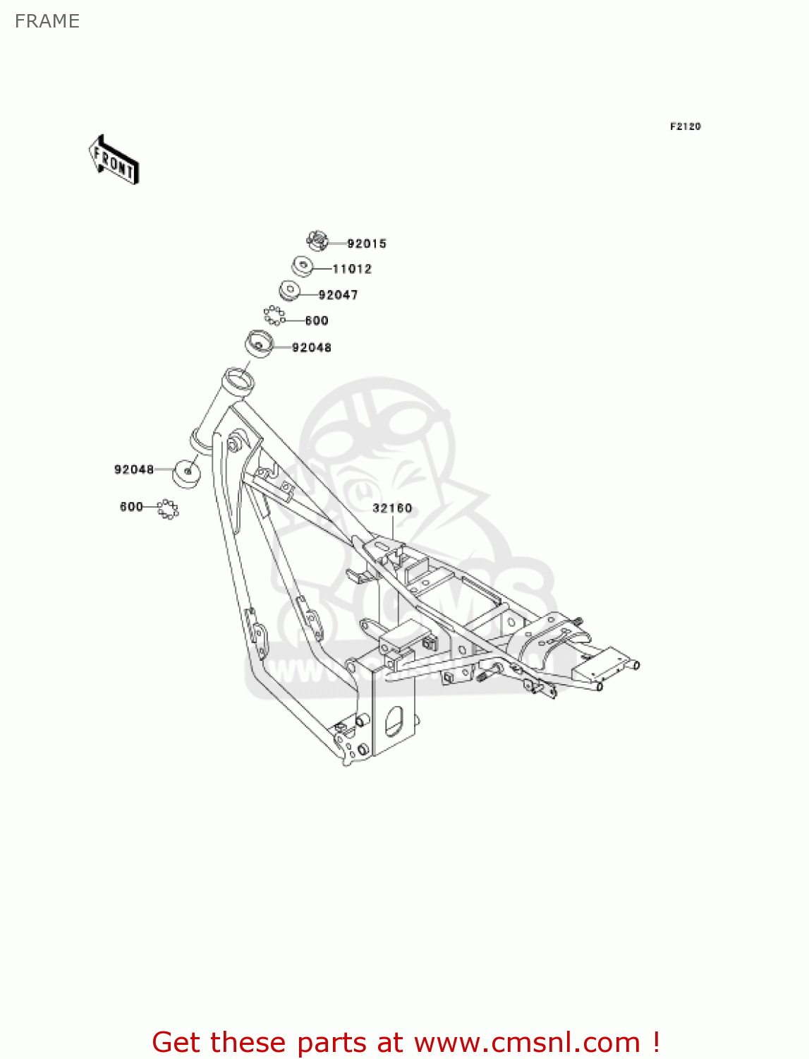
FRAME
KH125M5 2000 CANADA
Frame diagram KH125M5 2000 CANADA
FRAME KH125M5 2000 CANADA
×
prices are in EUR
ref
part #
description
quantity
600
600A0600
ref: 600
BALL-STEEL,3/16
€ 0.50
11012
110121740
ref: 11012
STEERING CAP
€ 1.00
32160
321601660
ref: 32160
FRAME-COMP
€ 162.50
92015
920151382
ref: 92015
NUT,STEERING STEM LOC
€ 10.50
92047
92047014
ref: 92047
RACE,STEERING STEM BE
€ 12.50
92048
92048009
ref: 92048
RACE,STRG STM
€ 14.00
up
all assemblies
FUEL TANK
OIL TANK
CRANKSHAFT/PISTON(S)
KICKSTARTER MECHANISM
CLUTCH
TRANSMISSION
GEAR CHANGE DRUM/SHIFT FORK(S)
GEAR CHANGE MECHANISM
SEAT
METER(S)
CABLES
CRANKCASE
ENGINE COVER(S)
SIDE COVERS/CHAIN COVER
HEADLIGHT(S)
TAILLIGHT(S)
TURN SIGNALS
CHASSIS ELECTRICAL EQUIPMENT
IGNITION SWITCH
CARBURETOR
OWNER'S TOOLS
LABELS
DECALS (RED)(M5)
FRAME
FRAME FITTINGS
OIL PUMP
SWINGARM/SHOCK ABSORBER
FOOTRESTS
FENDERS
STAND(S)
TIRES
FRONT HUB
GENERATOR
REAR HUB
IGNITION SYSTEM
BRAKE PEDAL
CYLINDER HEAD/CYLINDER (M5)
AIR CLEANER (M5)
MUFFLER(S)
HANDLEBAR
PUBLICATIONS
FRONT FORK
up