×
Genuine KE Kawasaki Parts delivered quickly!
home
KE175-B1 KE175 1976 USA CANADA / MPH KPH
CHASSIS ELECTRICAL EQUIPMENT
22 products
OWNER TOOLS
20 products
SPECIAL SERVICE TOOLS
26 products
CYLINDER HEAD/CYLINDER
18 products
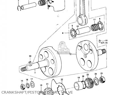
CRANKSHAFT/PISTON/ROTARY VALVE
26 products
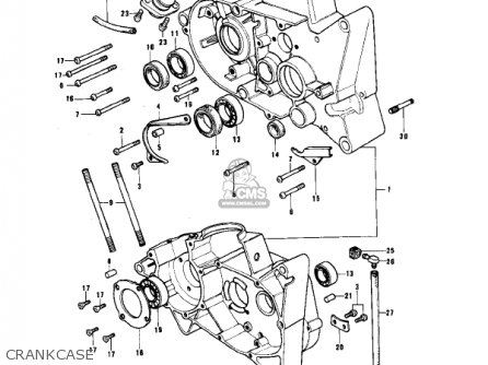
CRANKCASE
30 products
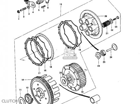
CLUTCH
31 products
TRANSMISSION
30 products
GEAR CHANGE MECHANISM
33 products
KICKSTARTER MECHANISM
15 products
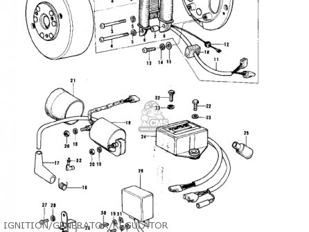
IGNITION/GENERATOR/REGULATOR
35 products
FRAME/FRAME FITTINGS
40 products
TOOL CASE
18 products
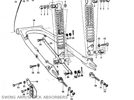
SWING ARM/SHOCK ABSORBERS
36 products
FOOTRESTS/STAND/BRAKE PEDAL
25 products
HANDLEBAR
37 products
FRONT FORK
44 products
ROTARY VALVE COVER/TACH. DRIVE
19 products
ENGINE COVERS
31 products
OIL PUMP
21 products
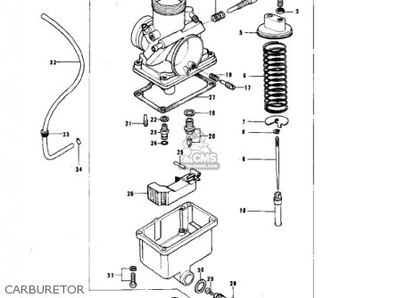
CARBURETOR
44 products
AIR CLEANER/MUFFLER
29 products
WHEELS/TIRES
18 products
FRONT HUB/BRAKE
29 products
REAR HUB/BRAKE/CHAIN
40 products
FENDERS
30 products
FUEL TANK
36 products
SIDE COVER/OIL TANK
24 products
SEAT/CHAIN COVER
20 products
CABLES
25 products
METERS/IGNITION SWITCH
48 products
HEADLIGHT
18 products
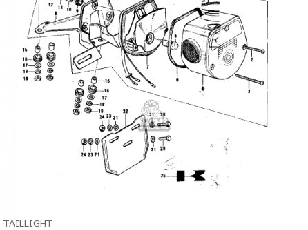
TAILLIGHT
25 products
TURN SIGNALS
27 products
up
popular products
92046026
BEARING-NEEDLE,#7E-HK
Kawasaki
601B6202
BEARING-BALL,#6202C3
Kawasaki
600A1100
BALL-STEEL,11/32
Kawasaki
92101001
SPRING-SPARK PLUG CAP
Kawasaki