×
Genuine unknown Kawasaki Parts delivered quickly!
home
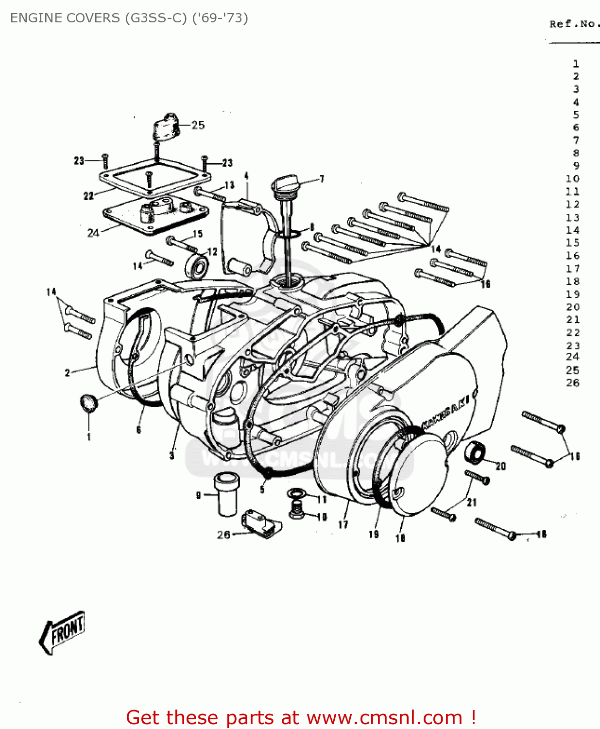
ENGINE COVERS (G3SS-C) ('69-'73)
G3SSC 1973 USA CANADA
Engine covers (g3ss-c) ('69-'73) diagram G3SSC 1973 USA CANADA
ENGINE COVERS (G3SS-C) ('69-'73) G3SSC 1973 USA CANADA
×
prices are in EUR
ref
part #
description
quantity
1
14039001
ref: 1
CAP,RUBBER
€ 3.00
2
1403003775
ref: 2
LEAFING SILVER
COVER-CARB,L.SILVER
€ 14.00
3
1403207275
ref: 3
LEAFING SILVER
COVER-R.H ENG,SILVER
€ 87.50
4
1403000675
ref: 4
LEAFING SILVER
COVER-OIL PUMP,SILVER
€ 8.50
5
110601198
ref: 5
GASKET,CLUTCH COVER (NAS)
€ 17.00
6
14048001
ref: 6
GASKET-CARB COVER (MCA)
€ 16.00
7
16115018
ref: 7
PLUG,OIL FILLER
€ 7.00
8
92055026
ref: 8
'O' RING-OIL FIL PLUG
€ 1.50
9
16116002
ref: 9
DRAIN-FUEL
€ 9.00
10
92067001
ref: 10
PLUG-OIL DRAIN
€ 3.00
11
92065058
ref: 11
GASKET, 10,5X16X1 (NAS)
€ 2.50
12
653B142507
ref: 12
OIL SEAL,TB14257
€ 14.50
13
220B0625
ref: 13
SCREW-PAN HEAD,6X25
€ 1.50
14
220B0630
ref: 14
SCREW-PAN HEAD,6X30
€ 2.50
15
220B0635
ref: 15
SCREW-PAN HEAD,6X35
€ 1.00
16
220B0645
ref: 16
SCREW-PAN HEAD,6X45
€ 2.50
17
1403104075
ref: 17
LEAFING SILVER
COVER-L.H ENG,SILVER
€ 28.50
18
1402700779
ref: 18
CR-PLATED
COVER-BRK POINT,CR
€ 16.00
19
14050002
ref: 19
GASKET-BREAKER COVER (MCA)
€ 9.50
20
920491249
ref: 20
SEAL-OIL
€ 6.50
21
220B0612
ref: 21
SCREW-PAN HEAD,6X12
€ 1.00
22
14065004
ref: 22
HOLDER-CARBURETOR CAP
€ 7.00
23
220B0510
ref: 23
SCREW-PAN-CROS,5X10
€ 0.50
24
14038032
ref: 24
NOT REQUIRED FOR CAR
CAP-CARBURETOR
€ 5.50
25
14038006
ref: 25
NOT REQUIRED FOR CAR
BOOT,CARBURETOR CAP
€ 5.50
26
16136001
ref: 26
GROMMET-OVERFLOW PIPE
€ 2.00
up
all assemblies
OPTIONAL PARTS ('69-'73)
FRAME/FRAME FITTINGS ('74-'75)
SWING ARM/SHOCK ABSORBERS ('74-'
FOOTRESTS/STANDS/BRAKE PEDAL ('7
HANDLEBAR (G3SS-D) ('74-'75)
HANDLEBAR (G3SS-E) ('74-'75)
FRONT FORK ('74-'75)
WHEELS/TIRES ('74-'75)
ENGINE COVERS ('74-'75)
OIL PUMP ('74-'75)
CARBURETOR ('74-'75)
AIR CLEANER/MUFFLER ('74-'75)
CYLINDER HEAD/CYLINDER ('69-'73)
CRANKSHAFT/PISTON /ROTARY VALVE
CRANKCASE ('69-'73)
CLUTCH ('69-'73)
TRANSMISSION /CHANGE DRUM ('69-'
GEAR CHANGE MECHANISM ('69-'73)
KICKSTARTER MECHANISM ('69-'73)
FRONT HUB/BRAKE ('74-'75)
REAR HUB/BRAKE ('74-'75)
FENDERS ('74-'75)
FUEL TANK ('74-'75)
SIDE COVERS/OIL TANK ('74-'75)
SEAT/CHAIN COVER/CHAIN ('74-'75)
CABLES ('74-'75)
METER/HEADLIGHT ('74-'75)
TAILIGHT ('74-'75)
TURN SIGNALS ('74-'75)
CHASSIS ELECTRICAL EQUIPMENT ('7
OWNER TOOLS/SPECIAL SERVICE TOOL
MUFFLER ('69-'73)
IGNITION ('69-'73)
FRAME/FRAME FITTINGS ('69-'73)
SWING ARM/SHOCK ABSORBERS ('69-'
FOOTRESTS/STANDS/BRAKE PEDAL ('6
HANDLEBAR ('69-'73)
FRONT FORK ('69-'73)
WHEELS/TIRES ('69-'73)
ENGINE COVERS (EXCEPT G3SS-C) ('
ENGINE COVERS (G3SS-C) ('69-'73)
OIL PUMP ('69-'73)
CARBURETOR ('69-'73)
AIR CLEANER ('69-'73)
SEAT ('69-'73)
CABLES ('69-'73)
METER/HEADLIGHT ('69-'73)
TAILLIGHT ('69-'73)
CHASSIS ELECTRICAL EQUIPMENT (EX
CHASSIS ELECTRICAL EQUIPMENT (G3
OWNER TOOLS/SPECIAL SERVICE TOOL
FRONT HUB/BRAKE ('69-'73)
REAR HUB/BRAKE (G3SS/A/B/C) ('69
REAR HUB/BRAKE (G3TR/A) ('69-'73
FUEL TANK ('69-'73)
OIL TANK/CHAIN COVER/CHAIN/SIDE
CYLINDER HEAD/CYLINDER ('74-'75)
CRANKSHAFT/PISTON/ROTARY VALVE (
CRANKCASE ('74-'75)
CLUTCH ('74-'75)
TRANSMISSION/CHANGE DRUM ('74-'7
GEAR CHANGE MECHANISM ('74-'75)
KICKSTARTER MECHANISM ('74-'75)
IGNITION/GENERATOR ('74-'75)
up