×
Genuine unknown Kawasaki Parts delivered quickly!
home
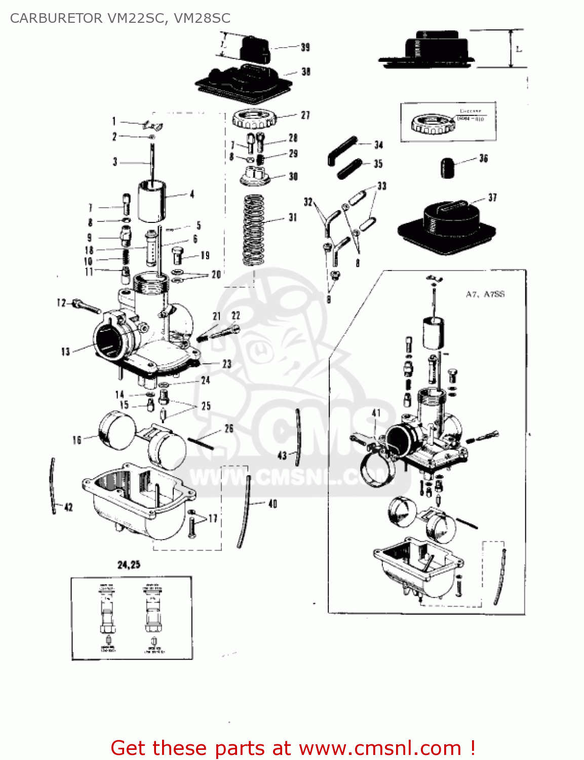
CARBURETOR VM22SC, VM28SC
A7SS AVENGER 1967 USA
Carburetor vm22sc, vm28sc diagram A7SS AVENGER 1967 USA
CARBURETOR VM22SC, VM28SC A7SS AVENGER 1967 USA
×
prices are in EUR
ref
part #
description
quantity
?
16001096
ref: ?
Includes items 1 - 3
CARBURETOR ASSY,R.H
€ 64.50
?
16001067
ref: ?
Includes items 1 - 1
CARBURETOR ASSY
€ 102.50
?
16001097
ref: ?
Includes items 1 - 3
CARBURETOR ASSY,L.H
€ 159.00
?
16001079
ref: ?
Includes items 1 - 1
CARBURETOR ASSY
€ 102.50
1
16007002
ref: 1
SEAT-SPRING,THROTTLE
€ 8.50
1
16007007
ref: 1
SPRING SEAT-THRTL VLV
€ 7.50
2
16008010
ref: 2
CLAMP,E-TYPE
€ 5.00
3
16009012
ref: 3
JET NEEDLE 4J13
€ 5.50
3
16009018
ref: 3
JET NEEDLE
€ 3.00
4
16025011
ref: 4
VALVE-THROTTLE
€ 25.50
4
16025014
ref: 4
VALVE-THROTTLE CA2.5
€ 19.50
5
16023001
ref: 5
COTTER PIN
€ 1.50
6
16024002
ref: 6
ROD,THROTTLE VALVE ST
€ 6.50
6
16024011
ref: 6
THROTTLE VALVE STOP ROD
€ 9.50
7
16002002
ref: 7
ADJUSTER-CABLE,STARTE
€ 8.00
8
16003004
ref: 8
NUT-CABLE ADJUST LOCK
€ 4.50
9
16012004
ref: 9
CAP-STARTER PLUNGER
€ 7.50
9
16012006
ref: 9
CAP-STARTER PLUNGER
€ 3.50
10
16013005
ref: 10
SPRING-STARTER PLUNG
€ 3.00
11
16016002
ref: 11
PLUNGER,STARTER
€ 20.00
12
16010004
ref: 12
SCREW-CLAMP
€ 3.50
13
311B0600
ref: 13
USE 310B0600
NUT,6MM
€ 0.50
13
311B0600
ref: 13
NUT,6MM
€ 0.50
14
16034001
ref: 14
WASHER-MAIN JET
€ 2.50
15
92063015
ref: 15
S.T.D.
MAIN JET #140
€ 4.50
15
92063014
ref: 15
A1, A1SS
MAIN JET #130
€ 10.50
15
92063016
ref: 15
OPTION
MAIN JET #150
€ 13.00
15
920631035
ref: 15
S.T.D.
MAIN JET,#97.5R
€ 10.00
15
92063068
ref: 15
A7, A7SS OPTION
MAIN JET,#92.5R
€ 15.50
15
920631031
ref: 15
A7, A7SS OPTION
MAIN JET,#95R
€ 10.00
15
920631033
ref: 15
A7, A7SS OPTION
JET-MAIN,#A100R
€ 17.00
15
920631028
ref: 15
A7, A7SS OPTION
JET-MAIN,#A102.5R
€ 10.00
16
16031004
ref: 16
FLOAT
€ 67.00
16
16031023
ref: 16
FLOAT
€ 22.50
17
16033009
ref: 17
I.S.O. THREAD
SCREW-FLOAT CHAMBER
€ 0.50
18
16017026
ref: 18
NEEDLE JET
€ 8.50
18
16017027
ref: 18
NEEDLE JET
€ 5.50
19
92001014
ref: 19
BOLT-BANJO
€ 11.50
19
92001011
ref: 19
BOLT-BANJO
€ 2.50
20
751P0800
ref: 20
GASKET,8MM
€ 1.00
21
16022010
ref: 21
SPRING,THROTTLE ADJST
€ 4.50
21
16022007
ref: 21
SPRING-THR STOP SCREW
€ 5.50
22
16014003
ref: 22
SCREW-PILOT AIR
€ 17.00
22
16014006
ref: 22
SCREW-PILOT AIR
€ 9.00
23
16019004
ref: 23
GASKET,FLOAT CHAMBER (NAS)
€ 19.50
23
16019008
ref: 23
GASKET,FLOAT CHAMBER (NAS)
€ 27.00
24
16029002
ref: 24
D=7M/M
WASHER-VALVE SEAT
€ 2.50
24
16029004
ref: 24
D=9M/M
WASHER-FLOAT VLV SEAT
€ 2.50
25
16030001
ref: 25
D=7M/M
VALVE-FLOAT,#2.0
€ 40.50
25
16030005
ref: 25
D=9M/M
VALVE-FLOAT,2.5
€ 43.00
26
16032003
ref: 26
FLOAT PIN
€ 4.00
27
16004010
ref: 27
CAP-CHAMBER,MIXING
€ 13.50
27
16004006
ref: 27
CAP-MIXING CHAMBER
€ 14.00
28
16021002
ref: 28
SCREW-THROTTLE STOP
€ 12.00
29
16022005
ref: 29
SPRING-THR STOP SCREW
€ 5.50
30
16005005
ref: 30
TOP-CHAMBER,MIXING
€ 12.50
30
16005010
ref: 30
TOP-MIXING CHAMBER
€ 3.50
31
16006013
ref: 31
SPRING-THROTTLE VALVE
€ 10.00
31
16006007
ref: 31
SPRING-THROTTLE VALVE
€ 4.00
32
16077001
ref: 32
GUIDE,CABLE
€ 6.50
33
16002004
ref: 33
CABLE ADJUSTER
€ 8.00
34
16036002
ref: 34
(THROTTLE)
CAP-CABLE ADJUSTER,A
€ 3.50
35
16036003
ref: 35
(STARTER)
CAP-CABLE ADJUSTER,B
€ 1.50
36
16037002
ref: 36
CAP,PILOT SCREW
€ 4.50
37
14038009
ref: 37
L=10 M/M
CAP-L.H CARBURETOR
€ 3.50
37
14038013
ref: 37
L=33 M/M
CAP-L.H CARBURETOR
€ 3.50
38
14038008
ref: 38
L=22 M/M
CAP-CARBURETOR
€ 6.50
38
14038023
ref: 38
L=33 M/M
CAP
€ 1.50
39
14038006
ref: 39
L=33 M/M
BOOT,CARBURETOR CAP
€ 5.50
39
14038011
ref: 39
L=30 M/M
GROMMET-CARBRETOR CAP
€ 2.50
40
92059031
ref: 40
L=160 M/M
PIPE-FUEL OVERFLOW
€ 1.50
41
16051002
ref: 41
CLAMP SET-CARB MOUNT
€ 8.00
42
92059040
ref: 42
L=450 M/M
PIPE-AIR VENT A
€ 2.50
42
92059040
ref: 42
L=450 M/M
PIPE-AIR VENT A
€ 2.50
43
92059044
ref: 43
L=370 M/M
PIPE-AIR VENT B
€ 2.50
43
92059044
ref: 43
L=370 M/M
PIPE-AIR VENT B
€ 2.50
up
all assemblies
GEAR CHANGE MECHANISM
KICKSTARTER MECHANISM
ENGINE COVERS
CARBURETOR VM22SC, VM26SC
CARBURETOR VM22SC, VM28SC
OIL PUMP
AIR CLEANER
MUFFLER A1, A7
FRONT HUB/BRAKE
REAR HUB/BRAKE
FENDERS
FUEL TANK (1)
FUEL TANK (2)
IGNITION CDI
FRAME A1SS/A7SS
FRAME A1/SS, A7/SS
FRAME A1/SS, A7/SS, U.S. MODELS
SWING ARM/SHOCK ABSORBERS A1-A7S
FOOTRESTS/STANDS/BRAKE PEDAL
FRONT FORK A1-A7SS 2
FRONT FORK A1-A7SS
STEERING DAMPER
WHEELS/TIRES
MUFFLER/SPARK ARRESTER A1SS, A7S
IGNITION/GENERATOR A1/A1SS/A7/A7
OIL TANK
SEAT/SIDE COVERS
CABLES
HEADLIGHT/TAILLIGHT/METERS 1
HEADLIGHT/TAILLIGHT/METERS 2
HANDLEBAR A1/SS, A7/SS
HANDLEBAR A1/SSA, A7/SSA
FRONT FORK A1-A7SS 1
CHASSIS ELECTRICAL EQUIPMENT
TOOLS
OPTIONAL PARTS
CYLINDER HEAD/CYLINDER
CRANKSHAFT/PISTONS A7/A7SS
CRANKCASE
CLUTCH
TRANSMISSION
up