×
Genuine ZX Kawasaki Parts delivered quickly!
home
ZX1100F1 GPZ1100 1996 EUROPE UK FR NL AR FG GR NR SD ST
CYLINDER HEAD
26 products
CYLINDER HEAD COVER
11 products
CYLINDER/PISTON(S)
15 products
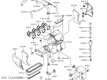
AIR CLEANER
42 products
MUFFLER(S)
15 products
VALVE(S)
36 products
CAMSHAFT(S)/TENSIONER
17 products
CRANKSHAFT
19 products
BALANCER
37 products
CLUTCH
38 products
TRANSMISSION
30 products
GEAR CHANGE DRUM/SHIFT FORK(S)
14 products
GEAR CHANGE MECHANISM
22 products
CRANKCASE
39 products
CRANKCASE BOLT PATTERN
11 products
ENGINE COVER(S)
39 products
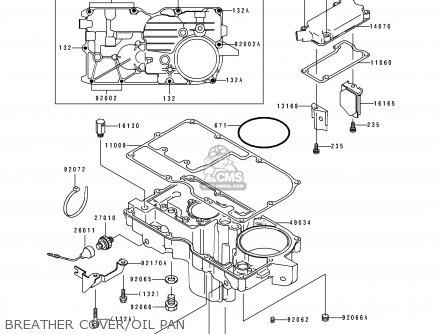
BREATHER COVER/OIL PAN
23 products
CARBURETOR
68 products
CARBURETOR PARTS
29 products
OIL PUMP
44 products
GENERATOR
27 products
IGNITION SYSTEM
25 products
STARTER MOTOR
20 products
RADIATOR
74 products
OIL COOLER
19 products
FRAME
12 products
FRAME FITTINGS
9 products
BATTERY CASE
16 products
SWINGARM
21 products
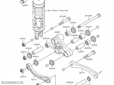
SUSPENSION
17 products
FOOTRESTS
14 products
FENDERS
21 products
STAND(S)
8 products
TIRES
6 products
FRONT HUB
17 products
REAR HUB
22 products
BRAKE PEDAL
2 products
SHOCK ABSORBER(S)
2 products
FRONT MASTER CYLINDER
36 products
FRONT BRAKE
23 products
REAR MASTER CYLINDER
25 products
REAR BRAKE
18 products
HANDLEBAR
13 products
FRONT FORK
23 products
CLUTCH MASTER CYLINDER
24 products
FUEL TANK
31 products
SEAT
7 products
METER(S)
21 products
CABLES
9 products
SIDE COVERS/CHAIN COVER
14 products
HEADLIGHT(S)
8 products
TAILLIGHT(S)
17 products
TURN SIGNALS
17 products
OTHER
33 products
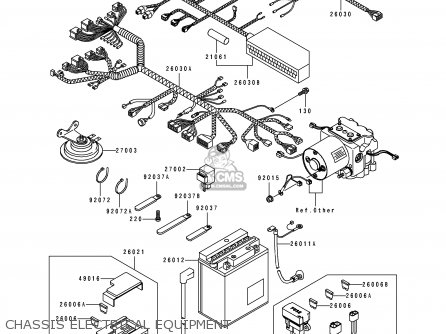
CHASSIS ELECTRICAL EQUIPMENT
24 products
IGNITION SWITCH
29 products
OWNER'S TOOLS
21 products
LABELS
10 products
DECALS
9 products
COWLING
30 products
COWLING LOWERS
20 products
Publications
0 products
Model Identification
0 products
1996 ZX1100-F1 RL PEARL GREENISH BLACK
0 products
up
popular products
130911041
HOLDER CLUTCH SPRING
Kawasaki
920631114
JET-MAIN,#110
Kawasaki
920491165
SEAL-OIL,PISTON
Kawasaki
920331177
RING-SNAP,50MM
Kawasaki