×
Genuine ZG Kawasaki Parts delivered quickly!
home
ZG1200A1 VOYAGER XII 1986 USA CALIFORNIA CANADA
HEADLIGHT
12 products
TAILLIGHT
26 products
TURN SIGNALS
24 products
AUDIO
27 products
CHASSIS ELECTRICAL EQUIPMENT
40 products
IGNITION SWITCH/LOCKS/REFLECTORS
19 products
OWNER TOOLS
14 products
FUEL TANK
26 products
SEAT
22 products
METERS
23 products
CABLES
8 products
SIDE COVERS
6 products
TRUNK
40 products
SADDLEBAGS
34 products
CYLINDER HEAD
29 products
CYLINDER HEAD COVER
18 products
CYLINDER/PISTONS
13 products
AIR CLEANER
56 products
MUFFLER
23 products
CLUTCH
38 products
TRANSMISSION
30 products
GEAR CHANGE DRUM & FORKS
16 products
GEAR CHANGE MECHANISM
21 products
CRANKCASE
29 products
CRANKCASE BOLT PATTERN
9 products
ENGINE COVERS
17 products
ROCKER ARMS/VALVES
9 products
CAMSHAFTS/CHAIN/TENSIONER
15 products
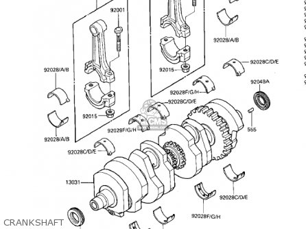
CRANKSHAFT
18 products
SECONDARY SHAFT/STARTER CLUTCH
18 products
BALANCER
24 products
STARTER MOTOR
20 products
WATER PUMP
44 products
RADIATOR/FAN/COOLANT TANK
30 products
FRONT BEVEL GEARS
79 products
CANISTER
29 products
OIL PUMP/OIL FILTER
41 products
GENERATOR/REGULATOR
29 products
IGNITION
19 products
STANDS
13 products
TIRES
6 products
FRONT WHEEL/HUB
17 products
REAR WHEEL/HUB
15 products
BRAKE PEDAL
6 products
LABELS
20 products
FAIRING
48 products
FAIRING LOWERS
26 products
TRUNK BRACKET
35 products
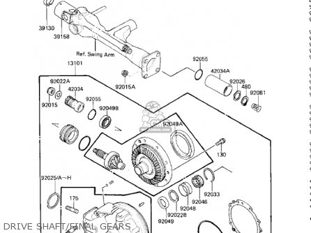
DRIVE SHAFT/FINAL GEARS
41 products
FRAME
22 products
FRAME FITTINGS
16 products
BATTERY CASE
30 products
SWING ARM
11 products
SHOCK ABSORBERS
21 products
FOOTRESTS
27 products
FENDERS
15 products
FRONT MASTER CYLINDER
28 products
FRONT BRAKE
17 products
REAR MASTER CYLINDER
23 products
REAR BRAKE
16 products
HANDLEBAR
25 products
FRONT FORK
36 products
CLUTCH MASTER CYLINDER
27 products
BREATHER COVER/OIL PAN
15 products
FUEL PUMP
3 products
CARBURETOR ASSY
53 products
CARBURETOR PARTS
36 products
up
popular products
92027164
COLLAR,6.3X10X5
Kawasaki
110091557
GASKET,BREATHER BODY (MCA)
Kawasaki
140141074
PLATE-POSITION
Kawasaki
920551323
RING-O, 84.4X2.4
Kawasaki