×
Genuine ZG Kawasaki Parts delivered quickly!
home
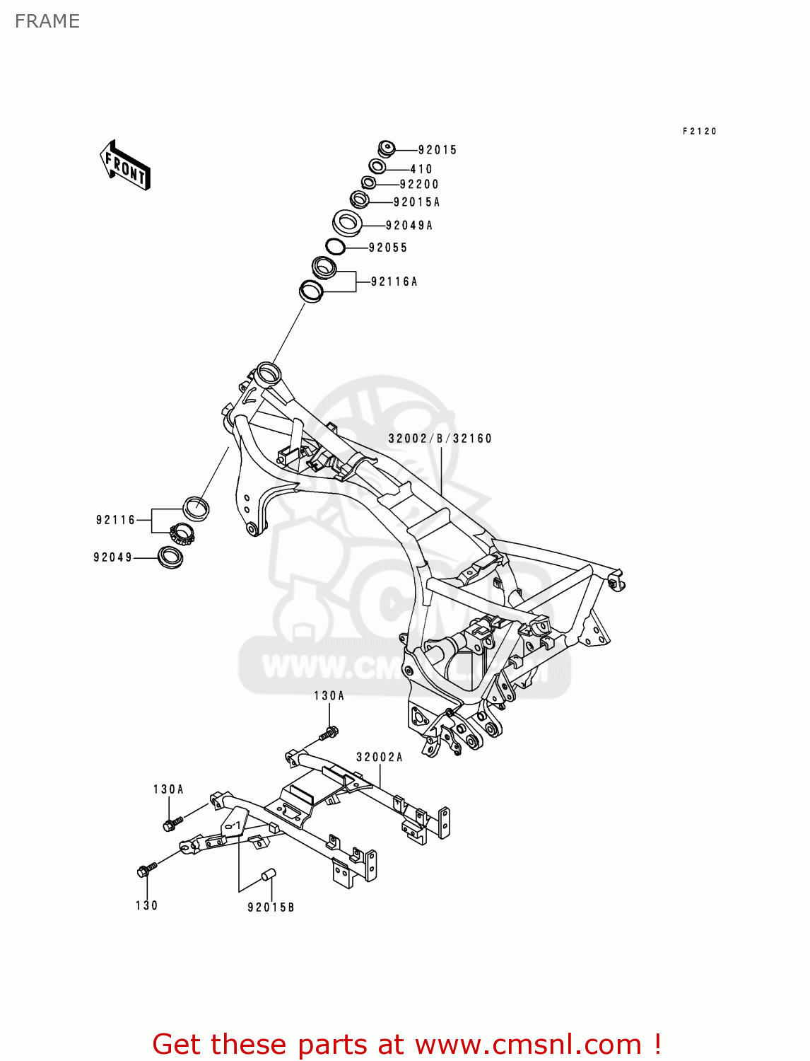
FRAME
ZG1000A15 1000GTR 2000 EUROPE FR
Frame diagram ZG1000A15 1000GTR 2000 EUROPE FR
FRAME ZG1000A15 1000GTR 2000 EUROPE FR
×
prices are in EUR
ref
part #
description
quantity
130
130G1020
ref: 130
BOLT-FLANGED,10X20
€ 1.50
130A
130G1030
ref: 130A
BOLT-FLANGED,10X30
€ 3.00
410
410F1800
ref: 410
W-PLAIN-S
€ 3.00
32002A
320021879
ref: 32002A
FRAME-COMP,AL,RR
€ 670.00
32160
321601592
ref: 32160
FRAME-COMP,FR
€ 1,517.50
92015
920151404
ref: 92015
NUT,18MM
€ 15.50
92015A
920151546
ref: 92015A
NUT,25MM,T=12
€ 14.50
92015B
920151796
ref: 92015B
NUT,CRIMP 6MM
€ 3.00
92049
920491162
ref: 92049
SEAL-OIL,XMHE36X52X4J
€ 7.50
92049A
920491214
ref: 92049A
SEAL-OIL,STEERING STE
€ 11.00
92055
920551459
ref: 92055
RING-O,ID=24.5
€ 3.00
92116
921161009
ref: 92116
BEARING R,HR320/28XJ
€ 41.00
92116A
921161056
ref: 92116A
BEARING-ROLLER
€ 48.50
92200
922001357
ref: 92200
WASHER,CLAW,18.5X30X2
€ 4.50
up
all assemblies
CYLINDER HEAD
CYLINDER HEAD COVER
CYLINDER/PISTON(S)
AIR CLEANER
MUFFLER(S)
VALVE(S)
CAMSHAFT(S)/TENSIONER
CRANKSHAFT
BALANCER
CLUTCH
TRANSMISSION
GEAR CHANGE DRUM/SHIFT FORK(S)
GEAR CHANGE MECHANISM
CRANKCASE
CRANKCASE BOLT PATTERN
ENGINE COVER(S)
BREATHER COVER/OIL PAN
CARBURETOR
CARBURETOR PARTS
OIL PUMP
GENERATOR
IGNITION SYSTEM
STARTER MOTOR
RADIATOR
OIL COOLER
FRONT BEVEL GEAR
DRIVE SHAFT/FINAL GEAR
FRAME
FRAME FITTINGS
BATTERY CASE
SWINGARM
SUSPENSION
FOOTRESTS
FENDERS
STAND(S)
TIRES
FRONT HUB
REAR HUB
BRAKE PEDAL
SHOCK ABSORBER(S)
FRONT MASTER CYLINDER
FRONT BRAKE
REAR MASTER CYLINDER
REAR BRAKE
HANDLEBAR
FRONT FORK(ZG1000-A14/A15)
CLUTCH MASTER CYLINDER
FUEL TANK
SEAT
METER(S)
CABLES
SIDE COVERS
HEADLIGHT(S)
TAILLIGHT(S)
TURN SIGNALS
CHASSIS ELECTRICAL EQUIPMENT
IGNITION SWITCH
OWNER'S TOOLS
LABELS
DECALS
COWLING
COWLING LOWERS
ACCESSORY
PUBLICATIONS
MODEL IDENTIFCATION
up