Genuine VN Kawasaki Parts delivered quickly!

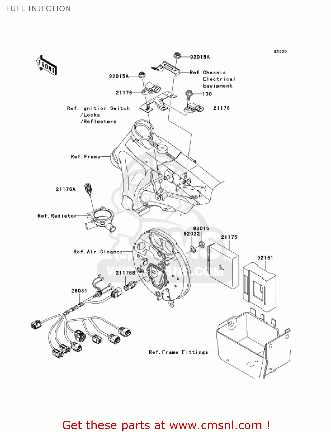
FUEL INJECTION

VN1600A6F VULCAN 1600 CLASSIC 2006 USA CALIFORNIA CANADA

Fuel injection diagram VN1600A6F VULCAN 1600 CLASSIC 2006 USA CALIFORNIA CANADA

FUEL INJECTION VN1600A6F VULCAN 1600 CLASSIC 2006 USA CALIFORNIA CANADA
FUEL INJECTION VN1600A6F VULCAN 1600 CLASSIC 2006 USA CALIFORNIA CANADA
FUEL INJECTION VN1600A6F VULCAN 1600 CLASSIC 2006 USA CALIFORNIA CANADA
prices are in EUR
ref
part #
description
quantity
130
130L0614
ref: 130
BOLT-FLANGED
130L0614
€ 1.50

21175
211751099
ref: 21175
CONTROL UNIT-ELECTRON
€ 1,153.50

21176
211760058
ref: 21176
SENSOR IAPS
211760058
€ 123.50

21176A
211761085
ref: 21176A
SENSOR,WATER TEMPERAT
211761085
€ 52.50

21176B
211761086
ref: 21176B
SENSOR,AIR TEMPERATUR
211761086
€ 49.00

26031
260310300
ref: 26031
HARNESS
€ 133.50

92015
920151395
ref: 92015
NUT,12MM
920151395
€ 3.00

92015A
920151603
ref: 92015A
NUT
920151603
€ 3.00

92022
92022269
ref: 92022
WASHER,PLAIN
92022269
€ 1.00

92161
921611210
ref: 92161
DAMPER
€ 18.00