Genuine VN Kawasaki Parts delivered quickly!

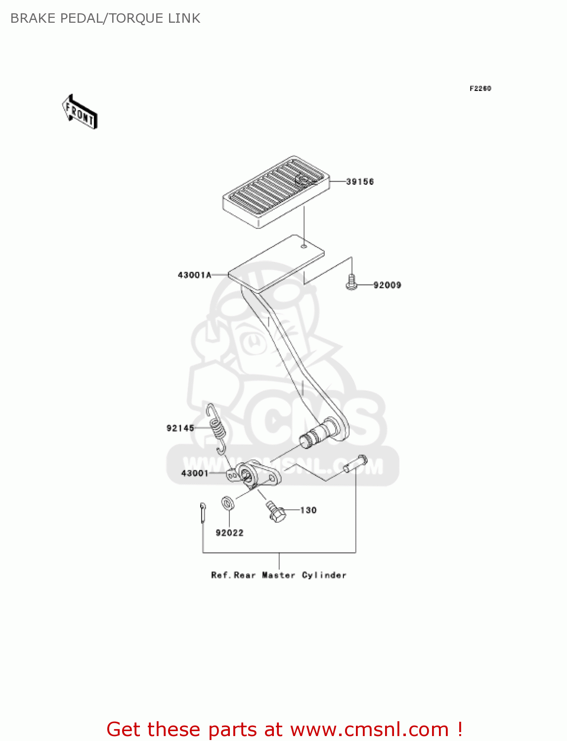
BRAKE PEDAL/TORQUE LINK

VN1500N3 VULCAN 1500 CLASSIC FI 2002 USA CALIFORNIA CANADA

Brake pedal/torque link diagram VN1500N3 VULCAN 1500 CLASSIC FI 2002 USA CALIFORNIA CANADA

BRAKE PEDAL/TORQUE LINK VN1500N3 VULCAN 1500 CLASSIC FI 2002 USA CALIFORNIA CANADA
BRAKE PEDAL/TORQUE LINK VN1500N3 VULCAN 1500 CLASSIC FI 2002 USA CALIFORNIA CANADA
BRAKE PEDAL/TORQUE LINK VN1500N3 VULCAN 1500 CLASSIC FI 2002 USA CALIFORNIA CANADA
prices are in EUR
ref
part #
description
quantity
130
130J0830
ref: 130
BOLT-FLANGED,8X30
130J0830
€ 2.50

39156
391561624
ref: 39156
PAD,BRAKE PEDAL
391561624
€ 11.50

43001
430011431
ref: 43001
LEVER-BRAKE
430011431
€ 30.00

43001A
430011433
ref: 43001A
LEVER-BRAKE,PEDAL
€ 77.00

92009
920091677
ref: 92009
SCREW,6X8,BLACK
920091677
€ 2.50

92022
920221582
ref: 92022
WASHER,8.5X16X1.2
€ 0.50

92145
921451353
ref: 92145
SPRING,BRAKE PEDAL RE
€ 7.00