×
Genuine KZ Kawasaki Parts delivered quickly!
home
KZ750N1 SPECTRE 1982 USA CANADA
BRAKE PEDAL
8 products
HANDLEBAR
23 products
FRONT FORK
43 products
FRONT MASTER CYLINDER
29 products
FRONT BRAKE
18 products
REAR MASTER CYLINDER
23 products
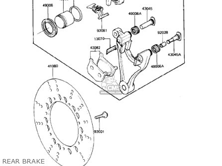
REAR BRAKE
16 products
TIRES
6 products
FRONT WHEEL/HUB
17 products
REAR WHEEL/HUB
16 products
FENDERS
12 products
FUEL TANK
33 products
OIL PUMP/OIL FILTER
27 products
CARBURETOR ASSY
40 products
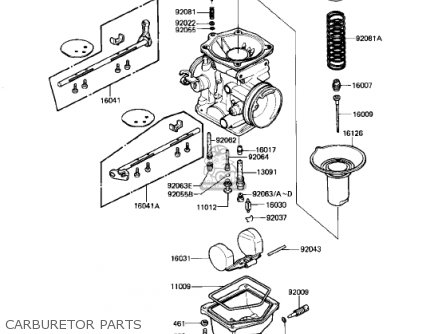
CARBURETOR PARTS
35 products
AIR CLEANER
31 products
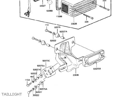
TAILLIGHT
17 products
TURN SIGNALS
25 products
IGNITION SWITCH/LOCKS/REFLECTORS
23 products
CHASSIS ELECTRICAL EQUIPMENT
38 products
LABELS
9 products
OWNER TOOLS
23 products
CYLINDER HEAD COVER
12 products
CYLINDER HEAD
15 products
VALVES
34 products
CAMSHAFTS/CHAIN/TENSIONER
22 products
CYLINDER/PISTONS
13 products
CRANKSHAFT
21 products
SECONDARY SHAFT
9 products
SIDE COVERS
5 products
SEAT
18 products
CABLES
9 products
METERS
25 products
HEADLIGHT
36 products
GEAR CHANGE MECHANISM
12 products
FRONT BEVEL GEARS
49 products
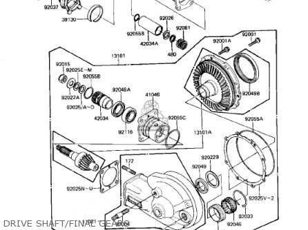
DRIVE SHAFT/FINAL GEARS
67 products
ENGINE COVERS
18 products
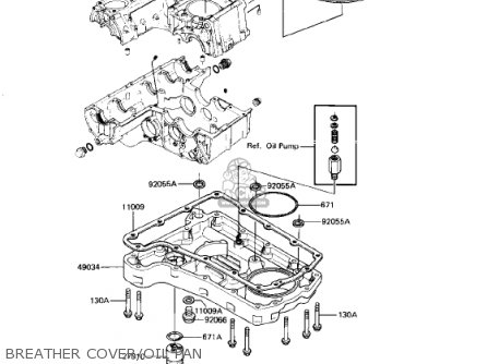
BREATHER COVER/OIL PAN
14 products
MUFFLERS
27 products
IGNITION
22 products
GENERATOR/REGULATOR
12 products
STARTER MOTOR/STARTER CLUTCH
33 products
CRANKCASE
24 products
CRANKCASE BOLT & STUD PATTERN
7 products
CLUTCH
30 products
TRANSMISSION
29 products
GEAR CHANGE DRUM & FORKS
18 products
FRAME
9 products
FRAME FITTINGS
15 products
BATTERY CASE/TOOL CASE
38 products
SWING ARM
7 products
SHOCK ABSORBERS
14 products
FOOTRESTS
16 products
STANDS
13 products
up
popular products
920271394
COLLAR,17X26X4.5
Kawasaki
921071052
TOOL-DRIVER
Kawasaki
920261038
SPACER,FORK
Kawasaki
920251109
SHIM,T=2.95
Kawasaki