×
Genuine KZ Kawasaki Parts delivered quickly!
home
KZ200A1A 1978 CANADA
FENDERS
25 products
FUEL TANK
19 products
SIDE COVERS/CHAIN COVER
16 products
SEAT
19 products
CABLES
12 products
METERS/IGNITION SWITCH
41 products
HEADLIGHT
18 products
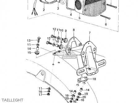
TAILLIGHT
20 products
TURN SIGNALS
21 products
CHASSIS ELECTRICAL EQUIPMENT
20 products
OWNER TOOLS
19 products
SPECIAL SERVICE TOOLS
37 products
TRANSMISSION
30 products
GEAR CHANGE MECHANISM
27 products
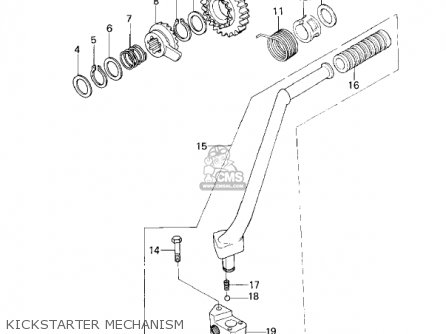
KICKSTARTER MECHANISM
21 products
ENGINE COVERS
20 products
OIL PUMP/OIL FILTER
21 products
FRONT BRAKE
33 products
WHEELS/TIRES
18 products
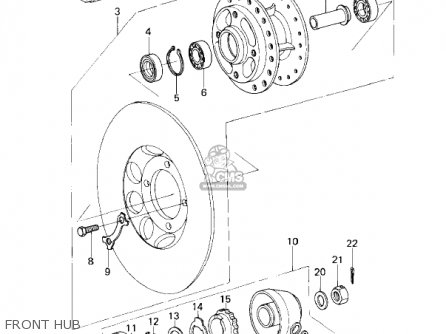
FRONT HUB
22 products
REAR HUB/BRAKE/CHAIN
30 products
CYLINDER HEAD COVERS
10 products
CYLINDER HEAD/CYLINDER
21 products
ROCKER ARMS/VALVES
17 products
CAMSHAFT/CHAIN/TENSIONER
17 products
CRANKSHAFT/PISTON
21 products
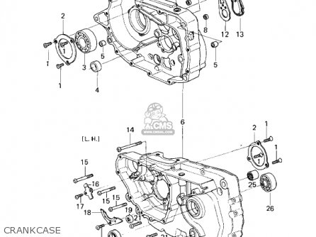
CRANKCASE
26 products
CLUTCH
28 products
CARBURETOR
44 products
AIR CLEANER/MUFFLER
26 products
IGNITION/REGULATOR
26 products
GENERATOR/STARTER MOTOR
34 products
FRAME/FRAME FITTINGS
30 products
BATTERY CASE/ELECTRO BRACKET
13 products
SWING ARM/SHOCK ABSORBERS
30 products
FOOTRESTS/STANDS/BRAKE PEDAL
35 products
HANDLEBAR
38 products
FRONT FORK
38 products
up
popular products
92110012
TOOL-WRENCH,BOX,21MM
Kawasaki
92069059
BULB,12V 32/3CP
Kawasaki
57001143
PLIERS,CIRCLIP,INSIDE
Kawasaki
45016008
BUSHING,SHOCK ABSORB
Kawasaki