×
Genuine KX Kawasaki Parts delivered quickly!
home
KX80-G2 1987 AL UR
CHANGE DRUM/SHIFT FORK
10 products
GEAR CHANGE MECHANISM
13 products
CRANKCASE
24 products
ENGINE COVER
20 products
CARBURETOR (KX80-G1)
2 products
CYLINDER HEAD/CYLINDER
15 products
AIR FILTER
14 products
MUFFLER
12 products
CRANKSHAFT/PISTON
15 products
KICKSTARTER MECHANISM
21 products
CLUTCH
19 products
TRANSMISSION
18 products
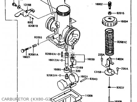
CARBURETOR (KX80-G2)
58 products
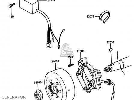
GENERATOR
9 products
IGNITION COIL
8 products
RADIATOR
18 products
TIRE
17 products
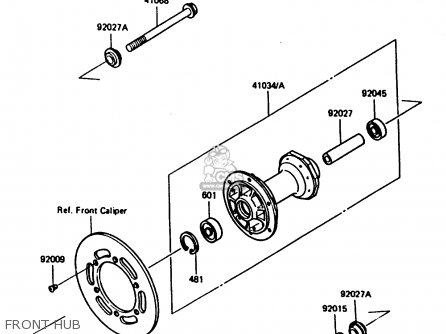
FRONT HUB
9 products
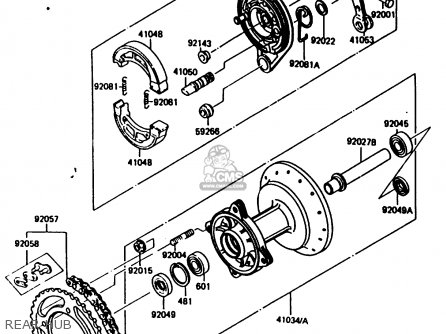
REAR HUB
32 products
BRAKE PEDAL
18 products
SHOCK ABSORBER
21 products
FRAME
5 products
FRAME FITTING
13 products
SWING ARM
19 products
SUSPENSION
11 products
STEP
6 products
FENDER
6 products
STAND
6 products
SIDE COVER
6 products
TOOL
2 products
LABEL
5 products
OPTIONAL PARTS
5 products
ACCESSORY
6 products
FRONT MASTER CYLINDER
24 products
FRONT CALIPER
15 products
HANDLEBAR
24 products
FRONT FORK
27 products
FUEL TANK
15 products
SEAT
3 products
CABLE
2 products
PUBLICATIONS
0 products
MODEL IDENTIFICATION
0 products
up
popular products
21169001
TERMINAL,PLUG CAP
Kawasaki
92045026
BEARING,BALL,#627
Kawasaki
920921016
BUSHING-RUBBER,SHOCKA
Kawasaki
131651114
PAWL,CHANGE LEVER
Kawasaki