×
Genuine KX Kawasaki Parts delivered quickly!
home
KX60-B15 1999 EUROPE AS
CYLINDER HEAD/CYLINDER
12 products
AIR CLEANER
14 products
MUFFLER(S)
11 products
CRANKSHAFT/PISTON(S)
16 products
KICKSTARTER MECHANISM
22 products
CLUTCH
18 products
TRANSMISSION
18 products
GEAR CHANGE DRUM/SHIFT FORK(S)
8 products
GEAR CHANGE MECHANISM
9 products
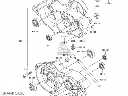
CRANKCASE
19 products
ENGINE COVER(S)
22 products
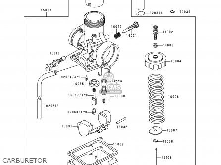
CARBURETOR
43 products
GENERATOR
8 products
IGNITION SYSTEM
5 products
RADIATOR
13 products
FRAME
6 products
FRAME FITTINGS
9 products
SWINGARM
19 products
SUSPENSION
17 products
FOOTRESTS
6 products
FENDERS
7 products
STAND(S)
6 products
TIRES
17 products
FRONT HUB
17 products
REAR HUB
39 products
BRAKE PEDAL
12 products
SHOCK ABSORBER(S)
12 products
HANDLEBAR
27 products
FRONT FORK
26 products
FUEL TANK
16 products
SEAT
2 products
CABLES
6 products
SIDE COVERS
7 products
OWNER'S TOOLS
2 products
LABELS(KX60-B15)
8 products
OPTIONAL PARTS
8 products
ACCESSORY
7 products
1999 KX60-B15 7F LIME GREEN
0 products
2000 KX60-B16 7F LIME GREEN
0 products
PUBLICATIONS
0 products
MODEL IDENTIFCATION
0 products
up
popular products
601A6002
BEARING-BALL,#6002
Kawasaki
130641154
LEVER-ASSY-KICK,PEDAL
Kawasaki
601B6200UU
BEARING-BALL,#6200UUC
Kawasaki
540111222
CABLE-CLUTCH
Kawasaki