×
Genuine KX Kawasaki Parts delivered quickly!
home
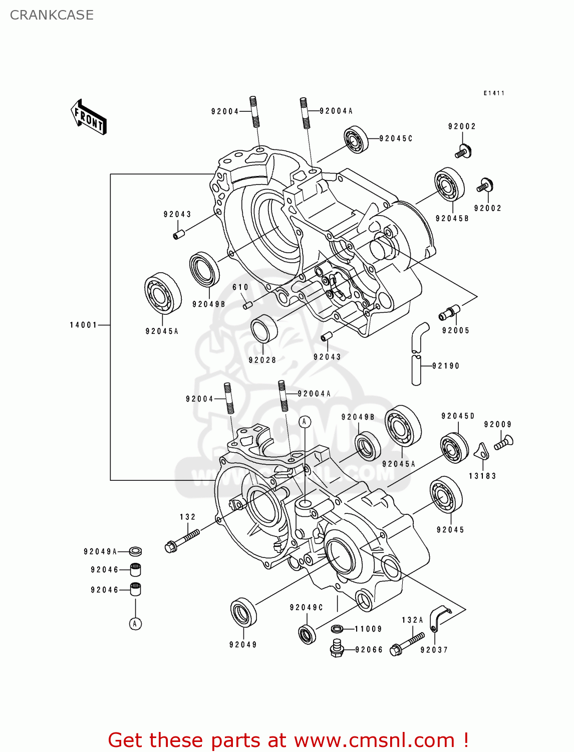
CRANKCASE
KX500-E1 1989 USA CANADA
Crankcase diagram KX500-E1 1989 USA CANADA
CRANKCASE KX500-E1 1989 USA CANADA
×
prices are in EUR
ref
part #
description
quantity
11009
92065058
ref: 11009
GASKET, 10,5X16X1 (NAS)
€ 2.50
13183
131831182
ref: 13183
PLATE
€ 3.00
14001
140015258
ref: 14001
SET-CRANKCASE
€ 713.00
92002
920021659
ref: 92002
BOLT
€ 3.00
92004
920041160
ref: 92004
STUD,10X45
€ 8.50
92004A
920041176
ref: 92004A
STUD,10X55
€ 8.00
92005
920051127
ref: 92005
FITTING,BREATHER
€ 13.00
92009
920091563
ref: 92009
SCREW,6X10
€ 2.50
92028
92028131
ref: 92028
BUSHING
€ 28.00
92037
920371318
ref: 92037
CLAMP,HARNESS
€ 4.50
92043
92042007
ref: 92043
PIN-DOWEL
€ 4.00
92045
920451011
ref: 92045
BEARING-BALL,#6305
€ 33.50
92045A
920451027
ref: 92045A
BEARING-BALL,6306SH2,
€ 60.50
92045B
920451134
ref: 92045B
BEARING-BALL,63/22T2C
€ 36.00
92045C
920451212
ref: 92045C
BEARING-BALL
€ 11.50
92045D
920451233
ref: 92045D
BEARING-BALL
€ 32.00
92046
920461010
ref: 92046
BEARING-NEEDLE,HK1210
€ 17.00
92049
920491159
ref: 92049
SEAL-OIL,TC32457
€ 8.00
92049A
920491262
ref: 92049A
SEAL-OIL
€ 4.00
92049B
92050057
ref: 92049B
OIL SEAL,L.H CRNKCASE
€ 14.50
92049C
92051005A
ref: 92049C
OIL SEAL,TB13225.5
€ 5.50
92066
920661241
ref: 92066
PLUG
€ 4.00
92190
921901116
ref: 92190
TUBE,6X9X330
€ 8.00
132
132G0650
ref: 132
BOLT-FLANGED-SMALL
€ 2.00
132A
132G0660
ref: 132A
BOLT-FLANGED-SMALL
€ 2.50
610
610A0408
ref: 610
ROLLER,4X8
€ 2.50
up
all assemblies
CYLINDER HEAD/CYLINDER
AIR FILTER
MUFFLER
CRANKSHAFT/PISTON
KICKSTARTER MECHANISM
CLUTCH
TRANSMISSION
CHANGE DRUM/SHIFT FORK
GEAR CHANGE MECHANISM
CRANKCASE
ENGINE COVER
CARBURETOR
GENERATOR
IGNITION COIL
RADIATOR
FRAME
FRAME FITTING
SWING ARM(KX500-E1)
SUSPENSION
STEP
FENDER
STAND
TIRE
FRONT HUB
REAR HUB
BRAKE PEDAL
SHOCK ABSORBER
FRONT MASTER CYLINDER
FRONT CALIPER
REAR MASTER CYLINDER
REAR CALIPER
HANDLEBAR
FRONT FORK(KX500-E1)
FUEL TANK
SEAT
CABLE
SIDE COVER
TOOL
LABEL(KX500-E1/E2)
ACCESSORY
OPTIONAL PARTS(1/4)
1989 KX500-E1 00
1990 KX500-E2 7F LIME GREEN
1991 KX500-E3 7F LIME GREEN
Publications
Model Identification
up