×
Genuine KX Kawasaki Parts delivered quickly!
home
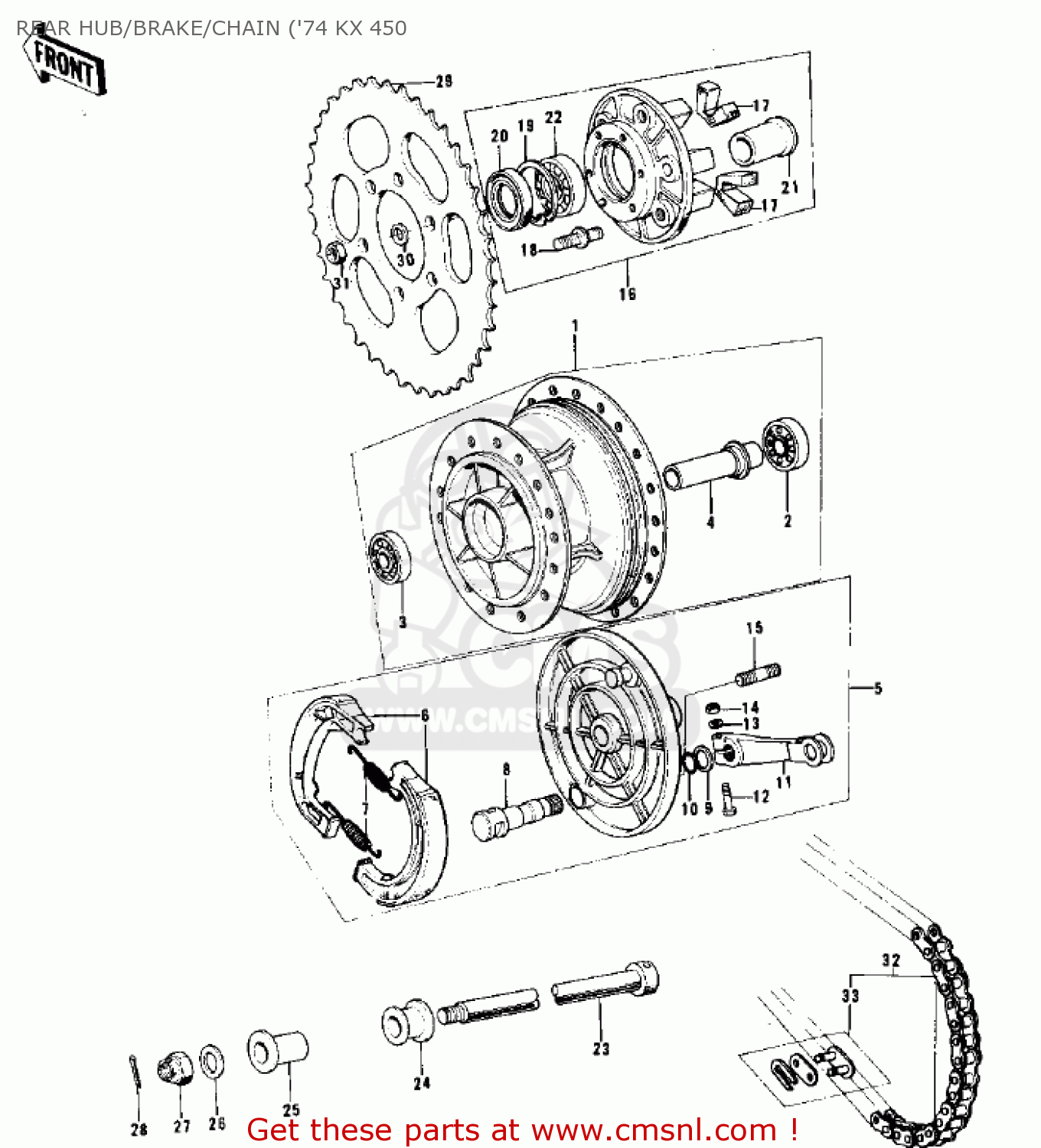
REAR HUB/BRAKE/CHAIN ('74 KX 450
KX450 1974
Rear hub/brake/chain ('74 kx 450 diagram KX450 1974
REAR HUB/BRAKE/CHAIN ('74 KX 450 KX450 1974
×
prices are in EUR
ref
part #
description
quantity
1
42005043
ref: 1
DRUM ASSY,REAR BRAKE
€ 229.00
2
92045027
ref: 2
BEARING,BALL,#6202
€ 11.50
3
92045028
ref: 3
BEARING,BALL,#6302
€ 8.00
4
42010024
ref: 4
COLLAR,REAR HUB BRNG
€ 14.00
5
42006051
ref: 5
PANEL ASSY,REAR BRAKE
€ 267.50
6
42019011
ref: 6
SHOE,BRAKE (MCA)
€ 18.50
7
42020004
ref: 7
SPRING-BRAKE SHOE
€ 5.50
8
42026013
ref: 8
CAM SHAFT,REAR BRAKE
€ 29.50
9
92022258
ref: 9
WASHER
€ 4.50
10
670B2015
ref: 10
O RING,15MM
€ 1.00
11
42029037
ref: 11
LEVER,REAR BRAKE CAM
€ 27.50
12
112G0640
ref: 12
BOLT-UPSET,6X40
€ 2.50
12
112G0640
ref: 12
BOLT-UPSET,6X40
€ 2.50
13
410B0600
ref: 13
WASHER-PLAIN-SMALL,6M
€ 0.50
14
311B0600
ref: 14
NUT,6MM
€ 0.50
15
92006004
ref: 15
STUD,10X18
€ 2.00
16
42008025
ref: 16
COUPLING ASSY,RR BRK
€ 153.00
17
42014022
ref: 17
SHOCK DAMPER,REAR HUB
€ 7.50
18
92006005
ref: 18
STUD,8MM,10MM
€ 4.50
19
920331042
ref: 19
CIRCLIP,47M/M
€ 4.00
20
42027004
ref: 20
DUST SEAL,COUPLING
€ 11.50
21
42036022
ref: 21
SLEEVE,COUPLING
€ 12.50
22
92045032
ref: 22
BEARING,BALL,#6005NS
€ 12.50
23
42031048
ref: 23
AXLE, REAR
€ 38.50
24
42032051
ref: 24
L=22M/M
COLLAR,REAR AXLE R.H
€ 8.00
25
42032054
ref: 25
COLLAR,REAR AXLE
€ 9.50
26
92022260
ref: 26
O.D.=30
WASHER
€ 7.50
27
92103006
ref: 27
NUT,CASTLE,14MM
€ 9.00
28
550D3025
ref: 28
PIN-COTTER,3.0X25
€ 0.50
29
42041129
ref: 29
STD
REAR SPROCKET 43T
€ 67.50
29
42041130
ref: 29
OPTION
REAR SPROCKET 41T
€ 99.00
29
42041131
ref: 29
OPTION
REAR SPROCKET,45T
€ 228.00
30
410B0800
ref: 30
WASHER-PLAIN-SMALL,8M
€ 0.50
31
92019018
ref: 31
NUT,8MM
€ 5.50
32
92057023
ref: 32
DID520TM
CHAIN ASSY,DRIVE
€ 88.50
33
92058020
ref: 33
JOINT,DRIVE CHAIN
€ 6.00
up
all assemblies
CYLINDER HEAD/CYLINDER ('74 KX 4
CRANKSHAFT/PISTON ('74 KX 450)
CRANKCASE ('74 KX 450)
CLUTCH ('74 KX 450)
TRANSMISSION/CHANGE DRUM & FORKS
GEAR CHANGE MECHANISM ('74 KX 45
FRAME/FRAME FITTINGS ('74 KX 450
SWING ARM/SHOCK ABSORBERS ('74 K
HANDLEBAR ('74 KX 450)
FRONT FORK ('74 KX 450)
WHEELS/TIRES ('74 KX 450)
FRONT HUB/BRAKE ('74 KX 450)
REAR HUB/BRAKE/CHAIN ('74 KX 450
FENDERS/NUMBER PLATES ('73 F12M
FUEL TANK/SEAT ('73 KX 450)
CABLES ('73 KX 450)
OWNER TOOLS/SPECIAL SERVICE TOOL
KICKSTARTER MECHANISM ('74 KX 45
ENGINE COVERS ('74 KX 450)
CARBURETOR ('74 KX 450)
AIR CLEANER/MUFFLER ('74 KX 450)
IGNITION ('74 KX 450)
CYLINDER HEAD/CYLINDER ('73 F12
CRANKSHAFT/PISTON ('73 F12MX 45
CRANKCASE ('73 F12MX 450)
CLUTCH ('73 F12MX 450)
TRANSMISSION/CHANGE DRUM & FORKS
GEAR CHANGE MECHANISM ('73 F12M
KICKSTARTER MECHANISM ('73 F12M
FRAME/FRAME FITTINGS ('73 F12MX
SWING ARM/SHOCK ABSORBERS ('73 F
HANDLEBAR ('73 F12MX 450)
FRONT FORK ('73 F12MX 450)
WHEELS/TIRES ('73 F12MX 450)
FRONT HUB/BRAKE ('73 F12MX 450)
REAR HUB/BRAKE/CHAIN ('73 F12MX
ENGINE COVERS ('73 F12MX 450)
CARBURETOR ('73 F12MX 450)
AIR CLEANER/MUFFLER ('73 F12MX
IGNITION ('73 F12MX 450)
FENDERS/NUMBER PLATES ('74 KX 45
FUEL TANK/SEAT ('74 KX 450)
CABLES ('74 KX 450)
OWNER TOOLS/SPECIAL SERVICE TOOL
up