×
Genuine KX Kawasaki Parts delivered quickly!
home
KX125-B2 KX125 1983 USA CANADA
AIR CLEANER (KX125-B1)
9 products
AIR CLEANER (KX125-B2)
15 products
MUFFLER (KX125-B1)
14 products
MUFFLER (KX125-B2)
15 products
IGNITION COIL
13 products
IGNITION
14 products
RADIATOR
14 products
FRAME
6 products
FRAME FITTINGS
13 products
SWING ARM (KX125-B1)
19 products
SWING ARM (KX125-B2)
17 products
REAR SUSPENSION (KX125-B1)
22 products
REAR SUSPENSION (KX125-B2)
18 products
SHOCK ABSORBER (KX125-B1)
22 products
HANDLEBAR
34 products
FRONT FORK (KX125-B1)
38 products
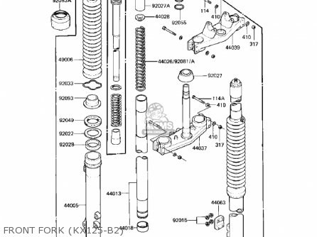
FRONT FORK (KX125-B2)
38 products
FRONT MASTER CYLINDER
30 products
FRONT BRAKE
21 products
WHEELS/TIRES
24 products
FRONT HUB
9 products
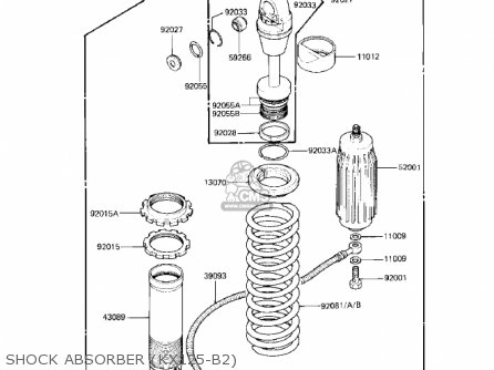
SHOCK ABSORBER (KX125-B2)
23 products
FOOTRESTS
6 products
STAND
6 products
BRAKE PEDAL/TORQUE LINK (KX125-B
18 products
BRAKE PEDAL/TORQUE LINK (KX125-B
16 products
SIDE COVERS
4 products
SEAT
4 products
CABLES
4 products
LABELS
9 products
OWNER TOOLS
5 products
GEAR CHANGE MECHANISM
22 products
KICKSTARTER MECHANISM
24 products
ENGINE COVERS/WATER PUMP
25 products
CARBURETOR
56 products
CYLINDER HEAD/CYLINDER/REED VALV
23 products
CRANKSHAFT/PISTON
26 products
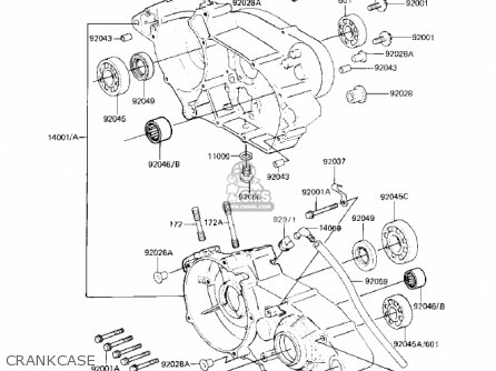
CRANKCASE
29 products
CLUTCH
27 products
TRANSMISSION (KX125-B1)
25 products
TRANSMISSION (KX125-B2)
20 products
GEAR CHANGE DRUM & FORKS
10 products
REAR HUB/BRAKE/CHAIN (KX125-B1)
34 products
REAR HUB/BRAKE/CHAIN (KX125-B2)
33 products
NUMBER PLATE
11 products
FENDERS
16 products
FUEL TANK
17 products
up
popular products
92045026
BEARING,BALL,#627
Kawasaki
920261136
SPACER,22.2X37X1.0
Kawasaki
110091324
GASKET,FORK CYLINDER (NAS)
Kawasaki
920331090
RING-SNAP
Kawasaki