×
Genuine KS Kawasaki Parts delivered quickly!
home
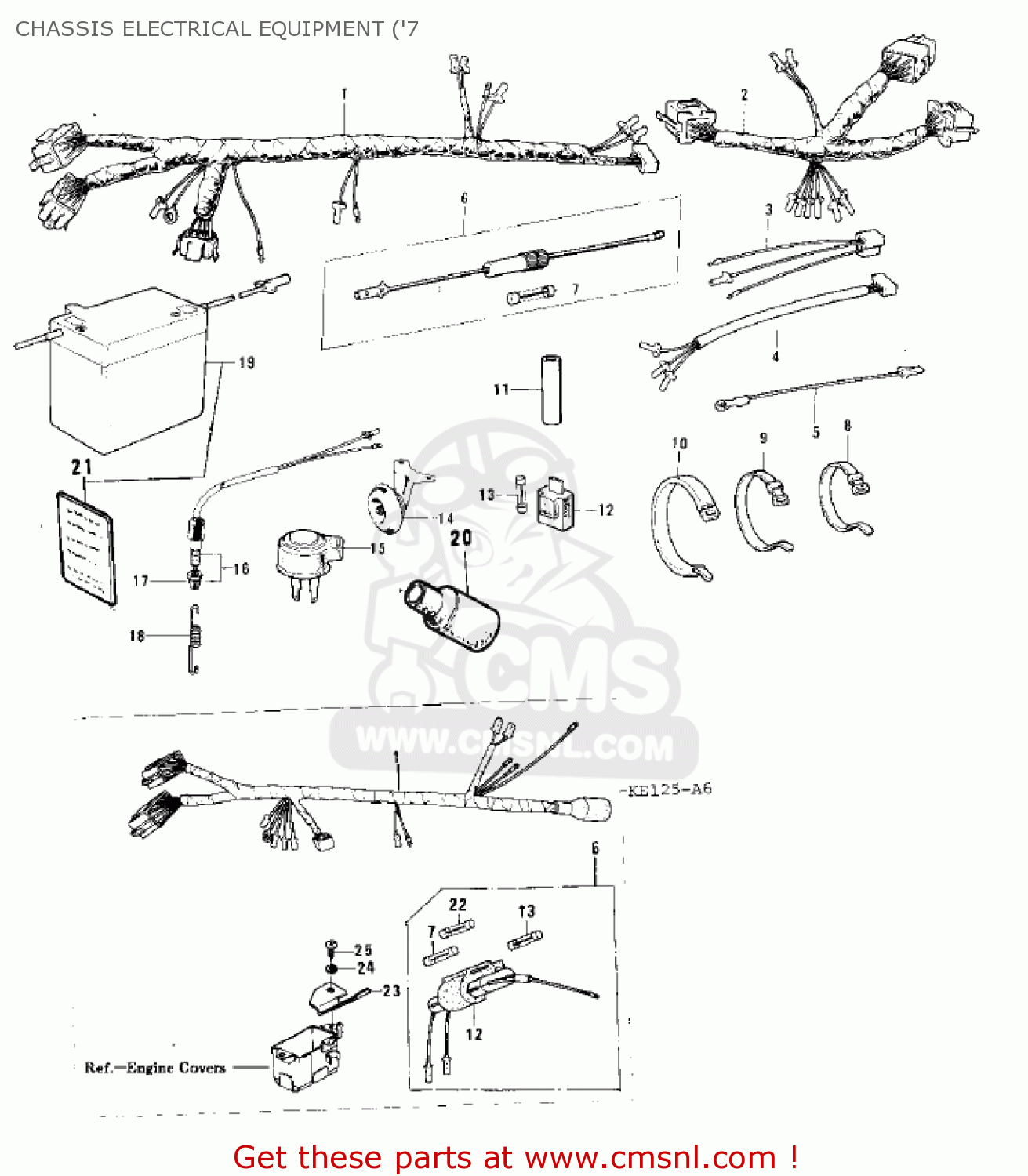
CHASSIS ELECTRICAL EQUIPMENT ('7
KS125-A 1975 USA CANADA
Chassis electrical equipment ('7 diagram KS125-A 1975 USA CANADA
CHASSIS ELECTRICAL EQUIPMENT ('7 KS125-A 1975 USA CANADA
×
prices are in EUR
ref
part #
description
quantity
1
26001108
ref: 1
WIRING HARNESS,MAIN
€ 197.00
1
260011070
ref: 1
KE125-A6
WIRING HARNESS,MAIN
€ 85.50
2
26002045
ref: 2
HEADLAMP WIRING HARNESS
€ 242.00
3
26011072
ref: 3
N.R. FOR KE125-A6
WIRE,RECTIFIER LEAD
€ 7.00
4
26002046
ref: 4
HARNESS,TAIL LAMP
€ 12.50
5
26011093
ref: 5
WIRE-LEAD
€ 6.00
6
26004025
ref: 6
FUSE-ASSY
€ 12.50
6
260041010
ref: 6
KE125-A6
FUSE-ASSY
€ 19.50
7
26006007
ref: 7
FUSE 15A
€ 2.50
7
260061007
ref: 7
KE125-A6
FUSE, 10A-R
€ 3.00
8
92072030
ref: 8
BAND,SHORT
€ 3.00
9
92072032
ref: 9
BAND,LONG
€ 3.00
10
92072068
ref: 10
BAND,WIRING HARNESS
€ 2.50
11
92075250
ref: 11
DAMPER RUBBER,HARNES
€ 1.50
12
26016004
ref: 12
HOLDER,SPARE FUSE
€ 7.50
12
920751044
ref: 12
KE125-A6
DAMPER,FUSE
€ 6.00
13
26006007
ref: 13
FUSE 15A
€ 2.50
13
260061003
ref: 13
KE125-A6
FUSE,15A,L=30M/M
€ 3.00
14
27003044
ref: 14
HORN
€ 113.50
15
27002013
ref: 15
RELAY-ASSY,TURN SIGNA
€ 27.00
16
27010025
ref: 16
SWITCH,BRAKE LAMP
€ 18.50
17
27037001
ref: 17
NUT,BRAKE LAMP SWICH
€ 18.50
18
27011006
ref: 18
SPRING-BRAKE LAMP SW
€ 3.50
19
K26012034
ref: 19
6V 6AH
BATTERY,YUA,6N6-1D-2
€ 78.00
19
K26012034
ref: 19
6V 6AH KE125-A4
BATTERY,YUA,6N6-1D-2
€ 78.00
20
26009008
ref: 20
COVER,WIRING HARNESS
€ 3.50
21
560401036
ref: 21
WARNING, BATTERY
€ 2.00
22
260061002
ref: 22
FUSE,10A,L=30M/M
€ 3.00
23
110341368
ref: 23
FUSE BRACKET
€ 2.50
24
461F0500
ref: 24
WASHER-SPRING,5MM
€ 0.50
25
220B0510
ref: 25
SCREW-PAN-CROS,5X10
€ 0.50
up
all assemblies
FRONT HUB/BRAKE ('74-'75)
REAR HUB/BRAKE ('74-'75)
FENDERS ('74-'75)
FUEL TANK ('74-'75)
OIL TANK/SIDE COVER ('74-'75)
AIR CLEANER/MUFFLER ('76-'79)
IGNITION/GENERATOR/REGULATOR ('7
OWNER TOOLS ('76-'79)
SPECIAL SERVICE TOOLS ('76-'79)
FRAME/FRAME FITTINGS ('76-'79)
SWING ARM/SHOCK ABSORBERS ('76-'
FOOTRESTS/STAND/BRAKE PEDAL ('76
HANDLEBAR ('76-'79)
FRONT FORK ('76-'79)
WHEELS/TIRES ('76-'79)
SEAT/CHAIN COVER/CHAIN ('76-'79)
CABLE ('76-'79)
METERS/IGNITION SWITCH/HEADLIGHT
TAILLIGHT ('76-'79)
TURN SIGNALS ('76-'79)
CHASSIS ELECTRICAL EQUIPMENT ('7
CYLINDER HEAD/CYLINDER ('74-'75)
CRANKSHAFT/PISTON/ROTARY VALVE (
CRANKCASE ('74-'75)
CLUTCH ('74-'75)
TRANSMISSION/CHANGE DRUM ('74-'7
GEAR CHANGE MECHANISM ('74-'75)
KICKSTARTER MECHANISM ('74-'75)
ENGINE COVERS ('74-'75)
OIL PUMP ('74-'75)
CARBURETOR ('74-'75)
AIR CLEANER/MUFFLER ('74-'75)
IGNITION/GENERATOR ('74-'75)
FRAME/FRAME FITTINGS ('74-'75)
SWING ARM/SHOCK ABSORBERS ('74-'
FOOTRESTS/STAND/BRAKE PEDAL ('74
HANDLEBAR ('74-'75)
FRONT FORK ('74-'75)
WHEELS/TIRES ('74-'75)
SPECIAL SERVICE TOOLS ('74-'75)
KICKSTARTER MECHANISM ('76-'79)
ENGINE COVERS ('76-'79)
OIL PUMP ('76-'79)
CARBURETOR (KE125-A3/A4/A5)
CARBURETOR (KE125-A6)
FRONT HUB/BRAKE ('76-'79)
REAR HUB/BRAKE ('76-'79)
FENDERS ('76-'79)
FUEL TANK ('76-'79)
OIL TANK/SIDE COVER ('76-'79)
SEAT/CHAIN COVER/CHAIN ('74-'75)
CABLES ('74-'75)
METERS/IGNITION SWITCH ('74-'75)
HEADLIGHT/TAILLIGHT ('74-'75)
TURN SIGNALS ('74-'75)
CHASSIS ELECTRICAL EQUIPMENT ('7
OWNER TOOLS ('74-'75)
CYLINDER HEAD/CYLINDER ('76-'79)
CRANKSHAFT/PISTON/ROTARY VALVE (
CRANKCASE ('76-'79)
CLUTCH ('76-'79)
TRANSMISSION/CHANGE DRUM ('76-'7
GEAR CHANGE MECHANISM ('76-'79)
up