×
Genuine KH Kawasaki Parts delivered quickly!
home
KH125L1 1983 USA
MODEL IDENTIFICATION
0 products
HANDLEBAR
21 products
FRONT FORK
30 products
FUEL TANK
21 products
OIL TANK
15 products
SEAT
16 products
SIDE COVER
12 products
WHEEL
4 products
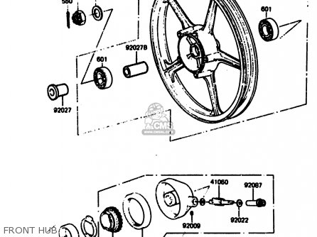
FRONT HUB
18 products
REAR HUB
30 products
FENDER
15 products
METER
16 products
HEAD LAMP
19 products
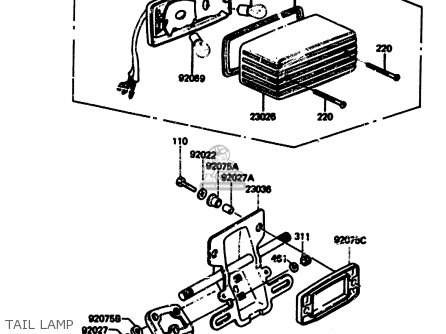
TAIL LAMP
19 products
TURN SIGNAL
15 products
ELECTRICAL EQUIPMENT
16 products
IGNITION SWITCH, LOCK
15 products
BRAKE PEDAL, TORQUE ROD
17 products
FRONT MASTER CYLINDER
18 products
FRONT CALIPER
14 products
CABLE
13 products
TOOL
14 products
LABEL
6 products
CYLINDER HEAD
9 products
CRANKSHAFT
27 products
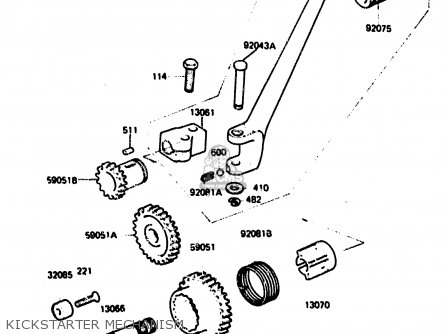
KICKSTARTER MECHANISM
21 products
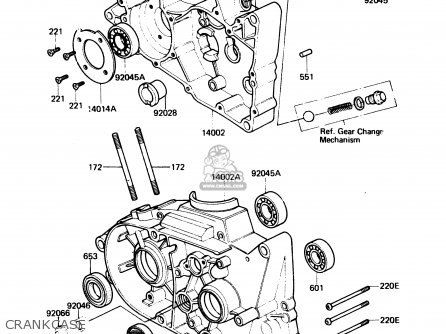
CRANKCASE
28 products
ENGINE COVER
31 products
OIL PUMP
22 products
AIR FILTER
14 products
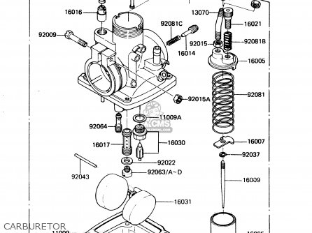
CARBURETOR
36 products
CARBURETOR
3 products
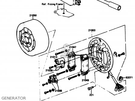
GENERATOR
14 products
IGNITION COIL
6 products
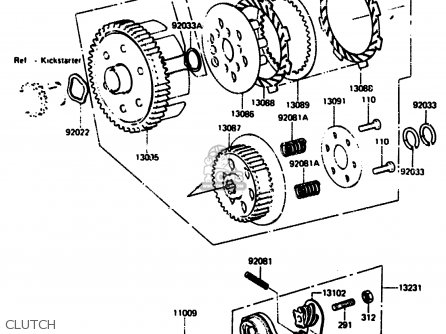
CLUTCH
26 products
TRANSMISSION
24 products
CHANGE DRUM, SHIFT FORK
16 products
GEAR CHANGE MECHANISM
17 products
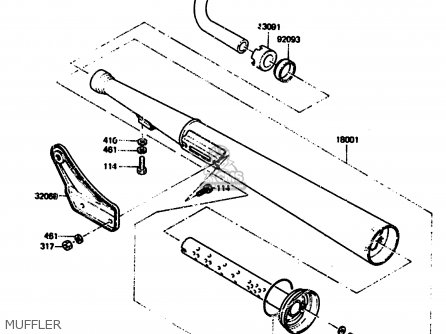
MUFFLER
15 products
FRAME
6 products
FRAME FITTING
13 products
SWING ARM, SHOCK ABSORBER
22 products
STEP
20 products
STAND
4 products
up
popular products
16085004
GEAR-OIL PUMP
Kawasaki
92043039
PIN,BRAKE ROD
Kawasaki
601B6201U
BEARING-BALL,#6201LUC
Kawasaki
27011015
SPRING,BRAKE LAMP SW
Kawasaki