×
Genuine KE Kawasaki Parts delivered quickly!
home
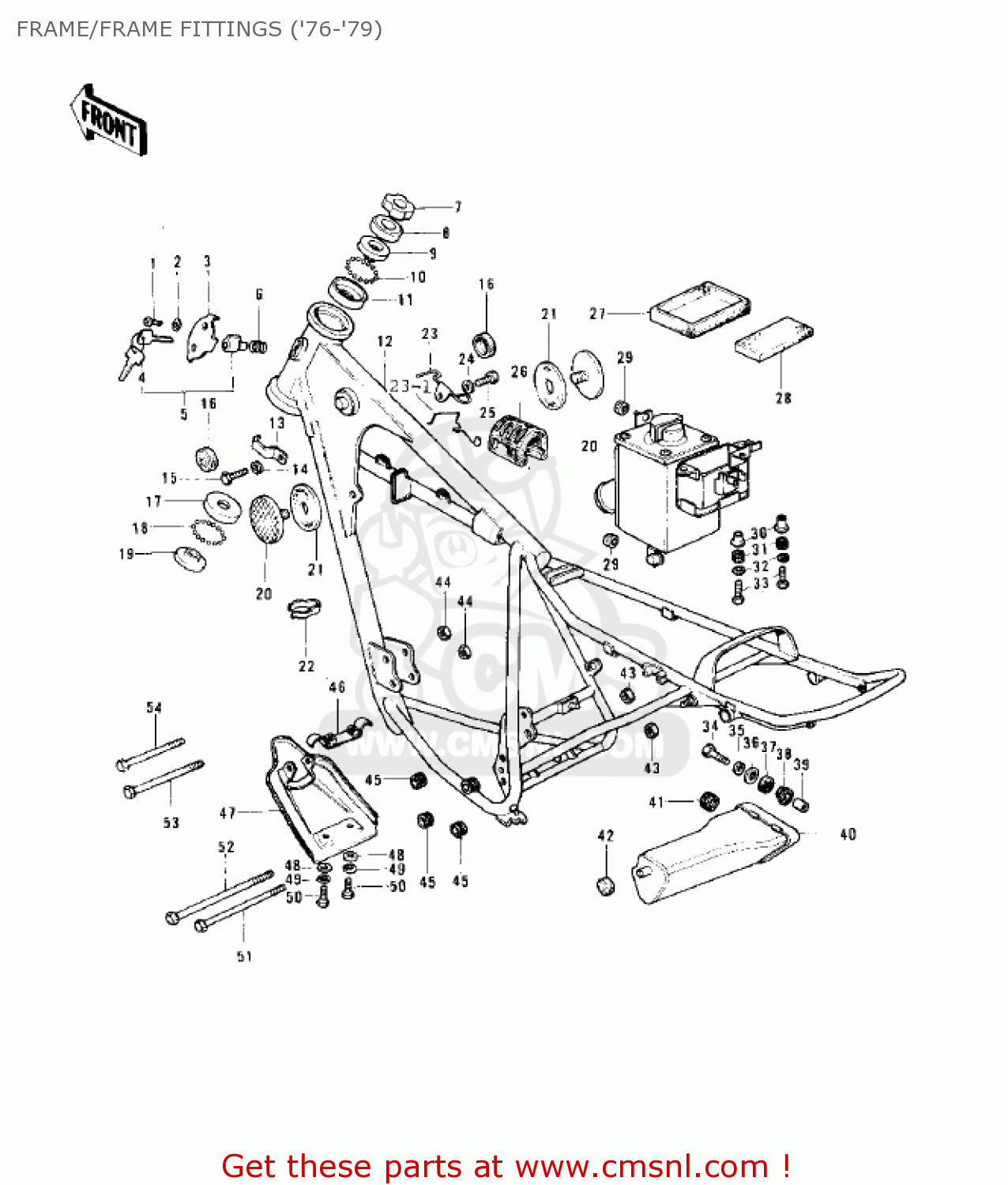
FRAME/FRAME FITTINGS ('76-'79)
KE125-A5 KE125 1978 USA CANADA
Frame/frame fittings ('76-'79) diagram KE125-A5 KE125 1978 USA CANADA
FRAME/FRAME FITTINGS ('76-'79) KE125-A5 KE125 1978 USA CANADA
×
prices are in EUR
ref
part #
description
quantity
1
92008007
ref: 1
SCREW-TAPPING
€ 2.50
2
92097003
ref: 2
WASHER
€ 2.50
3
110121134
ref: 3
CAP,STEERING LOCK
€ 4.50
4
2700805431
ref: 4
KE125-A3/A4/A5, REF.
KEY SET,#431
€ 14.00
4
2700805432
ref: 4
FOR KE125-A6
KEY SET,#432
€ 9.50
4
2700805433
ref: 4
KEY SET,#433
€ 9.50
4
2700805434
ref: 4
KEY SET,#434
€ 14.00
4
2700805435
ref: 4
KEY SET,#435
€ 14.00
4
2700805436
ref: 4
KEY SET,#436
€ 14.00
4
2700805437
ref: 4
KEY SET,#437
€ 9.50
4
2700805438
ref: 4
KEY SET,#438
€ 14.00
4
2700805439
ref: 4
KEY SET,#439
€ 9.00
4
2700805440
ref: 4
KEY SET,#440
€ 9.50
5
27016042
ref: 5
LOCK-ASSY,STEERING
€ 36.00
6
27032001
ref: 6
SPRING-STEERING LOCK
€ 3.50
7
92090022
ref: 7
NUT,STEERING LOCK,25M
€ 18.50
8
46098012
ref: 8
CAP,STEERING STEM
€ 4.50
9
92047014
ref: 9
RACE,STEERING STEM BE
€ 12.50
10
600A0600
ref: 10
BALL-STEEL,3/16
€ 0.50
11
92048009
ref: 11
RACE,STRG STM
€ 14.00
12
32002074
ref: 12
FRAME
€ 276.50
12
320021065
ref: 12
KE125-A6
FRAME
€ 276.50
13
92037150
ref: 13
CLAMP,WIRE HARNESS
€ 4.00
14
461F0600
ref: 14
WASHER-SPRING,6MM
€ 0.50
15
112B0614
ref: 15
BOLT-UPSET 6X14
€ 2.50
16
92075101
ref: 16
DAMPER RUBBER-FL TANK
€ 4.00
17
92048005
ref: 17
RACE-STEERING BEARING
€ 11.50
18
600A0800
ref: 18
BALL-STEEL,1/4
€ 0.50
19
92047010
ref: 19
CONE-STERNG BERG LOW
€ 10.00
20
28012009
ref: 20
REFLECTOR-REFLEX,RR
€ 17.50
21
92094011
ref: 21
DAMPER,REFLECTOR
€ 3.00
22
92037093
ref: 22
CLAMP
€ 7.50
23
92037176
ref: 23
CLAMP,CABLE
€ 5.50
23-1
92037176
ref: 23-1
KE125-A4~
CLAMP,CABLE
€ 5.50
24
411B0600
ref: 24
WASHER-PLAIN,6MM
€ 0.50
25
112G0610
ref: 25
BOLT,6X10
€ 0.50
25
112G0612
ref: 25
KE125-A4~
BOLT-UPSET
€ 2.50
26
92075284
ref: 26
DAMPER,FUEL TANK
€ 12.50
27
32103023
ref: 27
DAMPER,BATTERY BOTTOM
€ 2.50
28
32103027
ref: 28
DAMPER,BATTERY
€ 7.50
29
92075217
ref: 29
DAMPER,AIR FILTER
€ 2.50
30
92027153
ref: 30
COLLAR
€ 4.00
31
92075051
ref: 31
DAMPER RUBBER
€ 2.50
32
461F0600
ref: 32
WASHER-SPRING,6MM
€ 0.50
33
112G0616
ref: 33
BOLT UPSET,6X16
€ 1.00
34
112G0625
ref: 34
BOLT-UPSET,6X25
€ 4.00
35
461F0600
ref: 35
WASHER-SPRING,6MM
€ 0.50
36
92022228
ref: 36
WASHER-PLAIN,7MM
€ 2.50
37
92075175
ref: 37
DAMPER,FEMALE
€ 2.50
38
92075174
ref: 38
DAMPER,MALE
€ 3.00
39
92027162
ref: 39
COLLAR-REAR FENDER
€ 4.50
40
32098022
ref: 40
CASE,TOOL
€ 26.00
41
92075150
ref: 41
DAMPER,OIL TANK
€ 2.50
42
92075107
ref: 42
DAMPER
€ 2.00
43
920151429
ref: 43
NUT,10MM
€ 4.50
44
920151124
ref: 44
NUT,LOCK,8MM
€ 3.50
45
92071056
ref: 45
GROMMET
€ 2.50
46
55016008
ref: 46
BRACKET,ENGINE GUARD
€ 5.50
47
55011020
ref: 47
GUARD,ENGINE
€ 30.50
48
92022125
ref: 48
WASHER,6.5X20X1.6
€ 1.00
49
461F0600
ref: 49
WASHER-SPRING,6MM
€ 0.50
50
112G0616
ref: 50
BOLT UPSET,6X16
€ 1.00
51
920011246
ref: 51
BOLT,HEX HEAD,10X117
€ 7.00
51
920011603
ref: 51
KE125-A4~
BOLT,FLANGED,10X115
€ 7.00
52
920011249
ref: 52
BOLT,HEX HEAD,10X130
€ 5.50
53
110B0871
ref: 53
BOLT-HEX HEAD,8X71
€ 6.00
54
110B0865
ref: 54
BOLT,HEX HEAD,8X65
€ 1.00
up
all assemblies
FRONT HUB/BRAKE ('74-'75)
REAR HUB/BRAKE ('74-'75)
FENDERS ('74-'75)
FUEL TANK ('74-'75)
OIL TANK/SIDE COVER ('74-'75)
AIR CLEANER/MUFFLER ('76-'79)
IGNITION/GENERATOR/REGULATOR ('7
OWNER TOOLS ('76-'79)
SPECIAL SERVICE TOOLS ('76-'79)
FRAME/FRAME FITTINGS ('76-'79)
SWING ARM/SHOCK ABSORBERS ('76-'
FOOTRESTS/STAND/BRAKE PEDAL ('76
HANDLEBAR ('76-'79)
FRONT FORK ('76-'79)
WHEELS/TIRES ('76-'79)
SEAT/CHAIN COVER/CHAIN ('76-'79)
CABLE ('76-'79)
METERS/IGNITION SWITCH/HEADLIGHT
TAILLIGHT ('76-'79)
TURN SIGNALS ('76-'79)
CHASSIS ELECTRICAL EQUIPMENT ('7
CYLINDER HEAD/CYLINDER ('74-'75)
CRANKSHAFT/PISTON/ROTARY VALVE (
CRANKCASE ('74-'75)
CLUTCH ('74-'75)
TRANSMISSION/CHANGE DRUM ('74-'7
GEAR CHANGE MECHANISM ('74-'75)
KICKSTARTER MECHANISM ('74-'75)
ENGINE COVERS ('74-'75)
OIL PUMP ('74-'75)
CARBURETOR ('74-'75)
AIR CLEANER/MUFFLER ('74-'75)
IGNITION/GENERATOR ('74-'75)
FRAME/FRAME FITTINGS ('74-'75)
SWING ARM/SHOCK ABSORBERS ('74-'
FOOTRESTS/STAND/BRAKE PEDAL ('74
HANDLEBAR ('74-'75)
FRONT FORK ('74-'75)
WHEELS/TIRES ('74-'75)
SPECIAL SERVICE TOOLS ('74-'75)
KICKSTARTER MECHANISM ('76-'79)
ENGINE COVERS ('76-'79)
OIL PUMP ('76-'79)
CARBURETOR (KE125-A3/A4/A5)
CARBURETOR (KE125-A6)
FRONT HUB/BRAKE ('76-'79)
REAR HUB/BRAKE ('76-'79)
FENDERS ('76-'79)
FUEL TANK ('76-'79)
OIL TANK/SIDE COVER ('76-'79)
SEAT/CHAIN COVER/CHAIN ('74-'75)
CABLES ('74-'75)
METERS/IGNITION SWITCH ('74-'75)
HEADLIGHT/TAILLIGHT ('74-'75)
TURN SIGNALS ('74-'75)
CHASSIS ELECTRICAL EQUIPMENT ('7
OWNER TOOLS ('74-'75)
CYLINDER HEAD/CYLINDER ('76-'79)
CRANKSHAFT/PISTON/ROTARY VALVE (
CRANKCASE ('76-'79)
CLUTCH ('76-'79)
TRANSMISSION/CHANGE DRUM ('76-'7
GEAR CHANGE MECHANISM ('76-'79)
up