×
Genuine KDX Kawasaki Parts delivered quickly!
home
KDX200-C2 1987 UNITED KINGDOM AL
CYLINDER HEAD/CYLINDER
29 products
AIR CLEANER
18 products
MUFFLER(S)
18 products
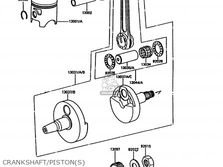
CRANKSHAFT/PISTON(S)
15 products
KICKSTARTER MECHANISM
26 products
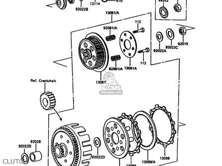
CLUTCH
21 products
TRANSMISSION
20 products
GEAR CHANGE DRUM/SHIFT FORK(S)
12 products
GEAR CHANGE MECHANISM
13 products
CRANKCASE
23 products
ENGINE COVER(S)
32 products
CARBURETOR
58 products
GENERATOR
10 products
IGNITION SYSTEM
8 products
FRAME
5 products
FRAME FITTINGS
19 products
SWINGARM
21 products
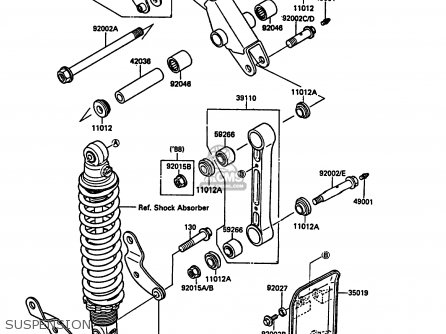
SUSPENSION
18 products
FOOTRESTS
7 products
FENDERS
11 products
STAND(S)
6 products
TIRES
14 products
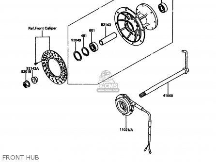
FRONT HUB
9 products
REAR HUB
27 products
BRAKE PEDAL
14 products
SHOCK ABSORBER(S)
22 products
FRONT MASTER CYLINDER
24 products
FRONT BRAKE
16 products
HANDLEBAR
35 products
FRONT FORK
37 products
FUEL TANK
14 products
SEAT
2 products
METER(S)
22 products
CABLES
6 products
SIDE COVERS/CHAIN COVER
6 products
HEADLIGHT(S)
10 products
TAILLIGHT(S)
6 products
OWNER'S TOOLS
6 products
LABELS
5 products
1986 KDX200-C1 00
0 products
1987 KDX200-C2 00
0 products
1988 KDX200-C3 00
0 products
Publications
0 products
Model Identification
0 products
up
popular products
130331007
BEARING-SMALL END
Kawasaki
21169001
TERMINAL,PLUG CAP
Kawasaki
110091740
GASKET,CLUTCH COVER (MCA)
Kawasaki
920331090
RING-SNAP
Kawasaki