Genuine EN Kawasaki Parts delivered quickly!

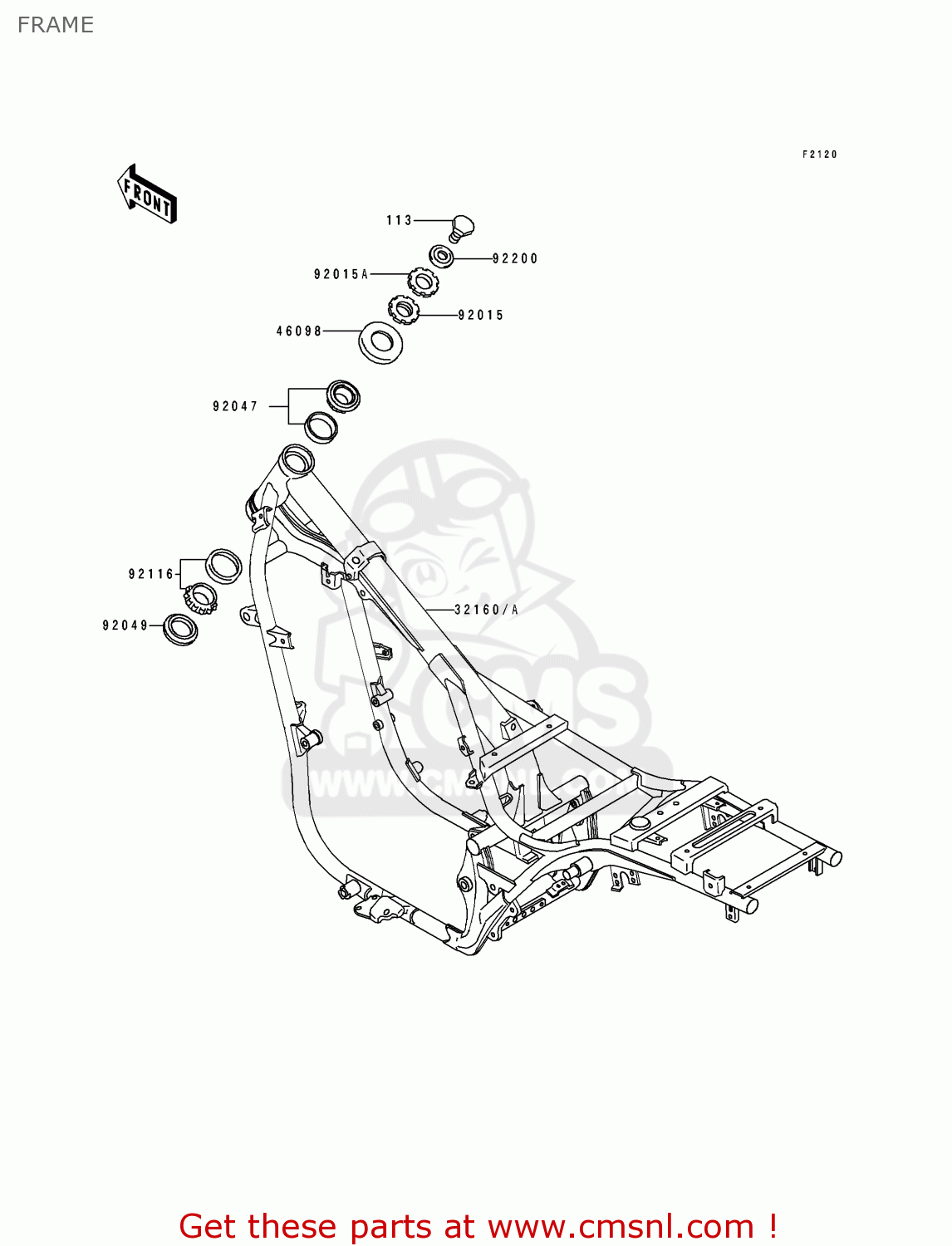
FRAME

EN500A3 1992 EUROPE UK FR AR FG GR IT NR SD SP ST

Frame diagram EN500A3 1992 EUROPE UK FR AR FG GR IT NR SD SP ST

FRAME EN500A3 1992 EUROPE UK FR AR FG GR IT NR SD SP ST
FRAME EN500A3 1992 EUROPE UK FR AR FG GR IT NR SD SP ST
FRAME EN500A3 1992 EUROPE UK FR AR FG GR IT NR SD SP ST
prices are in EUR
ref
part #
description
quantity
113
113G1425
ref: 113
BOLT-SMALL-FINE,14X25
113G1425
€ 5.50

32160
321601107
ref: 32160

AREUFRGRITSPSTUK
FRAME-COMP
€ 1,185.00

32160A
321601115
ref: 32160A

FGNRSD
FRAME-COMP
€ 1,076.00

46098
46098017
ref: 46098
CAP,STEERING STEM
46098017
€ 4.00

92015
920151377
ref: 92015
NUT,25MM,T=10
920151377
€ 18.50

92015A
920151378
ref: 92015A
NUT,25MM,T=6
920151378
€ 14.50

92047
92047017
ref: 92047
CONE,STRNG,STEM
92047017
€ 49.50

92049
920491162
ref: 92049
SEAL-OIL,XMHE36X52X4J
920491162
€ 7.50

92116
921161009
ref: 92116
BEARING R,HR320/28XJ
921161009
€ 41.00

92200
922001140
ref: 92200
WASHER
922001140
€ 8.00