×
Genuine BN Kawasaki Parts delivered quickly!
home
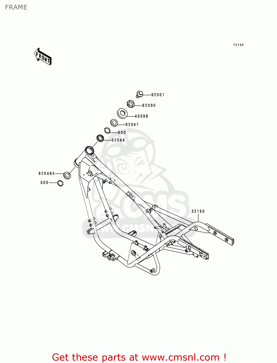
FRAME
BN125A3 ELIMINATOR 2000 EUROPE UK FR NR
Frame diagram BN125A3 ELIMINATOR 2000 EUROPE UK FR NR
FRAME BN125A3 ELIMINATOR 2000 EUROPE UK FR NR
×
prices are in EUR
ref
part #
description
quantity
600
600A0800
ref: 600
BALL-STEEL,1/4
€ 0.50
32160
321601626
ref: 32160
FRAME-COMP
€ 608.50
46098
46098016
ref: 46098
CAP,STEERING STEM
€ 4.00
92001
920011488
ref: 92001
BOLT,FLANGED,16X22
€ 13.50
92047
92047011
ref: 92047
CONE-STRNG STM BRNG
€ 14.50
92048
92048006
ref: 92048
RACE-STRNG BEARIN-STE
€ 11.50
92048A
92048008
ref: 92048A
RACE-STRNG STM BRNG
€ 16.00
92090
92090007
ref: 92090
NUT-STEERING STEM LCK
€ 8.00
up
all assemblies
CYLINDER HEAD
CYLINDER/PISTON(S)
AIR CLEANER
MUFFLER(S)
VALVE(S)
CAMSHAFT(S)/TENSIONER
CRANKSHAFT
CLUTCH
TRANSMISSION
GEAR CHANGE DRUM/SHIFT FORK(S)
GEAR CHANGE MECHANISM
CRANKCASE
ENGINE COVER(S)
CARBURETOR
OIL PUMP
GENERATOR
IGNITION SYSTEM
STARTER MOTOR
FRAME
FRAME FITTINGS
SWINGARM
SUSPENSION/SHOCK ABSORBER
FOOTRESTS
FENDERS
STAND(S)
TIRES
FRONT HUB
REAR HUB
BRAKE PEDAL
FRONT MASTER CYLINDER
FRONT BRAKE
HANDLEBAR
FRONT FORK
FUEL TANK
SEAT
METER(S)
CABLES
SIDE COVERS/CHAIN COVER
HEADLIGHT(S)
TAILLIGHT(S)
TURN SIGNALS
CHASSIS ELECTRICAL EQUIPMENT
IGNITION SWITCH
OWNER'S TOOLS
LABELS
DECALS(C.B.BLUE/P.R.BLUE)
DECALS(EBONY/SILVER)
DECALS(RED/GRAY)
PUBLICATIONS
MODEL IDENTIFCATION
up