×
Genuine AR Kawasaki Parts delivered quickly!
home
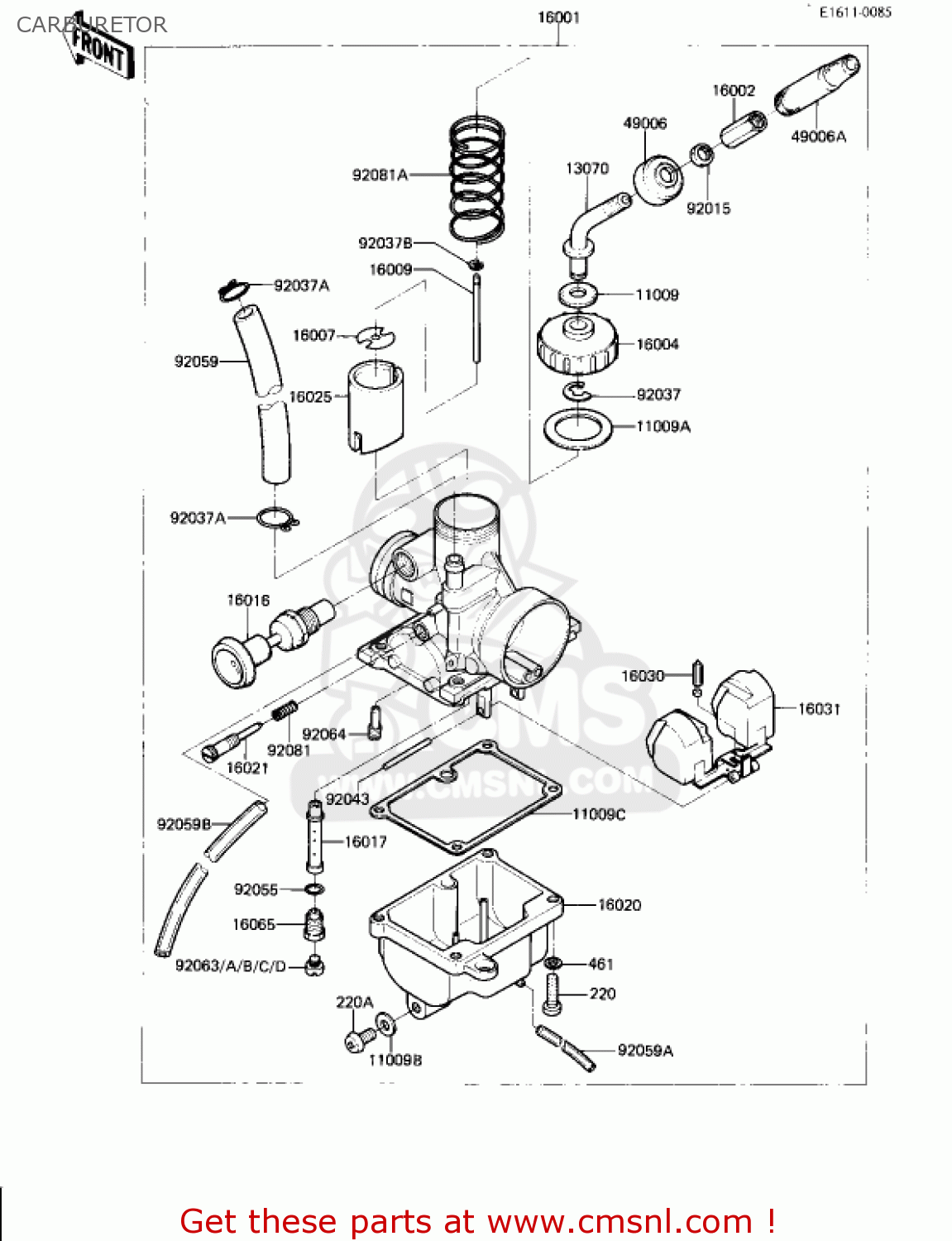
CARBURETOR
AR80A1 1982 USA
Carburetor diagram AR80A1 1982 USA
CARBURETOR AR80A1 1982 USA
×
prices are in EUR
ref
part #
description
quantity
11009
110091074
ref: 11009
GASKET,CABLE GUIDE (NAS)
€ 8.50
11009A
110091295
ref: 11009A
MIXING CHAMBER GASKET
€ 2.50
11009B
110091296
ref: 11009B
GASKET,DRAIN PLUG
€ 2.00
11009C
110091297
ref: 11009C
GASKET,FLOAT CHAMBER
€ 3.50
13070
130701068
ref: 13070
THROTTLE CABLE GUIDE
€ 20.00
16001
160011585
ref: 16001
CARBURETOR
€ 140.00
16002
160021011
ref: 16002
CABLE ADJUSTER
€ 6.50
16004
160041016
ref: 16004
MIXING CHAMBER CAP
€ 15.00
16007
160071044
ref: 16007
SEAT-SPRING
€ 3.50
16009
160091124
ref: 16009
JET,NEEDLE,#4D44
€ 23.00
16016
160161025
ref: 16016
PLUNGER,STARTER
€ 24.00
16017
160171115
ref: 16017
JET,NEEDLE,0-5
€ 25.00
16020
160201006
ref: 16020
CHAMBER-FLOAT
€ 41.00
16021
160211036
ref: 16021
SCREW-THROTTLE STOP
€ 10.00
16025
160251076
ref: 16025
VALVE-THROTTLE,CA1.5
€ 58.00
16030
160301026
ref: 16030
VALVE-FLOAT
€ 29.00
16031
160311020
ref: 16031
FLOAT
€ 42.00
16065
160651062
ref: 16065
HOLDER,NEEDLE JET
€ 8.00
49006
490061083
ref: 49006
MIXING CHAMBER CAP BOOT
€ 4.50
49006A
490061084
ref: 49006A
BOOT,CABLE ADJUSTER
€ 4.50
92015
16003004
ref: 92015
NUT-CABLE ADJUST LOCK
€ 4.50
92037
16008011
ref: 92037
CLAMP,CABLE GUIDE
€ 4.50
92037A
92037072
ref: 92037A
CLAMP,TUBE
€ 4.00
92037B
920371272
ref: 92037B
CLAMP
€ 4.00
92043
920431126
ref: 92043
PIN,FLOAT
€ 3.50
92055
92055044
ref: 92055
'O' RING
€ 7.00
92059
920591023
ref: 92059
HOSE,FUEL TAP DIAPHRA
€ 17.00
92059A
920591308
ref: 92059A
TUBE,3X5X250,BLACK
€ 5.50
92059B
920591244
ref: 92059B
TUBE,3X5X85
€ 6.00
92063
920631124
ref: 92063
JET,MAIN,#A60R
€ 4.50
92063A
920631125
ref: 92063A
JET,MAIN,#A62.5R
€ 8.00
92063B
920631126
ref: 92063B
JET,MAIN,#A65R
€ 8.00
92063C
920631127
ref: 92063C
JET,MAIN,#A57.5R
€ 8.00
92063D
920631128
ref: 92063D
JET,MAIN,#A67.5R
€ 8.00
92064
920641059
ref: 92064
JET,PILOT,#A25
€ 9.50
92081
920811153
ref: 92081
SPRING,AIR SCREW
€ 3.00
92081A
920811490
ref: 92081A
SPRING,THROTTLE VALVE
€ 2.50
220
220B0416
ref: 220
SCREW-PAN-CROS
€ 2.00
220A
220B0508
ref: 220A
SCREW-PAN-CROS,5X8
€ 0.50
461
461F0400
ref: 461
WASHER-SPRING,4MM
€ 0.50
up
all assemblies
AIR CLEANER
MUFFLER
IGNITION COIL
IGNITION/GENERATOR/RECTIFIER
FRONT FORK
FRONT MASTER CYLINDER
FRAME/FRAME FITTINGS
FRONT BRAKE
SWING ARM
TIRES
REAR SUSPENSION/SHOCK ABSORBER
FRONT WHEEL/HUB
FOOTRESTS
STAND
BRAKE PEDAL/TORQUE LINK
HANDLEBAR
REAR WHEEL/HUB/BRAKE/CHAIN
FENDERS
FUEL TANK
SIDE COVERS/CHAIN COVER
FAIRING
OIL TANK
SEAT/SEAT COVER
KICKSTARTER MECHANISM
ENGINE COVERS
OIL PUMP
CARBURETOR
CABLES
METERS
HEADLIGHT
CHASSIS ELECTRICAL EQUIPMENT
TAILLIGHT
IGNITION SWITCH/LOCKS/REFLECTORS
TURN SIGNALS
LABELS
OWNER TOOLS
CYLINDER HEAD/CYLINDER/REED VALV
CRANKSHAFT/PISTON
CRANKCASE
CLUTCH
TRANSMISSION
GEAR CHANGE DRUM & FORKS
GEAR CHANGE MECHANISM
up