×
Genuine ZX Kawasaki Parts delivered quickly!
home
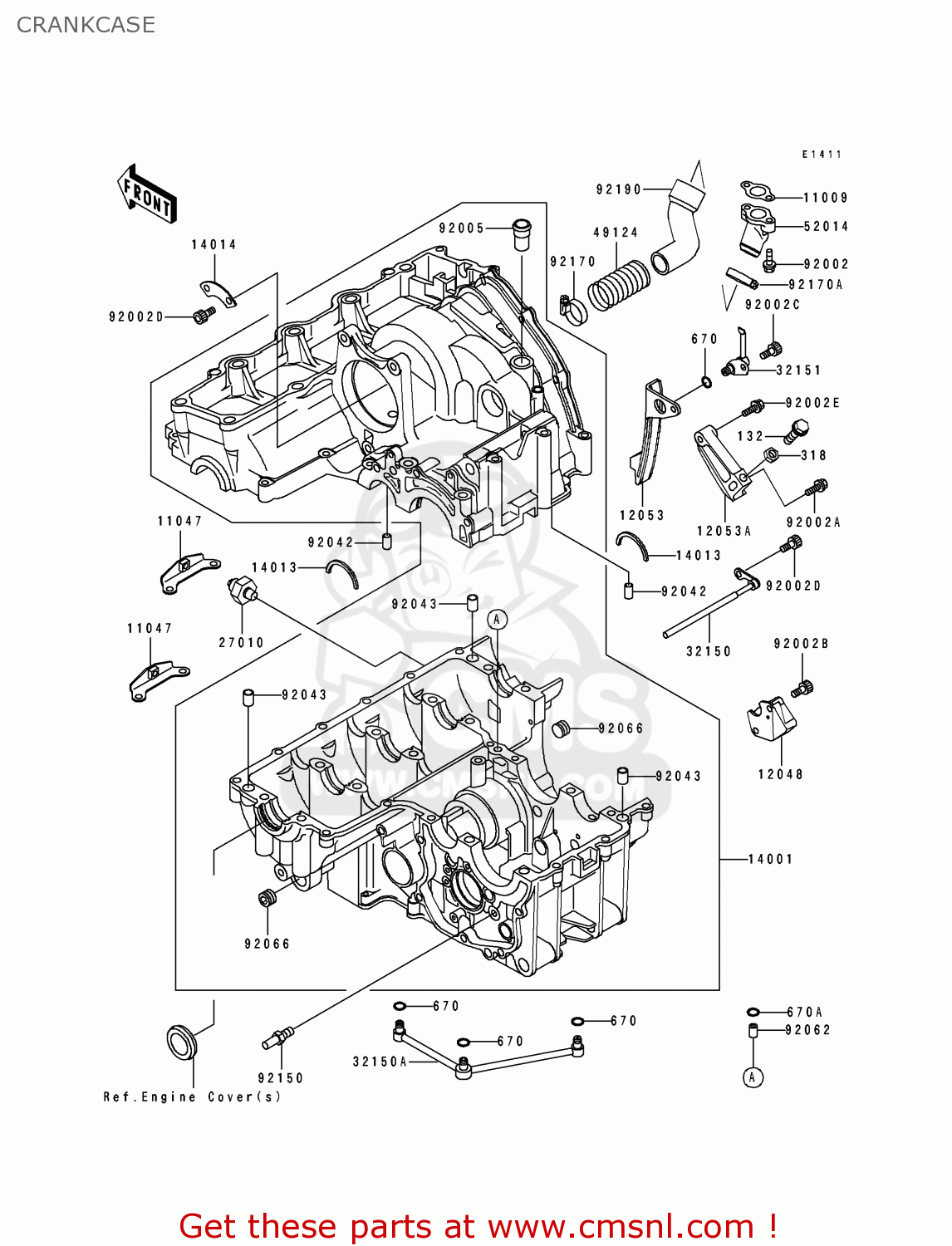
CRANKCASE
ZX750M2 NINJA ZX7R 1994 USA CALIFORNIA
Crankcase diagram ZX750M2 NINJA ZX7R 1994 USA CALIFORNIA
CRANKCASE ZX750M2 NINJA ZX7R 1994 USA CALIFORNIA
×
prices are in EUR
ref
part #
description
quantity
132
132G0820
ref: 132
BOLT-FLANGED-SMALL
€ 2.50
318
318B0800
ref: 318
NUT,8MM
€ 0.50
670
670D1505
ref: 670
O RING
€ 2.50
670A
670D1508
ref: 670A
O RING,8MM
€ 2.50
11009
110091935
ref: 11009
GASKET,ELBOW (NAS)
€ 3.00
11047
110471236
ref: 11047
BRACKET,RADIATOR
€ 4.00
12048
120481109
ref: 12048
TENSIONER-ASSY
€ 124.00
12053
120531281
ref: 12053
GUIDE-CHAIN
€ 39.00
12053A
120531285
ref: 12053A
GUIDE-CHAIN
€ 39.00
14013
140131004
ref: 14013
RING-POSITION,CRANK
€ 3.00
14014
140141056
ref: 14014
PLATE-POSITION
€ 9.50
27010
270101313
ref: 27010
SWITCH,OIL PRESSURE
€ 28.00
32150
321501795
ref: 32150
PIPE
€ 35.50
32150A
321501796
ref: 32150A
PIPE
€ 45.50
32151
321511492
ref: 32151
PIPE
€ 34.00
49124
491241056
ref: 49124
SPRING-TUBE GUARD
€ 7.00
52014
520141077
ref: 52014
ELBOW
€ 25.00
92002
920021343
ref: 92002
BOLT,6X20
€ 4.00
92002A
920021582
ref: 92002A
BOLT,6X25
€ 3.00
92002B
920021696
ref: 92002B
BOLT,SOCKET,6X25
€ 1.50
92002C
920021778
ref: 92002C
BOLT,SOCKET,6X16
€ 3.00
92002D
920021796
ref: 92002D
BOLT,SOCKET,6X12
€ 3.00
92002E
920021797
ref: 92002E
BOLT,6X30
€ 3.50
92005
920051238
ref: 92005
FITTING,BREATHER
€ 7.50
92042
92042016
ref: 92042
PIN,DOWEL,6X16
€ 3.50
92043
920431037
ref: 92043
PIN,DOWEL,10X8.2X14
€ 0.50
92062
920621074
ref: 92062
NOZZLE
€ 6.50
92066
920661262
ref: 92066
PLUG
€ 2.50
92150
921501467
ref: 92150
BOLT,RETURN SPRING
€ 5.00
92170
921701033
ref: 92170
CLAMP,COOLING HOSE
€ 10.50
92170A
921701286
ref: 92170A
CLAMP
€ 13.00
92190
921901244
ref: 92190
TUBE
€ 38.00
up
all assemblies
CYLINDER HEAD
CYLINDER HEAD COVER
CYLINDER/PISTON(S)
AIR CLEANER
MUFFLER(S)
VALVE(S)
CAMSHAFT(S)/TENSIONER
CRANKSHAFT
GENERATOR SHAFT
CLUTCH
TRANSMISSION
GEAR CHANGE DRUM/SHIFT FORK(S)
GEAR CHANGE MECHANISM
CRANKCASE
CRANKCASE BOLT PATTERN
ENGINE COVER(S)
BREATHER COVER/OIL PAN
FUEL PUMP
CARBURETOR
CARBURETOR PARTS
ACCELERATOR PUMP
FUEL EVAPORATIVE SYSTEM
OIL PUMP/OIL FILTER
GENERATOR
IGNITION SYSTEM
STARTER MOTOR
RADIATOR
OIL COOLER
FRAME
FRAME FITTINGS
ELECTRO BRACKET
SWINGARM
REAR SUSPENSION
FOOTRESTS
FENDERS
STAND(S)
TIRES
FRONT WHEEL
REAR WHEEL/CHAIN
BRAKE PEDAL/TORQUE LINK
SHOCK ABSORBER(S)
FRONT MASTER CYLINDER
FRONT BRAKE
REAR MASTER CYLINDER
REAR BRAKE
HANDLEBAR
FRONT FORK
CLUTCH MASTER CYLINDER
FUEL TANK(ZX750-M2)
SEAT
METER(S)
CABLES
SIDE COVERS/CHAIN COVER
HEADLIGHT(S)
TAILLIGHT(S)
TURN SIGNALS
CHASSIS ELECTRICAL EQUIPMENT
IGNITION SWITCH/LOCKS/REFLECTORS
OWNER'S TOOLS
LABELS
DECALS(ZX750-M2)
COWLING(ZX750-M2)
COWLING LOWERS(ZX750-M2)
Publications
Model Identification
1993 ZX750-M1 KE LIME GREEN / PEARL ALPINE WHITE / BLUE
1994 ZX750-M2 KE LIME GREEN / PEARL ALPINE WHITE / BLUE
up