×
Genuine ZX Kawasaki Parts delivered quickly!
home
ZX750M2 NINJA ZX7R 1994 USA CALIFORNIA
CYLINDER HEAD
34 products
CYLINDER HEAD COVER
12 products
CYLINDER/PISTON(S)
11 products
AIR CLEANER
68 products
MUFFLER(S)
13 products
VALVE(S)
34 products
CAMSHAFT(S)/TENSIONER
12 products
CRANKSHAFT
14 products
GENERATOR SHAFT
20 products
CLUTCH
28 products
TRANSMISSION
35 products
GEAR CHANGE DRUM/SHIFT FORK(S)
14 products
GEAR CHANGE MECHANISM
18 products
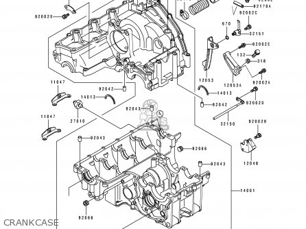
CRANKCASE
32 products
CRANKCASE BOLT PATTERN
8 products
ENGINE COVER(S)
39 products
BREATHER COVER/OIL PAN
6 products
FUEL PUMP
10 products
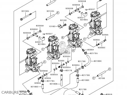
CARBURETOR
29 products
CARBURETOR PARTS
37 products
ACCELERATOR PUMP
23 products
FUEL EVAPORATIVE SYSTEM
22 products
OIL PUMP/OIL FILTER
17 products
GENERATOR
30 products
IGNITION SYSTEM
15 products
STARTER MOTOR
21 products
RADIATOR
60 products
OIL COOLER
7 products
FRAME
13 products
FRAME FITTINGS
8 products
ELECTRO BRACKET
34 products
SWINGARM
18 products
REAR SUSPENSION
13 products
FOOTRESTS
7 products
FENDERS
16 products
STAND(S)
6 products
TIRES
6 products
FRONT WHEEL
16 products
REAR WHEEL/CHAIN
21 products
BRAKE PEDAL/TORQUE LINK
19 products
SHOCK ABSORBER(S)
4 products
FRONT MASTER CYLINDER
37 products
FRONT BRAKE
22 products
REAR MASTER CYLINDER
25 products
REAR BRAKE
23 products
HANDLEBAR
16 products
FRONT FORK
28 products
CLUTCH MASTER CYLINDER
32 products
FUEL TANK(ZX750-M2)
39 products
SEAT
19 products
METER(S)
26 products
CABLES
6 products
SIDE COVERS/CHAIN COVER
15 products
HEADLIGHT(S)
9 products
TAILLIGHT(S)
17 products
TURN SIGNALS
16 products
CHASSIS ELECTRICAL EQUIPMENT
27 products
IGNITION SWITCH/LOCKS/REFLECTORS
24 products
OWNER'S TOOLS
19 products
LABELS
7 products
DECALS(ZX750-M2)
11 products
COWLING(ZX750-M2)
32 products
COWLING LOWERS(ZX750-M2)
23 products
Publications
0 products
Model Identification
0 products
1993 ZX750-M1 KE LIME GREEN / PEARL ALPINE WHITE / BLUE
0 products
1994 ZX750-M2 KE LIME GREEN / PEARL ALPINE WHITE / BLUE
0 products
up
popular products
330401114
ADJUSTER-CHAIN
Kawasaki
920551483
RING-O,FLOAT CHAMBER
Kawasaki
921441255
SPRING,ROCKER ARM,SHO
Kawasaki
340031327
HOLDER-STEP,FR,RH
Kawasaki