Genuine ZX Kawasaki Parts delivered quickly!

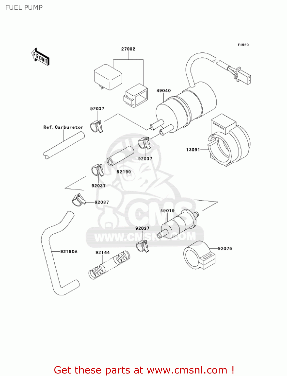
FUEL PUMP

ZX600E8 NINJA ZX6 2000 USA CALIFORNIA CANADA

Fuel pump diagram ZX600E8 NINJA ZX6 2000 USA CALIFORNIA CANADA

FUEL PUMP ZX600E8 NINJA ZX6 2000 USA CALIFORNIA CANADA
FUEL PUMP ZX600E8 NINJA ZX6 2000 USA CALIFORNIA CANADA
FUEL PUMP ZX600E8 NINJA ZX6 2000 USA CALIFORNIA CANADA
prices are in EUR
ref
part #
description
quantity
13091
130911512
ref: 13091
HOLDER
130911512
€ 10.00

27002
270021065
ref: 27002
RELAY-ASSY
270021065
€ 31.50

49019
490191055
ref: 49019
FILTER-FUEL
490191055
€ 14.50

49040
490401057
ref: 49040
PUMP-FUEL
490401057
€ 295.50

92037
920371181
ref: 92037
CLAMP
920371181
€ 1.00

92075
920751853
ref: 92075
DAMPER
920751853
€ 8.50

92144
921441821
ref: 92144
SPRING,TUBE
921441821
€ 8.50

92190
921901045
ref: 92190
TUBE,FUEL
€ 6.50

92190A
921901332
ref: 92190A
TUBE,TAP-FILTER
921901332
€ 10.50