×
Genuine ZX Kawasaki Parts delivered quickly!
home
ZX1100D2 ZZR1100 1994 EUROPE UK FR NL AR FG GR IT NR SD SP ST
CYLINDER HEAD
27 products
CYLINDER HEAD COVER
10 products
CYLINDER/PISTON(S)
15 products
AIR CLEANER
51 products
MUFFLER(S)
18 products
VALVE(S)
42 products
CAMSHAFT(S)/TENSIONER
17 products
CRANKSHAFT
19 products
BALANCER
37 products
CLUTCH
38 products
TRANSMISSION
30 products
GEAR CHANGE DRUM/SHIFT FORK(S)
14 products
GEAR CHANGE MECHANISM
25 products
CRANKCASE
39 products
CRANKCASE BOLT PATTERN
11 products
ENGINE COVER(S)
38 products
BREATHER COVER/OIL PAN
23 products
FUEL PUMP
10 products
CARBURETOR(1/4)(ZX1100-D2)
90 products
CARBURETOR PARTS
45 products
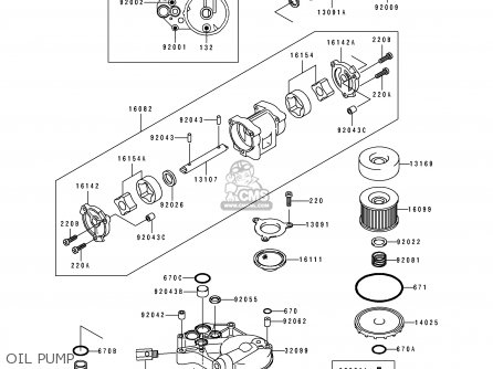
OIL PUMP
44 products
GENERATOR
27 products
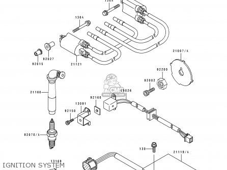
IGNITION SYSTEM
21 products
STARTER MOTOR
21 products
RADIATOR
70 products
OIL COOLER
22 products
FRAME
18 products
FRAME FITTINGS
11 products
BATTERY CASE
48 products
SWINGARM
19 products
SUSPENSION
18 products
FOOTRESTS
14 products
FENDERS
25 products
STAND(S)
13 products
TIRES
6 products
FRONT HUB
16 products
REAR HUB
21 products
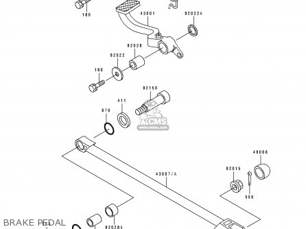
BRAKE PEDAL
20 products
SHOCK ABSORBER(S)
3 products
FRONT MASTER CYLINDER
26 products
FRONT BRAKE
18 products
REAR MASTER CYLINDER
30 products
REAR BRAKE
23 products
HANDLEBAR
13 products
FRONT FORK
26 products
CLUTCH MASTER CYLINDER
24 products
FUEL TANK(ZX1100-D2)
49 products
SEAT
7 products
METER(S)
20 products
CABLES
11 products
SIDE COVERS/CHAIN COVER(ZX1100-D2)
20 products
HEADLIGHT(S)
11 products
TAILLIGHT(S)
22 products
TURN SIGNALS
11 products
CHASSIS ELECTRICAL EQUIPMENT
22 products
IGNITION SWITCH
26 products
OWNER'S TOOLS
24 products
LABELS
9 products
DECALS(ZX1100-D2)(RED)
8 products
DECALS(ZX1100-D2)(EBONY/RED)
18 products
DECALS(ZX1100-D2)(BLACK)
8 products
DECALS(ZX1100-D2)(GREEN/BLUE)
18 products
COWLING(ZX1100-D2)
42 products
COWLING LOWERS(ZX1100-D2)
32 products
Publications
0 products
Model Identification
0 products
1993 ZX1100-D1 VR METALLIC VIOLET ROYAL / CANDY SUNGOD OR
0 products
1993 ZX1100-D1 VS EBONY / PEARL TEAL GREEN
0 products
1993 ZX1100-D1 VT EBONY / JUPITER GRAY MICA
0 products
1994 ZX1100-D2 70 PEARL TEAL GREEN / METALLIC NOCTURNE BL
0 products
1994 ZX1100-D2 72 EBONY / CANDY WINE RED
0 products
1994 ZX1100-D2 H3 CANDY WINE RED
0 products
1994 ZX1100-D2 RL PEARL GREENISH BLACK
0 products
up
popular products
921441523
SPRING,GEAR POSITION
Kawasaki
920491377
SEAL-OIL,BJN 32 47 5
Kawasaki
921441255
SPRING,ROCKER ARM,SHO
Kawasaki
540121400
CABLE-THROTTLE,OPENIN
Kawasaki