×
Genuine ZR Kawasaki Parts delivered quickly!
home
ZR750C2 ZEPHYR 750 1992 EUROPE UK FR AR FG GR IT NR SD SP ST
CYLINDER HEAD
26 products
CYLINDER HEAD COVER
11 products
CYLINDER/PISTON
14 products
AIR FILTER
34 products
MUFFLER
14 products
VALVE
34 products
CAMSHAFT/TENSIONER
22 products
CRANKSHAFT
14 products
SECONDARY SHAFT
12 products
CLUTCH
20 products
TRANSMISSION
29 products
CHANGE DRUM/SHIFT FORK
18 products
GEAR CHANGE MECHANISM
19 products
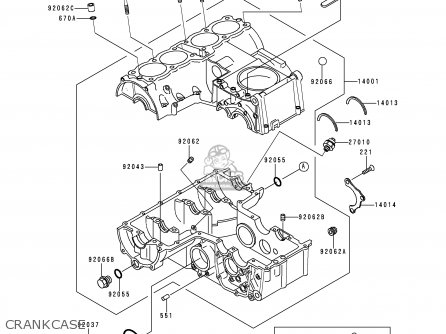
CRANKCASE
22 products
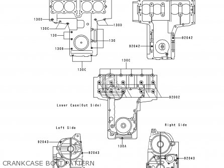
CRANKCASE BOLT PATTERN
8 products
ENGINE COVER
30 products
BREATHER BODY/OIL PAN
11 products
CARBURETOR(1/4)
56 products
CARBURETOR PARTS
38 products
OIL PUMP
27 products
GENERATOR
8 products
IGNITION COIL
15 products
STARTER MOTOR
38 products
OIL COOLER
12 products
FRAME
9 products
FRAME FITTING
13 products
BATTERY CASE
15 products
SWING ARM
13 products
SHOCK ABSORBER(&NAMI.ZR750C-038583)
9 products
STEP
14 products
FENDER
10 products
STAND
8 products
TIRE
6 products
FRONT HUB
17 products
REAR HUB
22 products
BRAKE PEDAL
12 products
FRONT MASTER CYLINDER(ZR750-C2/C3/C4)
30 products
FRONT CALIPER
21 products
REAR MASTER CYLINDER
21 products
REAR CALIPER
21 products
HANDLEBAR
31 products
FRONT FORK(&NAMI.ZR750C-026125)
24 products
FUEL TANK(ZR750-C1/C2)
31 products
SEAT
12 products
METER
34 products
CABLE
8 products
SIDE COVER/CHAIN CASE(ZR750-C1/C2)
7 products
HEAD LAMP
36 products
TAIL LAMP
14 products
TURN SIGNAL
9 products
ELECTRICAL EQUIPMENT
21 products
IGNITION SWITCH
27 products
TOOL
17 products
LABEL
8 products
DECAL(ZR750-C2)
7 products
PUBLICATIONS
0 products
MODEL IDENTIFCATION
0 products
up
popular products
920251094
SHIM,T=2.20
Kawasaki
920811622
SPRING,THROTTLE ADJUS
Kawasaki
921103703
TOOL-WRENCH,ALLEN,4MM
Kawasaki
920051112
FITTING,FUEL,T-TYPE
Kawasaki