×
Genuine ZR Kawasaki Parts delivered quickly!
home
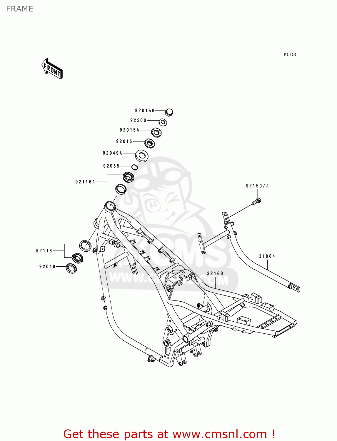
FRAME
ZR1100A2 1993 USA CALIFORNIA CANADA
Frame diagram ZR1100A2 1993 USA CALIFORNIA CANADA
FRAME ZR1100A2 1993 USA CALIFORNIA CANADA
×
prices are in EUR
ref
part #
description
quantity
31064
310641136EZ
ref: 31064
PIPE-COMP,SIDE FRAME,
€ 331.00
32160
321601234EZ
ref: 32160
FRAME-COMP,C.GRAY
€ 1,186.00
92015
920151803
ref: 92015
NUT,25MM
€ 18.50
92015A
920151810
ref: 92015A
NUT,25MM
€ 14.50
92015B
920151873
ref: 92015B
NUT,CAP,22MM
€ 19.50
92049
920491162
ref: 92049
SEAL-OIL,XMHE36X52X4J
€ 7.50
92049A
920491214
ref: 92049A
SEAL-OIL,STEERING STE
€ 11.00
92055
920551459
ref: 92055
RING-O,ID=24.5
€ 3.00
92116
921161009
ref: 92116
BEARING R,HR320/28XJ
€ 41.00
92116A
921161056
ref: 92116A
BEARING-ROLLER
€ 48.50
92150
921501401
ref: 92150
BOLT
€ 5.00
92200
922001126
ref: 92200
WASHER,22.5X36X3.2
€ 6.00
up
all assemblies
CYLINDER HEAD
CYLINDER HEAD COVER
CYLINDER/PISTON(S)
AIR CLEANER
MUFFLER(S)
VALVE(S)
CAMSHAFT(S)/TENSIONER
CRANKSHAFT
SECONDARY SHAFT
BALANCER
CLUTCH
TRANSMISSION
GEAR CHANGE DRUM/SHIFT FORK(S)
GEAR CHANGE MECHANISM
CRANKCASE
CRANKCASE BOLT PATTERN
ENGINE COVER(S)
BREATHER COVER/OIL PAN
CARBURETOR(&NAMI.026547)
CARBURETOR(026548&NAMI.)
CARBURETOR PARTS
FUEL EVAPORATIVE SYSTEM
OIL PUMP/OIL FILTER
GENERATOR
IGNITION SYSTEM
STARTER MOTOR
OIL COOLER
FRAME
FRAME FITTINGS
BATTERY CASE
SWINGARM
SUSPENSION/SHOCK ABSORBER
FOOTRESTS
FENDERS
STAND(S)
TIRES
FRONT WHEEL
REAR WHEEL/CHAIN
BRAKE PEDAL/TORQUE LINK
FRONT MASTER CYLINDER
FRONT BRAKE
REAR MASTER CYLINDER
REAR BRAKE
HANDLEBAR
FRONT FORK
CLUTCH MASTER CYLINDER
FUEL TANK
SEAT
METER(S)
CABLES
SIDE COVERS/CHAIN COVER
HEADLIGHT(S)
TAILLIGHT(S)
TURN SIGNALS
CHASSIS ELECTRICAL EQUIPMENT
IGNITION SWITCH/LOCKS/REFLECTORS
OWNER'S TOOLS
LABELS
DECALS(ZR1100-A2/A3/A4)
Publications
Model Identification
up