×
Genuine VN Kawasaki Parts delivered quickly!
home
VN1500H1 VN1500 CLASSIC TOURER 1998 AUSTRIA FG ST
Additonal Colour Parts for 56019-108-81
3 products
CYLINDER HEAD
17 products
CYLINDER HEAD COVER
18 products
CYLINDER/PISTON(S)
16 products
AIR CLEANER
41 products
MUFFLER(S)
24 products
VALVE(S)
17 products
CAMSHAFT(S)/TENSIONER
29 products
CRANKSHAFT
24 products
CLUTCH
37 products
TRANSMISSION(∼VNT50AE077438)
28 products
GEAR CHANGE DRUM/SHIFT FORK(S)
13 products
GEAR CHANGE MECHANISM
22 products
CRANKCASE
44 products
CRANKCASE BOLT PATTERN
4 products
LEFT ENGINE COVER(S)
34 products
RIGHT ENGINE COVER(S)(VN1500-H1)
26 products
FUEL PUMP
8 products
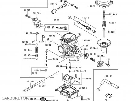
CARBURETOR
54 products
OIL PUMP
33 products
GENERATOR
16 products
IGNITION SYSTEM
16 products
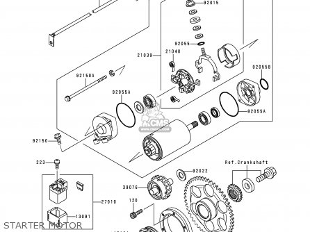
STARTER MOTOR
23 products
WATER PUMP
24 products
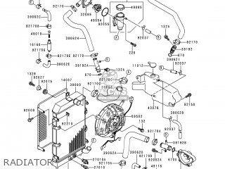
RADIATOR
55 products
FRONT BEVEL GEAR
79 products
DRIVE SHAFT/FINAL GEAR
54 products
FRAME
16 products
FRAME FITTINGS
11 products
BATTERY CASE
21 products
SWINGARM
3 products
SUSPENSION/SHOCK ABSORBER
9 products
FOOTRESTS
26 products
FENDERS
6 products
STAND(S)
4 products
TIRES
7 products
FRONT HUB
16 products
REAR HUB
17 products
BRAKE PEDAL
7 products
FRONT MASTER CYLINDER
26 products
FRONT BRAKE
23 products
REAR MASTER CYLINDER
25 products
REAR BRAKE
17 products
HANDLEBAR
18 products
FRONT FORK
40 products
CLUTCH MASTER CYLINDER
22 products
FUEL TANK
30 products
SEAT
6 products
METER(S)
16 products
CABLES
8 products
SIDE COVERS
6 products
GUARD(S)
9 products
HEADLIGHT(S)
18 products
TAILLIGHT(S)
21 products
TURN SIGNALS
14 products
CHASSIS ELECTRICAL EQUIPMENT
20 products
IGNITION SWITCH
22 products
OWNER'S TOOLS
18 products
LABELS
7 products
DECALS
21 products
COWLING
26 products
SADDLEBAGS
50 products
PUBLICATIONS
0 products
MODEL IDENTIFCATION
0 products
up
popular products
920331238
RING-SNAP
Kawasaki
920751209
DAMPER,METER
Kawasaki
920751688
DAMPER,FUSE & RELAY B
Kawasaki
921441266
SPRING,BRAKE PEDAL RE
Kawasaki